GM Service Manual Online
For 1990-2009 cars only
Makes
🢒
Chevrolet
🢒
2007
🢒
Silverado - 2WD
🢒
Body Systems
🢒
Vehicle Access
🢒 Door Lock/Indicator Schematics
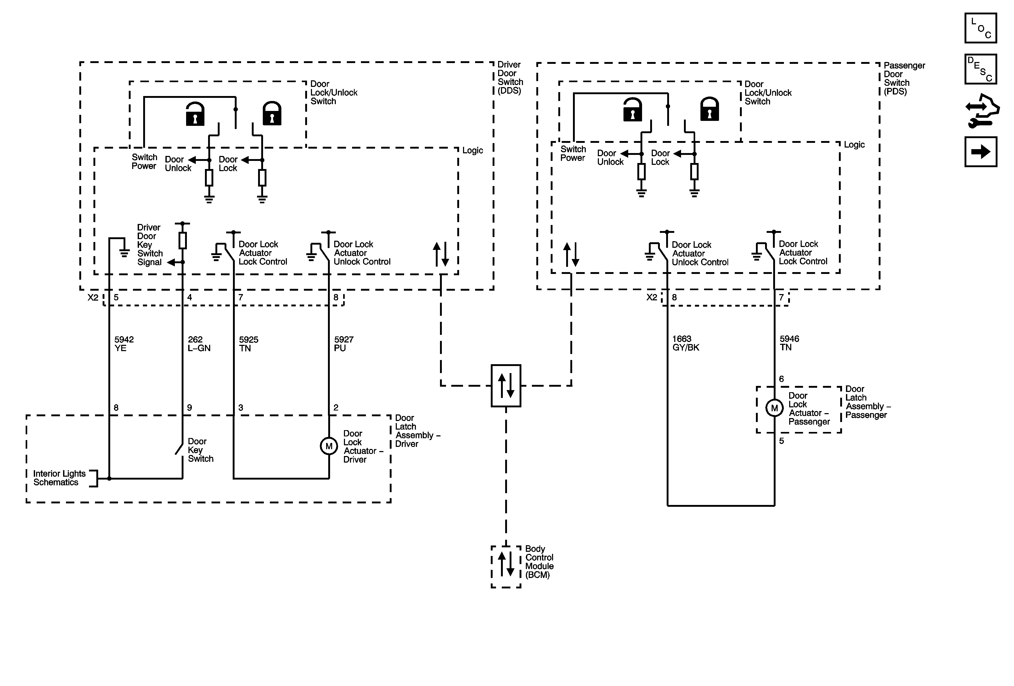
Figure
1:
Door Lock Controls and Front Door Locks (AN3/DL3)
Master Electrical Component List
Door Ajar Indicator Description and Operation (w/AN3)
Control Module References
Rear Door Locks Crew Cab +AN3
Low Speed Bus - 1 of 3
Door Jamb Switches AN3/DL3
Figure
2:
Rear Door Locks (Crew Cab +AN3)
Master Electrical Component List
Door Ajar Indicator Description and Operation w/AN3
Control Module References
Door Lock Controls AU3 -AN3/DL3
Door Lock Controls and Front Door Locks AN3/DL3
LCK 1 and UNLCK 1 Fuses Crew Cab +AN3
LCK 1 and UNLCK 1 Fuses Crew Cab +AN3
G201 1 of 2
Figure
3:
Door Lock Controls (AU3 -AN3/DL3)
Master Electrical Component List
Door Ajar Indicator Description and Operation (w/o AN3)
Control Module References
Door Lock Motors AU3 -AN3/DL3
Rear Door Locks Crew Cab +AN3
G201 1 of 2
Figure
4:
Door Lock Motors (AU3 -AN3/DL3)
Master Electrical Component List
Door Ajar Indicator Description and Operation (w/o AN3)
Control Module References
Door Lock Controls AU3 -AN3/DL3
G201 1 of 2
DVR UNLCK, LCK 1, LCK 2, UNLCK 1 and UNLCK 2 Fuses AU3 -AN3/DL3
DVR UNLCK, LCK 1, LCK 2, UNLCK 1 and UNLCK 2 Fuses AU3 -AN3/DL3
DVR UNLCK, LCK 1, LCK 2, UNLCK 1 and UNLCK 2 Fuses AU3 -AN3/DL3
DVR UNLCK, LCK 1, LCK 2, UNLCK 1 and UNLCK 2 Fuses AU3 -AN3/DL3