GM Service Manual Online
For 1990-2009 cars only
Makes
🢒
Chevrolet
🢒
2007
🢒
Silverado - 2WD
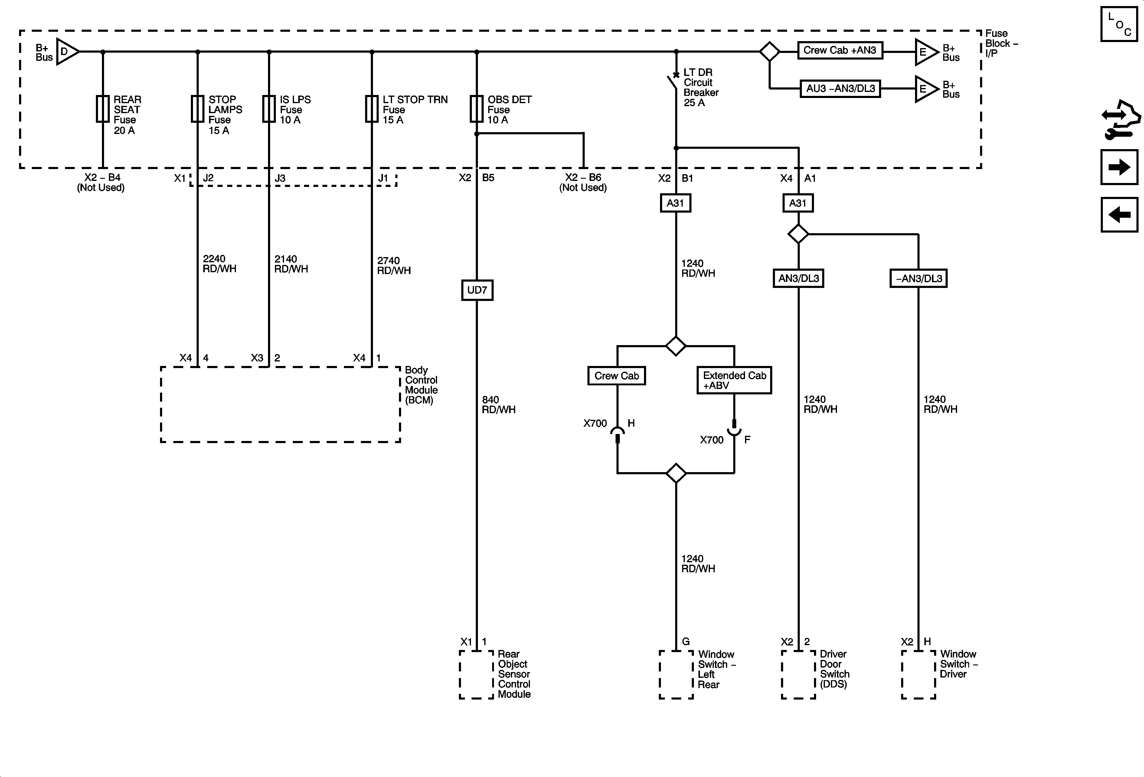
🢒 IS LPS, LT STOP TRN, OBS DET, REAR SEAT and STOP LAMPS Fuses, LT DR Circuit Breaker
IS LPS, LT STOP TRN, OBS DET, REAR SEAT and STOP LAMPS Fuses, LT DR Circuit Breaker
IS LPS, LT STOP TRN, OBS DET, REAR SEAT and STOP LAMPS Fuses, LT DR Circuit Breaker
Master Electrical Component List
Control Module References
LCK 1 and UNLCK 1 Fuses Crew Cab +AN3
AUX PWR, AUX PWR 2, LBEC 1, PDM and REAR WPR Fuses
AUX PWR, AUX PWR 2, LBEC 1, PDM and REAR WPR Fuses
LCK 1 and UNLCK 1 Fuses Crew Cab +AN3
DVR UNLCK, LCK 1, LCK 2, UNLCK 1 and UNLCK 2 Fuses AU3 -AN3/DL3