GM Service Manual Online
For 1990-2009 cars only
Makes
🢒
Chevrolet
🢒
2007
🢒
Silverado - 2WD
🢒 -AN3
-AN3
-AN3
Master Electrical Component List
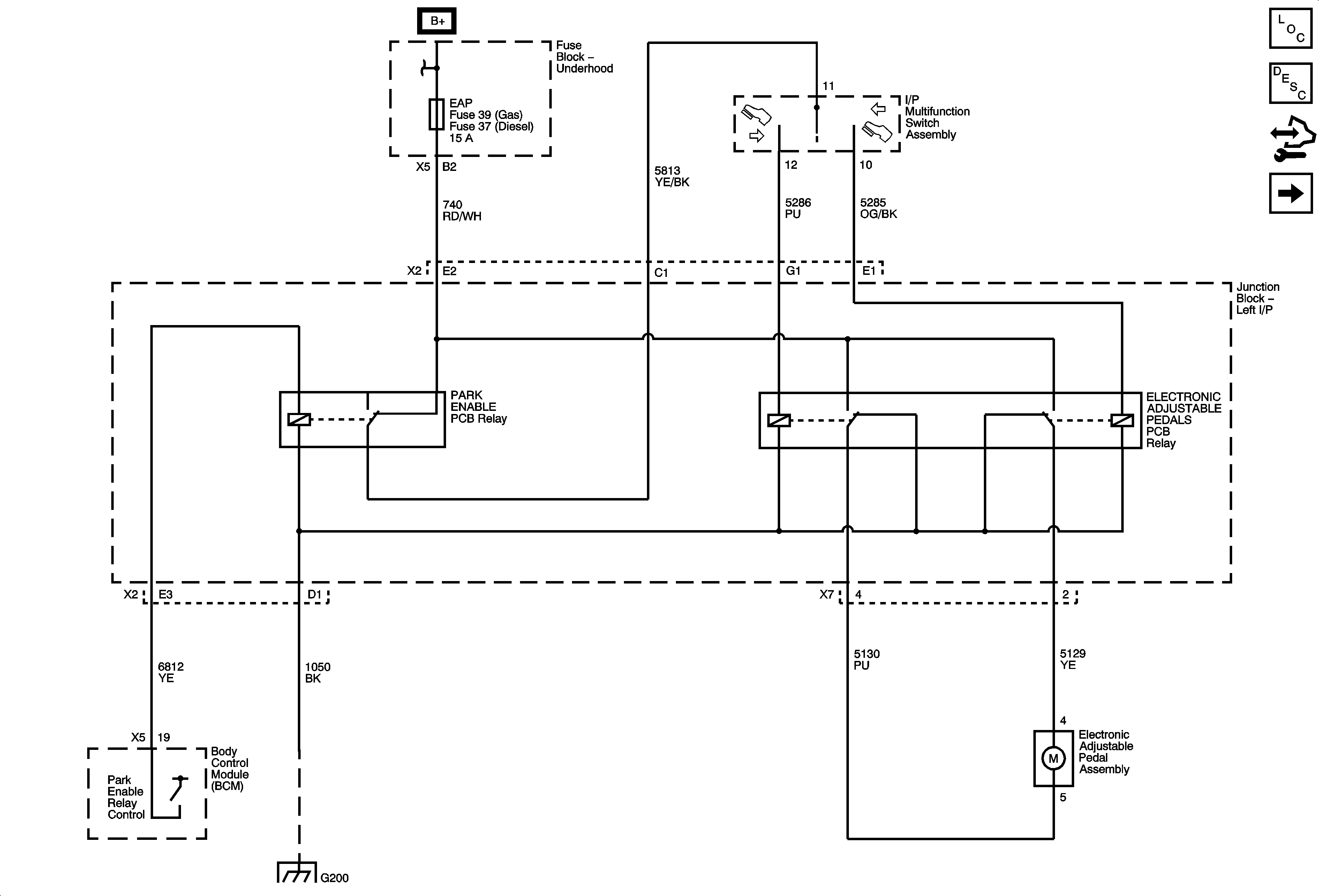
Adjustable Pedals Description and Operation (w/o Memory)
Control Module References
AN3
AIRBAG BATT, ALC COMP, EAP, LGM, SEO B1 and SEO B2 Fuses
G200 1 of 2