GM Service Manual Online
For 1990-2009 cars only
Makes
🢒
Chevrolet
🢒
2007
🢒
Silverado - 2WD
🢒 Sensors JL4
Sensors JL4
Sensors (JL4)
Master Electrical Component List
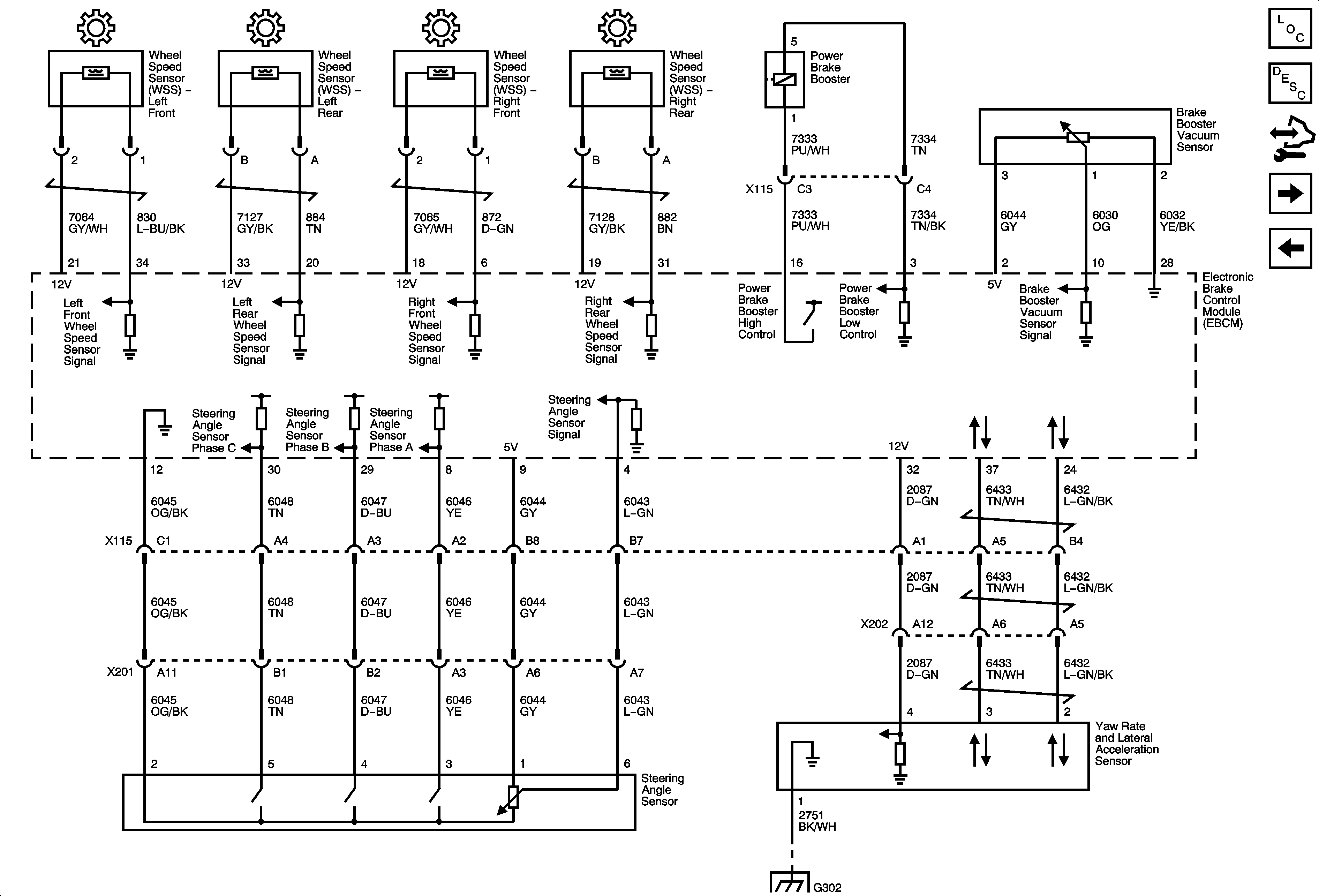
ABS Description and Operation (Under 8600 GVW)
Control Module References
JF3/JF7
Module Power, Ground, Serial Data, Pump Motor and Brake Switch JL4
G302