GM Service Manual Online
For 1990-2009 cars only
Makes
🢒
Chevrolet
🢒
2007
🢒
Silverado - 2WD
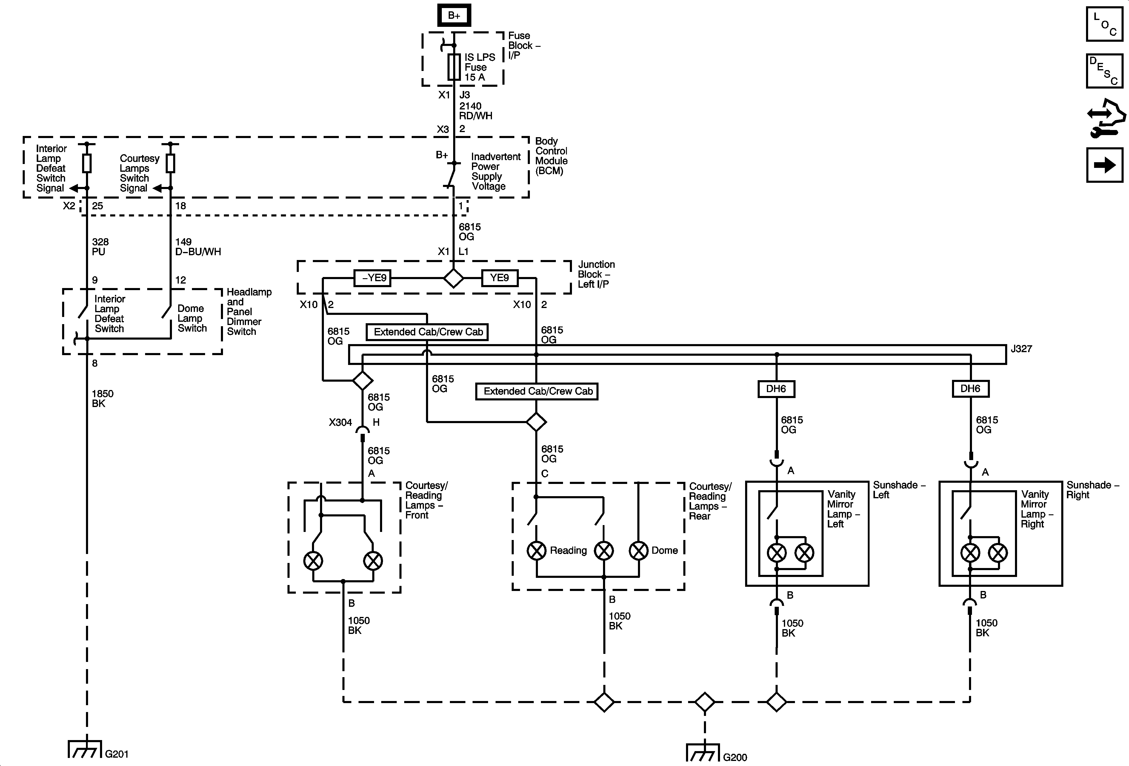
🢒 Inadvertent Lamp Control
Inadvertent Lamp Control
Inadvertent Lamp Control
Master Electrical Component List
Interior Lighting Systems Description and Operation
Control Module References
Courtesy Lamp Control
G201 1 of 2
G200 1 of 2