GM Service Manual Online
For 1990-2009 cars only
Makes
🢒
Chevrolet
🢒
2007
🢒
Silverado - 2WD
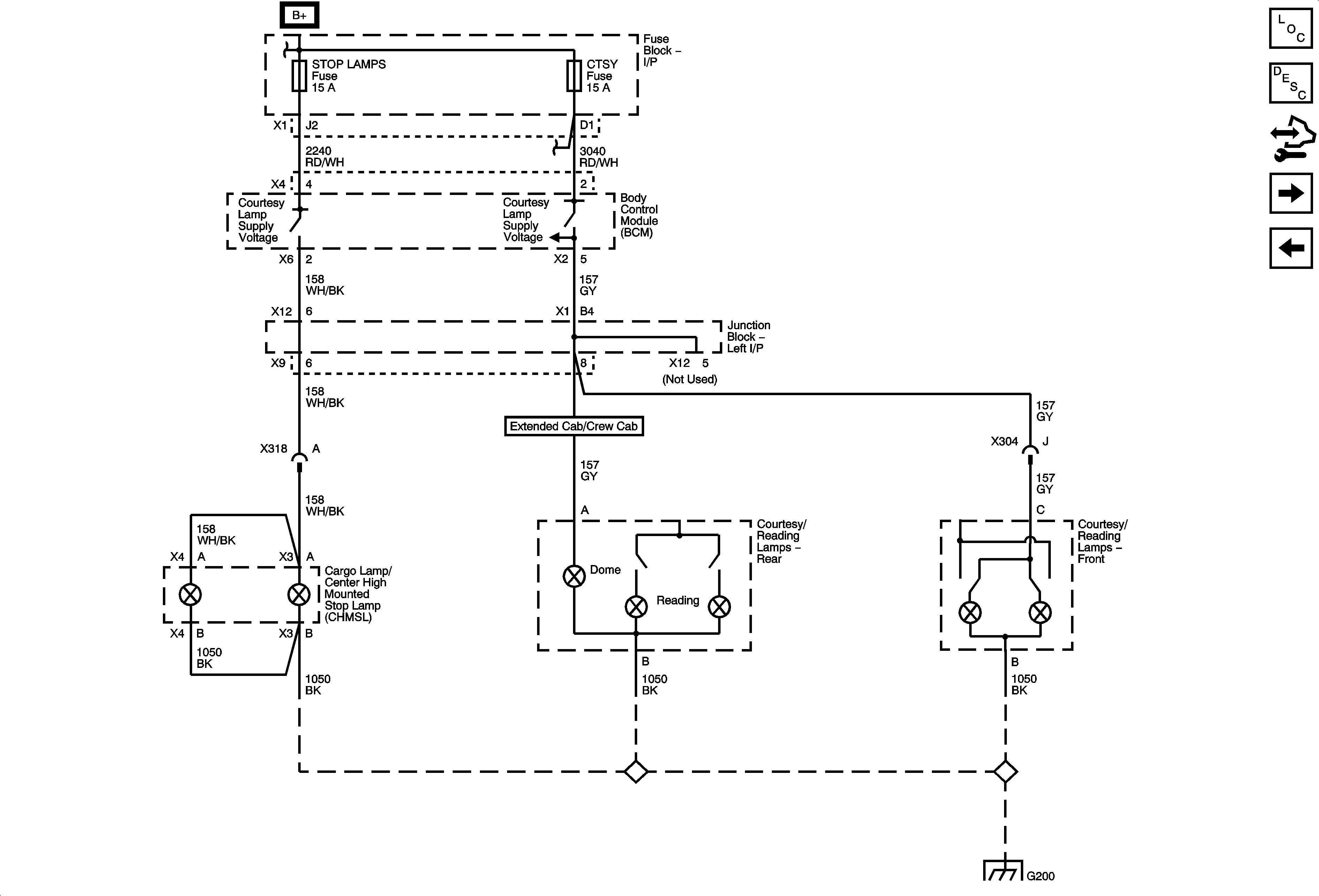
🢒 Courtesy Lamp Control
Courtesy Lamp Control
Courtesy Lamp Control
Master Electrical Component List
Interior Lighting Systems Description and Operation
Control Module References
Door Jamb Switches AN3/DL3
Inadvertent Lamp Control
G200 2 of 2