GM Service Manual Online
For 1990-2009 cars only
Makes
🢒
Chevrolet
🢒
2007
🢒
Silverado - 2WD
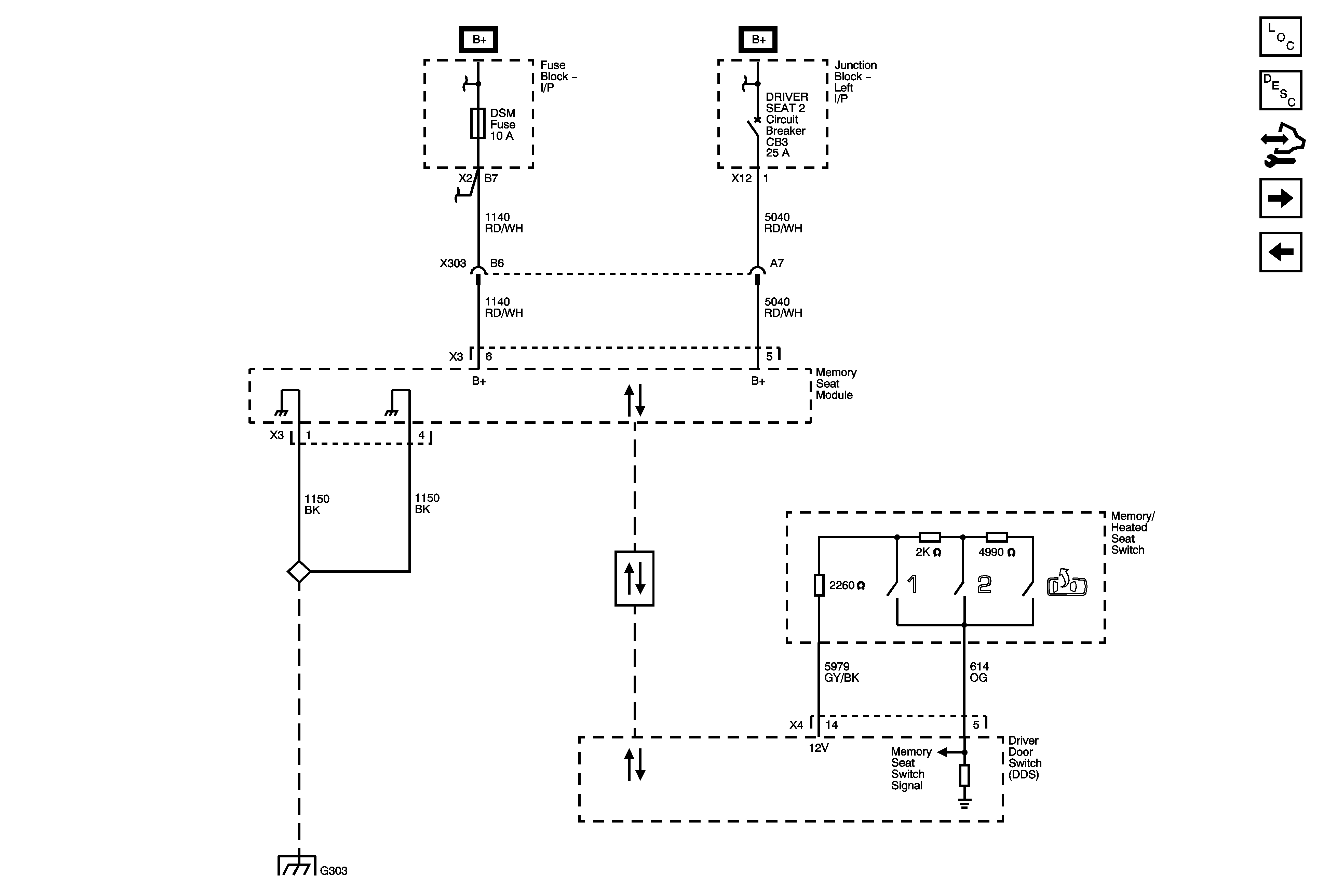
🢒 Module Power, Ground, Serial Data and Memory Switch (AN3)
Module Power, Ground, Serial Data and Memory Switch (AN3)
Module Power, Ground, Serial Data and Memory Switch (AN3)
Master Electrical Component List
Memory Seats Description and Operation
Control Module References
Seat Adjuster Switches (AN3)
6- Way Power (-AN3)
BCM, COOLED SEATS, CTSY, DDM, DIM, DSM, LBEC 2, PWR MIR, REAR HVAC and RT STOP TRN Fuses
MBEC 1 Fuse and DRIVER SEAT 2, PASS SEAT 1, PWR REAR WNDW and RT DOORS Circuit Breakers
Low Speed Bus - 1 of 3
G303, G304, G305 and G307