GM Service Manual Online
For 1990-2009 cars only
Makes
🢒
Chevrolet
🢒
2007
🢒
Silverado - 2WD
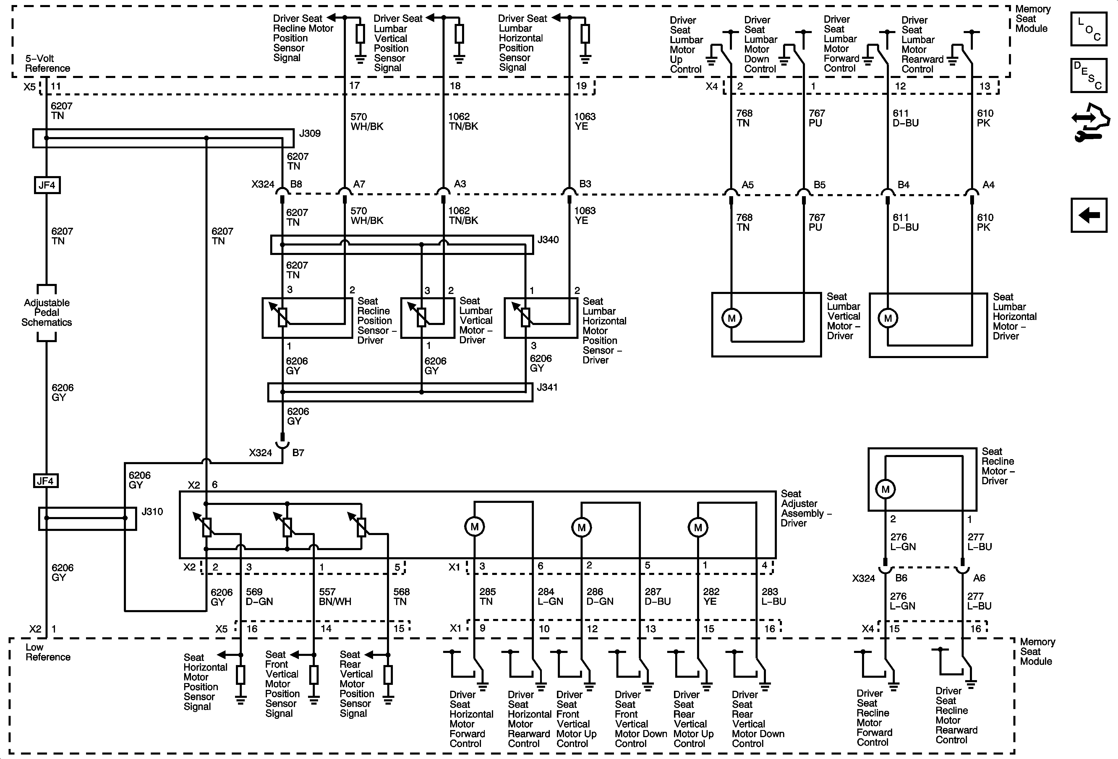
🢒 Motors and Position Sensors (AN3)
Motors and Position Sensors (AN3)
Motors and Position Sensors (AN3)
Master Electrical Component List
Memory Seats Description and Operation
Control Module References
Seat Adjuster Switches (AN3)
AN3