GM Service Manual Online
For 1990-2009 cars only
Makes
🢒
Chevrolet
🢒
2007
🢒
Silverado - 4WD
🢒 Shift Controls
Shift Controls
Shift Controls
Master Electrical Component List
Electronic Component Description (TCM)
Control Module References
Pressure and Temperature Controls
Module Power, Ground and Serial Data
Module Power, Ground and Serial Data
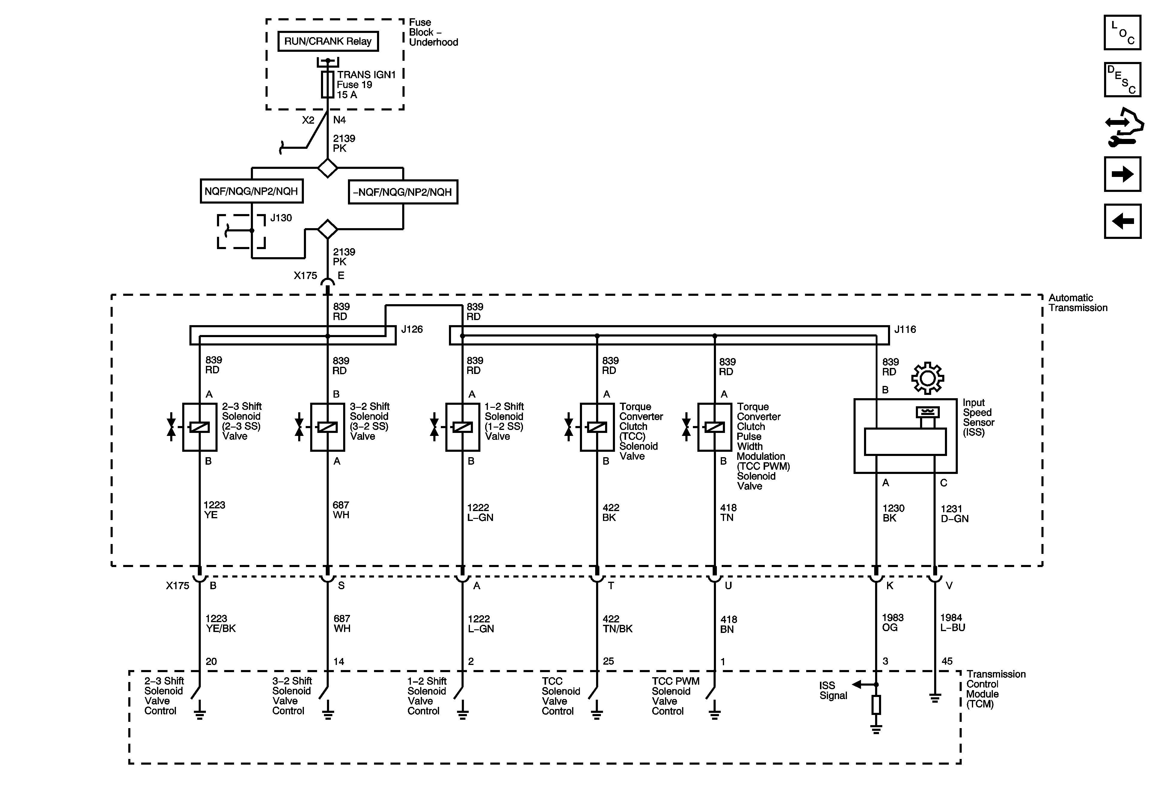
RUN/CRANK BUS - ECM-IGN and TRANS IGN 1 Fuses