GM Service Manual Online
For 1990-2009 cars only
Makes
🢒
Chevrolet
🢒
2007
🢒
Silverado - 4WD
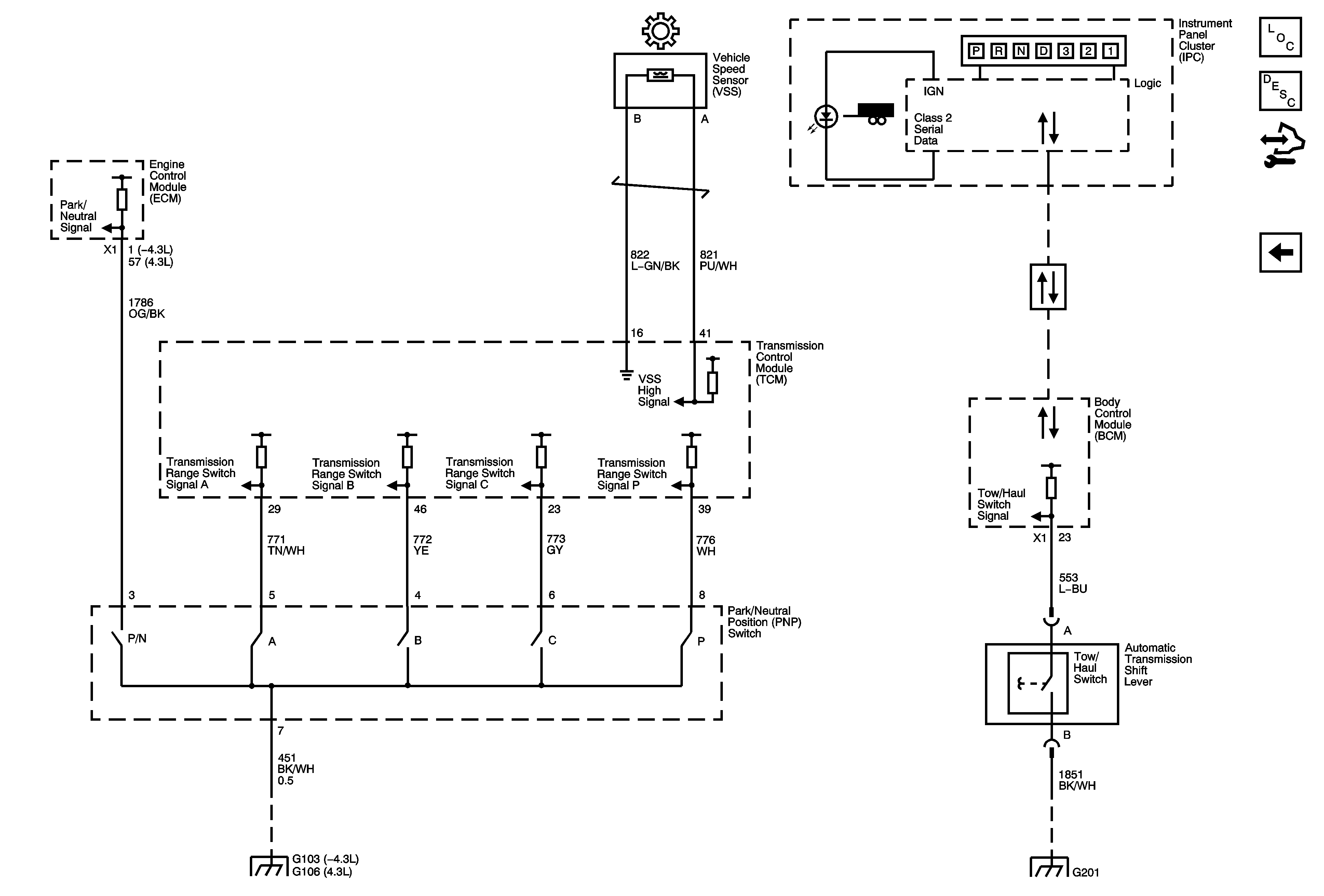
🢒 PNP Signals, VSS Signal and Tow/Haul Signal
PNP Signals, VSS Signal and Tow/Haul Signal
PNP Signals, VSS Signal and Tow/Haul Signal
Master Electrical Component List
Electronic Component Description (TCM)
Control Module References
Pressure and Temperature Controls
Low Speed Bus - 1 of 3
G106 (4.3L) and G103
G201 2 of 2