GM Service Manual Online
For 1990-2009 cars only
Makes
🢒
Chevrolet
🢒
2007
🢒
Silverado - 4WD
🢒 Gas
Gas
Gas
Master Electrical Component List
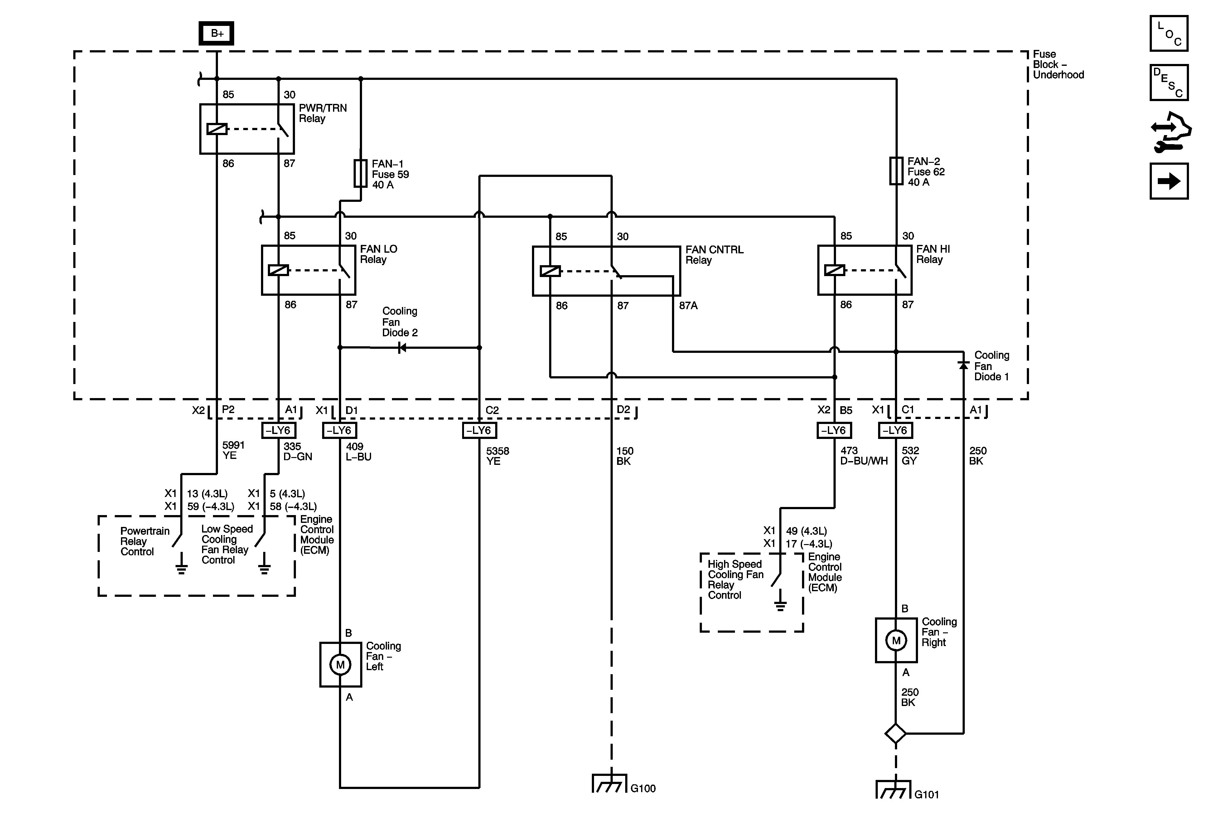
Cooling Fan Description and Operation (w/o LFA)
Control Module References
Diesel
B+ Bus - 2 of 3
B+ Bus - 2 of 3
G100
G101