GM Service Manual Online
For 1990-2009 cars only
Makes
🢒
Chevrolet
🢒
2007
🢒
Silverado - 4WD
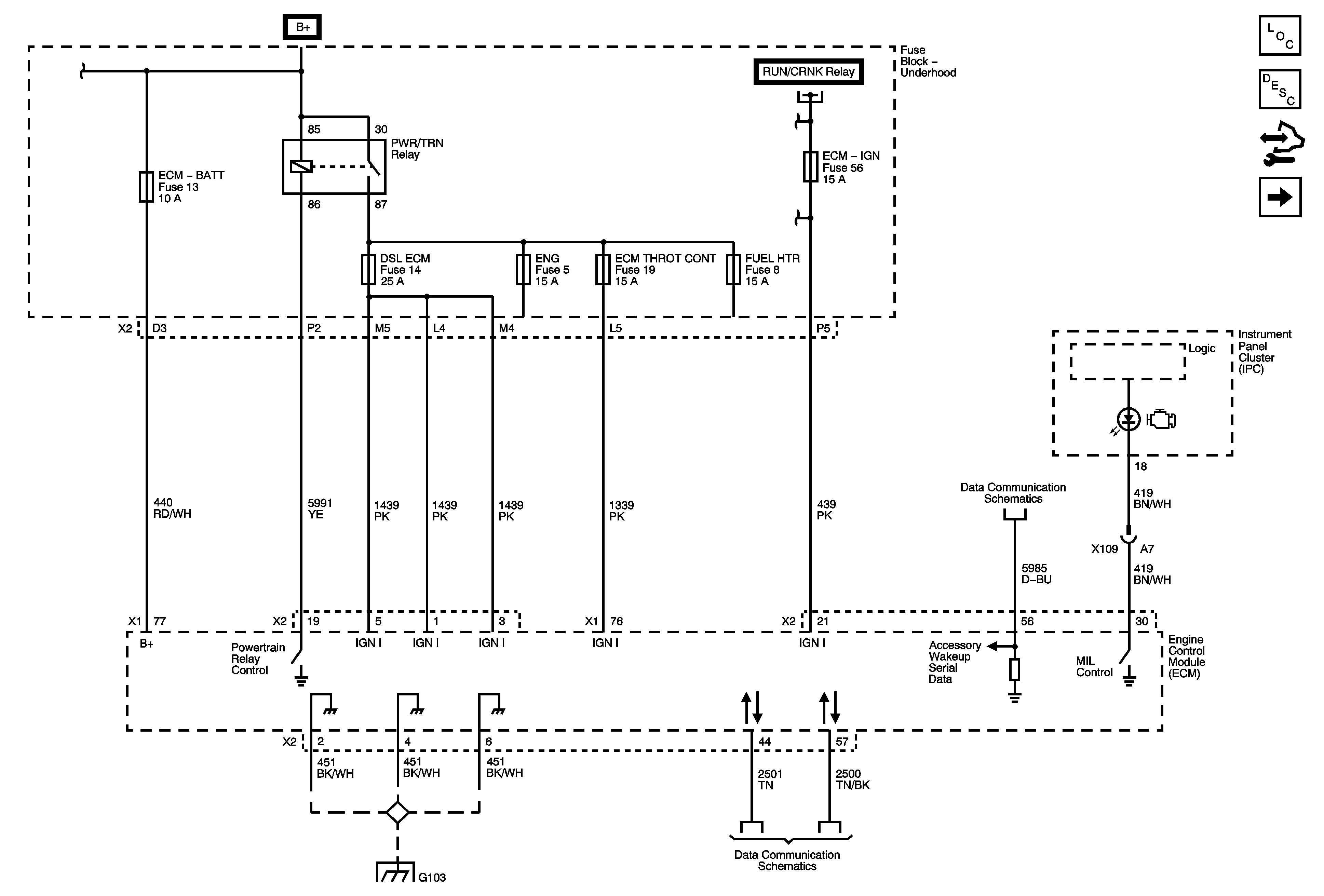
🢒 Module Power, Ground, Serial Data and MIL
Module Power, Ground, Serial Data and MIL
Module Power, Ground, Serial Data and MIL
Master Electrical Component List
Engine Control Module Description
Control Module References
Engine Data Sensors - 5-Volt and Low Reference - 1 of 2
Ignition II/III Voltage
ECM-BATT, HDLP WASH, HVAC BATT, IPC, LTR, S/ROOF and TCM-BATT Fuses
RUN/CRANK BUS - ECM-IGN and TRANS IGN 1 Fuses
PWR/TRN BUS - DSL ECM, FUEL HTR, O2-A SNSR and O2-B SNSR Fuses
PWR/TRN BUS - ECM/THROT CONT and ENG Fuses
PWR/TRN BUS - ECM/THROT CONT and ENG Fuses
PWR/TRN BUS - DSL ECM, FUEL HTR, O2-A SNSR and O2-B SNSR Fuses
Accessory Wakeup Serial Data
G106 (4.3L) and G103
High Speed Bus - 3 of 3 (Diesel)