GM Service Manual Online
For 1990-2009 cars only
Makes
🢒
Chevrolet
🢒
2007
🢒
Silverado - 4WD
🢒 Fuel Controls - Fuel Pump , Temperature and Pressure Controls
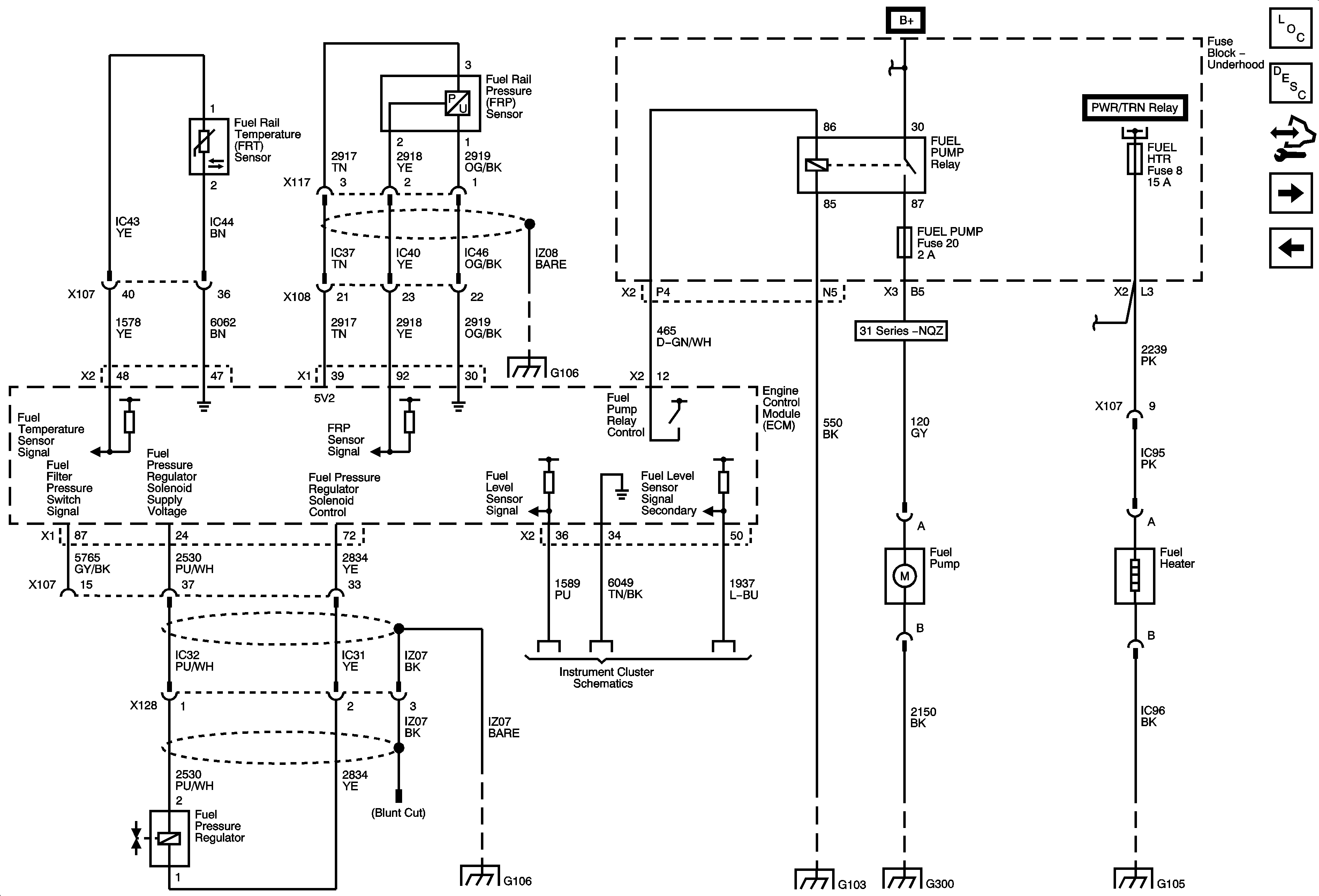
Fuel Controls - Fuel Pump , Temperature and Pressure Controls
Fuel Controls - Fuel Pump, Temperature and Pressure Controls
Master Electrical Component List
Fuel System Description
Control Module References
Fuel Controls - Fuel Injectors
Engine Data Sensors - Glow Plug Controls and the IAH Module
Module Power, Ground, Serial Data and MIL
PWR/TRN BUS - DSL ECM, FUEL HTR, O2-A SNSR and O2-B SNSR Fuses
G106 (Diesel), G105, G110 and G111
Gages
G106 (Diesel), G105, G110 and G111
G106 (4.3L) and G103
G300
G106 (Diesel), G105, G110 and G111