GM Service Manual Online
For 1990-2009 cars only
Makes
🢒
Chevrolet
🢒
2007
🢒
Silverado - 4WD
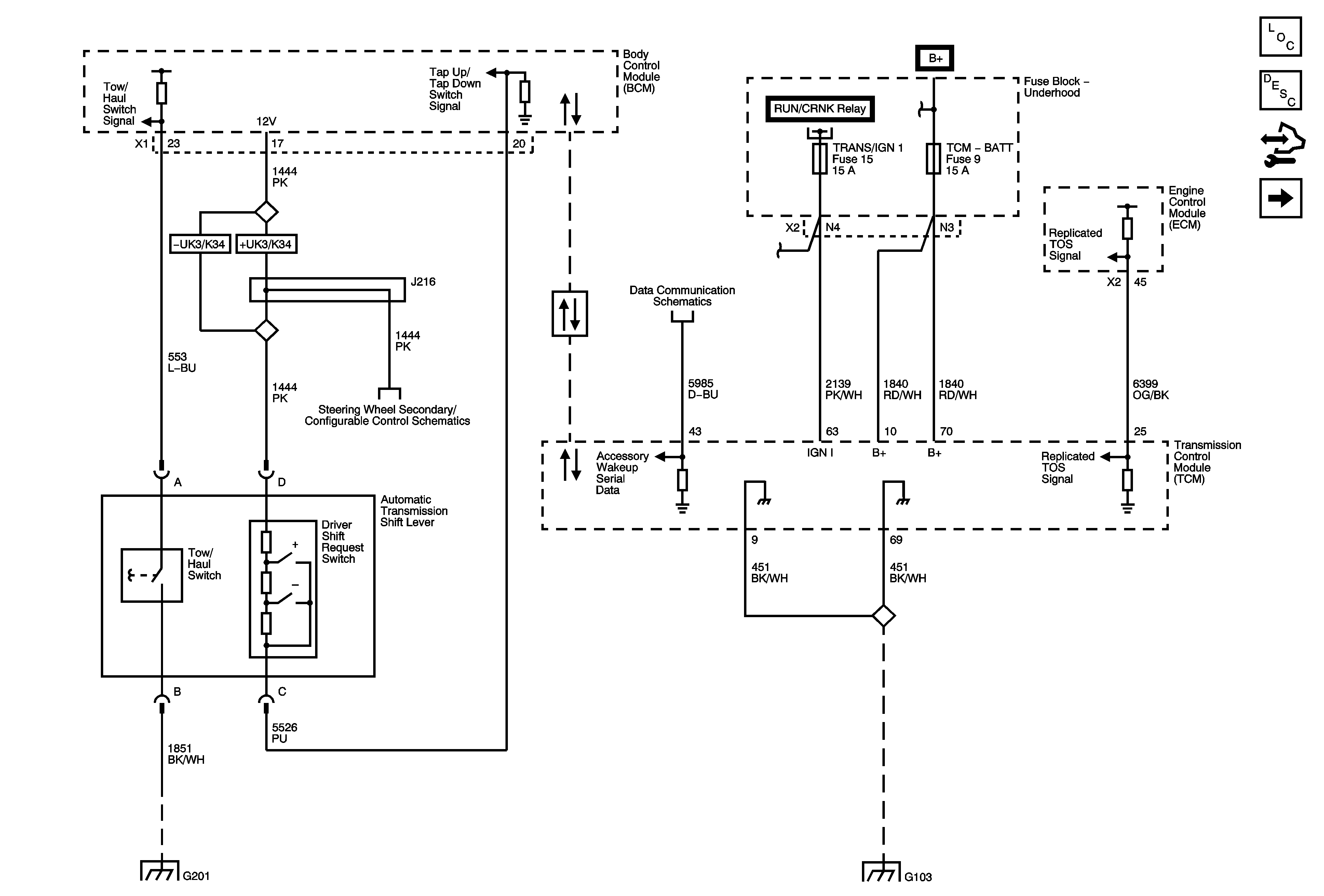
🢒 Power, Ground, Driver Shift request Switch, Tow/Haul Switch, and Serial Data
Power, Ground, Driver Shift request Switch, Tow/Haul Switch, and Serial Data
Power, Ground, Driver Shift Request Switch, Tow/Haul Switch, and Serial Data
Master Electrical Component List
Electronic Component Description
Control Module References
Shift Solenoids, PCS2, Torque Signals and Speed Sensors
Ignition II/III Voltage
RUN/CRANK BUS - ECM-IGN and TRANS IGN 1 Fuses
ECM-BATT, HDLP WASH, HVAC BATT, IPC, LTR, S/ROOF and TCM-BATT Fuses
Steering Wheel Controls
High Speed Bus - 3 of 3 (Diesel)
Accessory Wakeup Serial Data
Wiring Provisions - 2 of 2
G201 2 of 2
G106 (4.3L) and G103