GM Service Manual Online
For 1990-2009 cars only
Makes
🢒
Chevrolet
🢒
1999
🢒
Tahoe 4WD - RHD
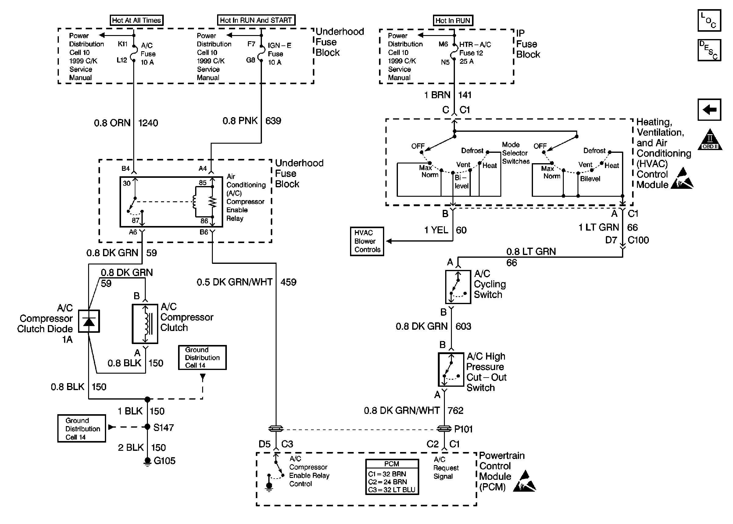
🢒 Cell 21: A/C Controls
Cell 21: A/C Controls
Cell 21: A/C Controls
Cell 10: CRUISE, 4WD, BRAKE & HTR-A/C Fuses
Engine Controls Components
Cell 21: Transmission and TCC Controls
OBD II Symbol Description Notice
Handling ESD Sensitive Parts Notice
Cell 63: 1 of 3, Front
Powertrain Control Module Connector End Views
Handling ESD Sensitive Parts Notice
Cell 14: G105, Diesel
Cell 14: G105, Diesel