GM Service Manual Online
For 1990-2009 cars only
Makes
🢒
Chevrolet
🢒
1999
🢒
Tahoe 4WD - RHD
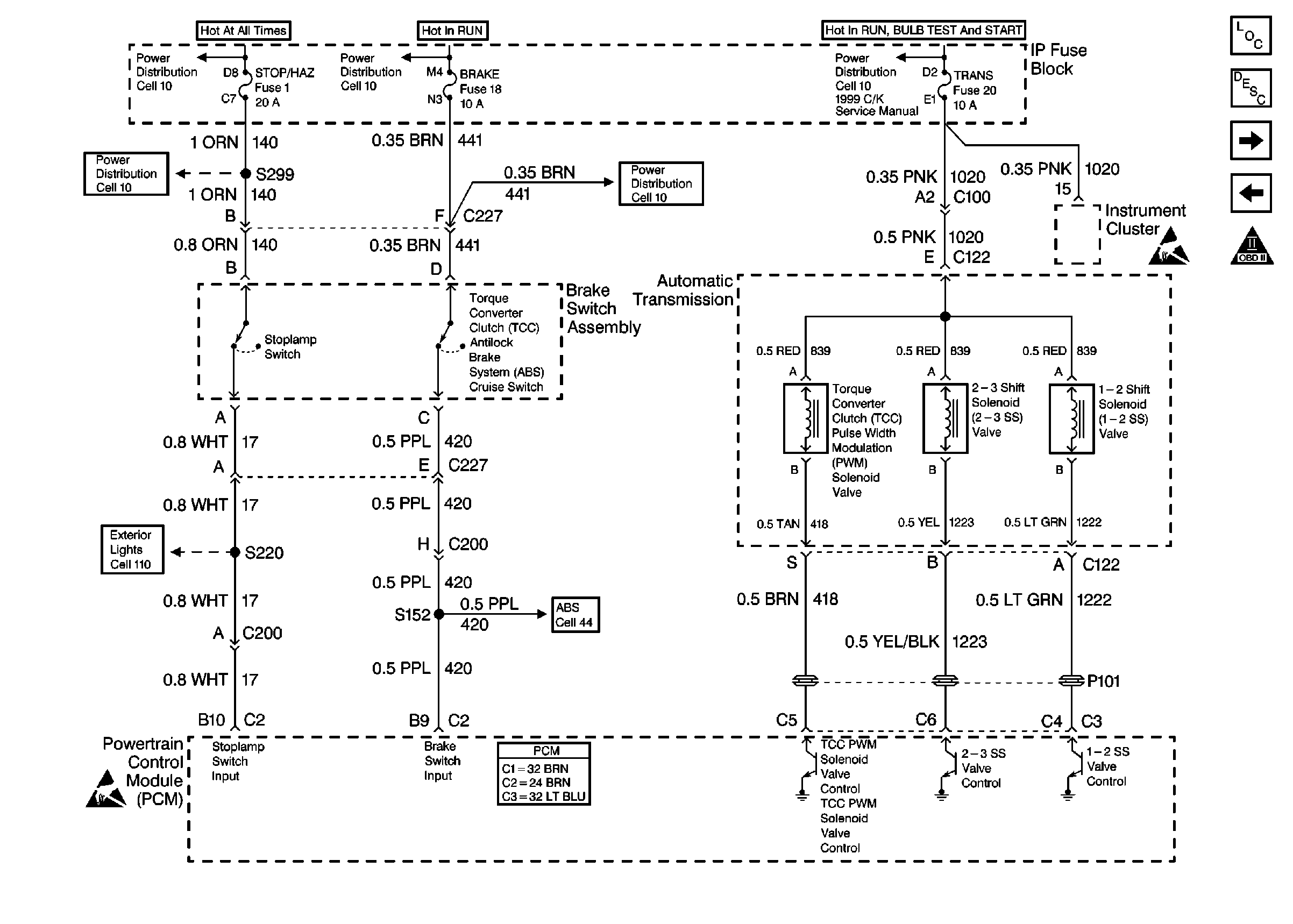
🢒 Cell 21: Transmission and TCC Controls
Cell 21: Transmission and TCC Controls
Cell 21: Transmission and TCC Controls
Cell 10: RR DEFOG, LIGHTING, & BATTERY Fuses
Cell 10: CRUISE, 4WD, BRAKE & HTR-A/C Fuses
Cell 10: CRUISE, 4WD, BRAKE & HTR-A/C Fuses
Cell 10: TRANS & GAUGES Fuses
Handling ESD Sensitive Parts Notice
Engine Controls Components
Cell 21: A/C Controls
Cell 21: VSS Controls
OBD II Symbol Description Notice
Powertrain Control Module Connector End Views
Handling ESD Sensitive Parts Notice
Cell 110: Park Lamps, Stop/Hazard Fuses, Park Lamps and CHMSL (1 of4)
Cell 44: Diesel