GM Service Manual Online
For 1990-2009 cars only

Door Lock/Indicator Schematics Except Luxury

Figure 1:

Cell 130: CIG LTR Fuse, Door Lock Control Module, Rear Door Jamb Switch, Rear Door Lock Switch, G400


Object Number: 365113  Size: FS
Power Door Locks Circuit Description Luxury
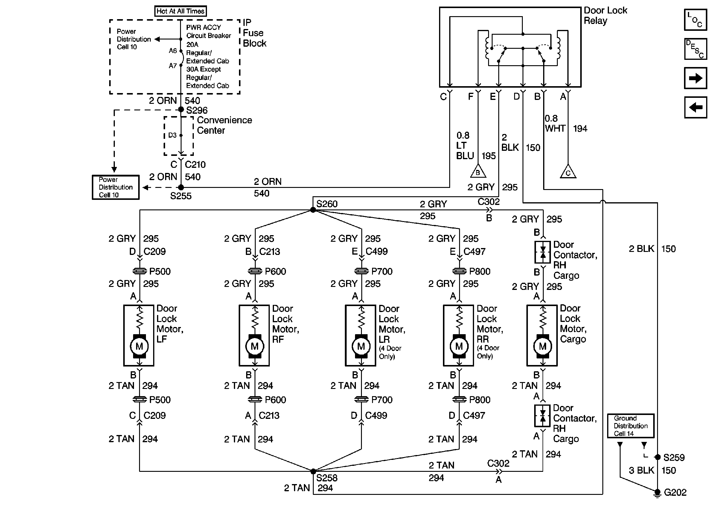
Cell 130: PWR ACCY Circuit Breaker, Door Lock Relay, Cargo Door Contactors, Door Lock Motors, G202
Cell 130: PWR ACCY Circuit Breaker, Door Lock Relay, Cargo Door Contactors, Door Lock Motors, G202
Cell 130: PWR ACCY Circuit Breaker, Door Lock Relay, Cargo Door Contactors, Door Lock Motors, G202
Cell 130: PWR ACCY Circuit Breaker, Door Lock Relay, Cargo Door Contactors, Door Lock Motors, G202
Cell 10: CIG LTR Fuse
Cell 10: CIG LTR Fuse
Cell 14: G400
Fuses, Auxiliary Power Connectors and Cigar Lighter
Handling ESD Sensitive Parts Notice
Cell 10: LIGHTING and BATTERY Fuses
Power Door Systems Components
Handling ESD Sensitive Parts Notice
Figure 2:

Cell 130: PWR ACCY Circuit Breaker, Door Lock Relay, Cargo Door Contactors, Door Lock Motors, G202


Object Number: 365123  Size: FS
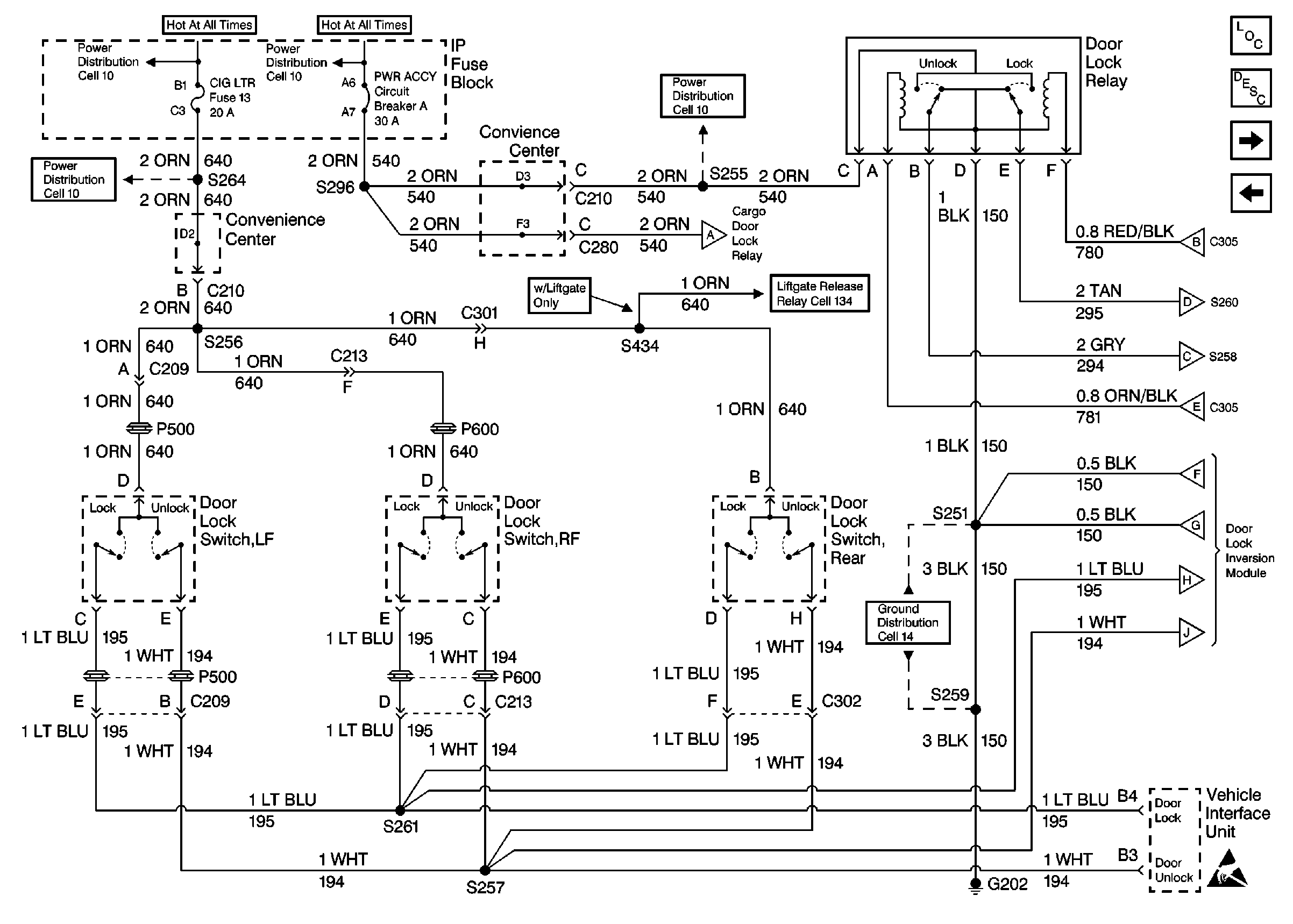
Power Door Locks Circuit Description Luxury
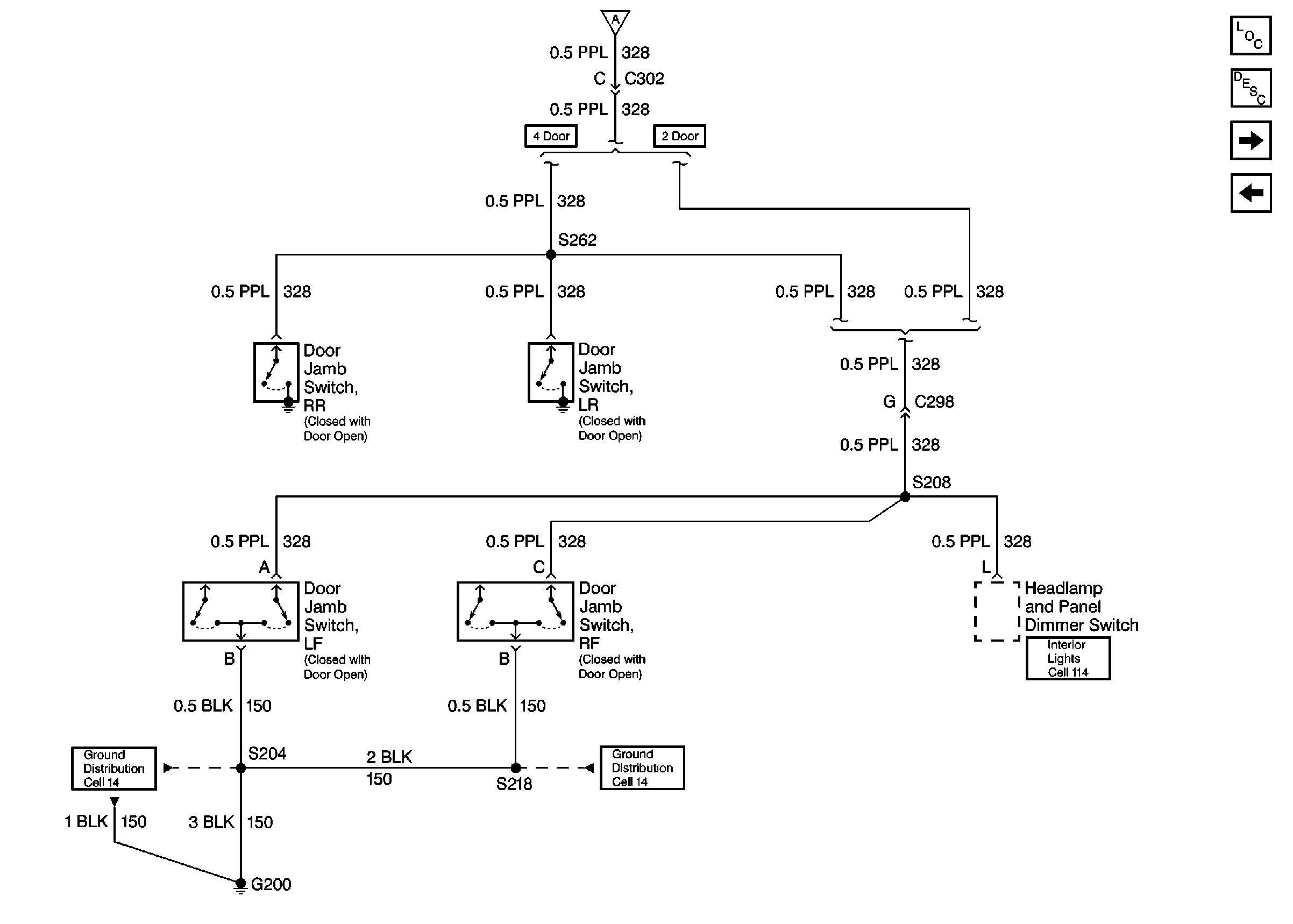
Cell 130: Door Jamb Switches, G200
Cell 130: CIG LTR Fuse, Door Lock Control Module, Rear Door Jamb Switch, Rear Door Lock Switch, G400
Cell 130: CIG LTR Fuse, Door Lock Control Module, Rear Door Jamb Switch, Rear Door Lock Switch, G400
Cell 130: CIG LTR Fuse, Door Lock Control Module, Rear Door Jamb Switch, Rear Door Lock Switch, G400
Cell 10: AUX PWR Fuse, PWR - ACCY Circuit Breaker (Luxury)
Ground Distribution Schematics
Cell 14: G202 (2 of 4)
Power Door Systems Components
Figure 3:

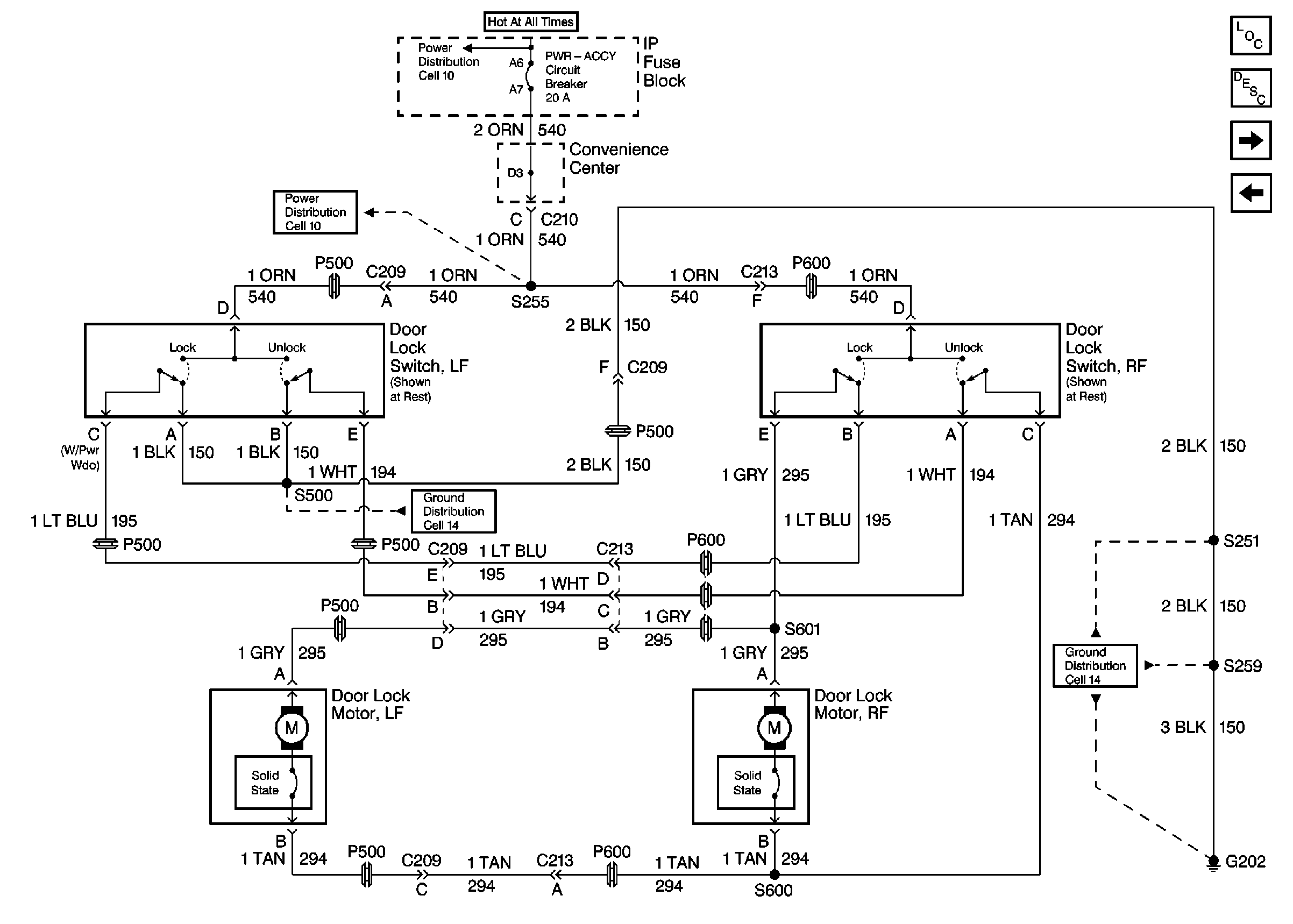
Cell 130: Door Jamb Switches, G200


Object Number: 365139  Size: FS
Power Door Locks Circuit Description Luxury
Cell 130: PWR ACCY Circuit Breaker, Door Lock Relay, Cargo Door Contactors, Door Lock Motors, G202
Cell 14: G200 (1 of 4)
Cell 114: CTSY Fuse 3, Door Jamb Switches
Power Door Systems Components
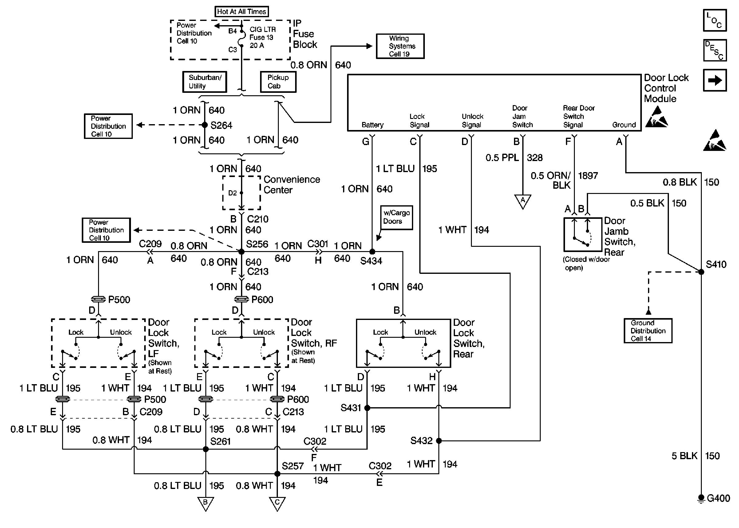
Cell 130: CIG LTR Fuse, Door Lock Control Module, Rear Door Jamb Switch, Rear Door Lock Switch, G400
Cell 130: PWR ACCY Circuit Breaker, Door Lock Switches, Door Lock Motors,G202 (Pickup/Extended Cab)
Figure 4:

Cell 130: PWR ACCY Circuit Breaker, Door Lock Switches, Door Lock Motors, G202 (Pickup/Extended Cab)


Object Number: 365183  Size: FS
Power Door Locks Circuit Description Luxury
Door Locks and Fuses
Cell 130: Door Jamb Switches, G200
Cell 10: AUX PWR Fuse, PWR - ACCY Circuit Breaker (Luxury)
Cell 14: G202 (2 of 4)
Power Door Systems Components
Cell 14: G202 (3 of 4)
Cell 10: AUX PWR Fuse, PWR - ACCY Circuit Breaker (Luxury)

Door Lock/Indicator Schematics Luxury

Figure 1:

Door Locks and Fuses


Object Number: 319495  Size: FS
Power Door Systems Components
Power Door Locks Circuit Description Luxury
Door Lock Motors and Body Control Module
Cell 130: PWR ACCY Circuit Breaker, Door Lock Switches, Door Lock Motors,G202 (Pickup/Extended Cab)
Door Lock Motors and Body Control Module
Cell 14: G202 (2 of 4)
Cell 134: CIG LTR Fuse, Liftgate Release Switch, Park/Neutral Postion Switch (Luxury)
Cell 10: AUX Fuse and PWR-ACCY Circuit Breaker
Door Lock Motors and Body Control Module
Cell 10: LIGHTING and BATTERY Fuses
Cell 10: LIGHTING and BATTERY Fuses
Cell 10: CIG LTR Fuse
Handling ESD Sensitive Parts Notice
Figure 2:

Door Lock Motors and Body Control Module


Object Number: 319497  Size: FS
Power Door Systems Components
Power Door Locks Circuit Description Luxury
Door Locks and Fuses
Handling ESD Sensitive Parts Notice
Cell 10: ENG-1 Fuse
Handling ESD Sensitive Parts Notice