GM Service Manual Online
For 1990-2009 cars only

Interior Lights Schematics Base Pickup

Figure 1:

BCM, Dome Lamp, Courtesy Lamp Relay, Inadverent Power Relay, IP Courtesy Lamps


Object Number: 519090  Size: FS
Lighting Systems Components
Interior Lights Circuit Description
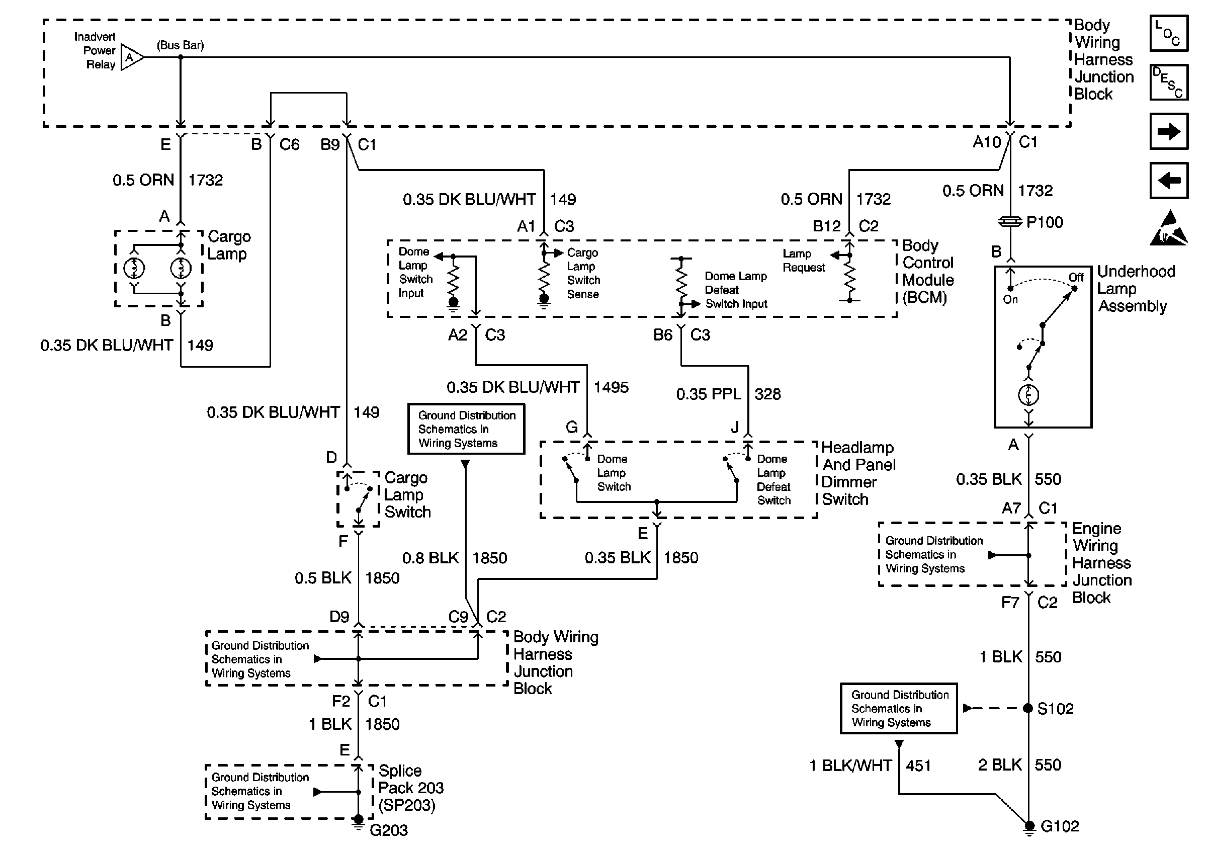
Cargo Lamp, Underhood Lamp, BCM, G203, G102, Headlamp and Panel Dimmer SwItch
Handling ESD Sensitive Parts Notice
Power Distribution Schematics
Cargo Lamp, Underhood Lamp, BCM, G203, G102, Headlamp and Panel Dimmer SwItch
Ground Distribution Schematics
Ground Distribution Schematics
Figure 2:

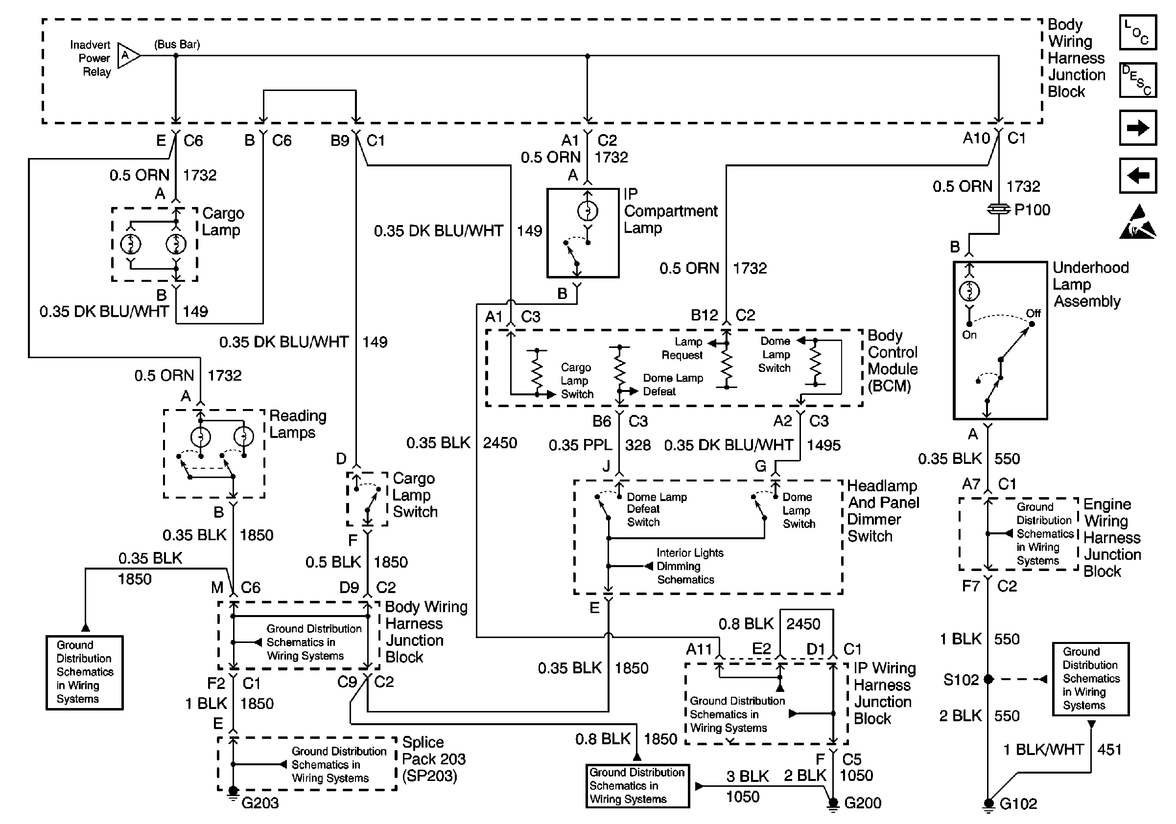
Cargo Lamp, Underhood Lamp, BCM, G203, G102, Headlamp and Panel Dimmer Switch


Object Number: 519091  Size: FS
Lighting Systems Components
Interior Lights Circuit Description
BCM, Parklamp Relay, LH Pwer Door Lock Switch, G203
BCM, Dome Lamp, Courtesy Lamp Relay, Inadvertent Power Relay, IP Courtesy Lamps
Handling ESD Sensitive Parts Notice
BCM, Dome Lamp, Courtesy Lamp Relay, Inadvertent Power Relay, IP Courtesy Lamps
Ground Distribution Schematics
Ground Distribution Schematics
Ground Distribution Schematics
Ground Distribution Schematics
Ground Distribution Schematics
Figure 3:

BCM, Parklamp Relay, LH Pwer Door Lock Switch, G203


Object Number: 519092  Size: FS
Lighting Systems Components
Interior Lights Circuit Description
BCM, G203, Door Jamb Switches
Cargo Lamp, Underhood Lamp, BCM, G203, G102, Headlamp and Panel Dimmer SwItch
Handling ESD Sensitive Parts Notice
Ground Distribution Schematics
Ground Distribution Schematics
Ground Distribution Schematics
Ground Distribution Schematics
Ground Distribution Schematics
Power Distribution Schematics
BCM, G203, Door Jamb Switches
Interior Lights Dimming Schematics Pickup
Exterior Lights Schematics
Figure 4:

BCM, G203, Door Jamb Switches


Object Number: 519093  Size: FS
Lighting Systems Components
Interior Lights Circuit Description
BCM, Parklamp Relay, LH Pwer Door Lock Switch, G203
Handling ESD Sensitive Parts Notice
Ground Distribution Schematics
Ground Distribution Schematics
Ground Distribution Schematics
Ground Distribution Schematics
Ground Distribution Schematics
BCM, Parklamp Relay, LH Pwer Door Lock Switch, G203

Interior Lights Schematics Uplevel Pickup

Figure 1:

Courtesy Lamp Relay, Inadverent Power Relay, BCM, Dome Lamp, IP Courtesy Lamps


Object Number: 519094  Size: FS
Lighting Systems Components
Interior Lights Circuit Description
Cargo Lamp, BCM, Reading Lamps, G102, G200, G203
Handling ESD Sensitive Parts Notice
Power Distribution Schematics
Cargo Lamp, BCM, Reading Lamps, G102, G200, G203
Ground Distribution Schematics
Ground Distribution Schematics
Figure 2:

Cargo Lamp, BCM, Reading Lamps, G102, G200, G203


Object Number: 519096  Size: FS
Lighting Systems Components
Interior Lights Circuit Description
Parklamp Relay, LF Power Window/Door Lock Switch, BCM, G203
Courtesy Lamp Relay, Inadvertent Power Relay, BCM, Dome Lamp, IP Courtesy Lamps
Handling ESD Sensitive Parts Notice
Ground Distribution Schematics
Ground Distribution Schematics
Ground Distribution Schematics
Ground Distribution Schematics
Ground Distribution Schematics
Ground Distribution Schematics
Courtesy Lamp Relay, Inadvertent Power Relay, BCM, Dome Lamp, IP Courtesy Lamps
Interior Lights Dimming Schematics Pickup
Ground Distribution Schematics
Figure 3:

Parklamp Relay, LF Power Window/Door Lock Switch, BCM, G203


Object Number: 519099  Size: FS
Power Distribution Schematics
Lighting Systems Components
Interior Lights Circuit Description
Door Jamb Switch, G200, G203, RF Power Window/Door Lock Switch
Cargo Lamp, BCM, Reading Lamps, G102, G200, G203
Handling ESD Sensitive Parts Notice
Ground Distribution Schematics
Ground Distribution Schematics
Door Jamb Switch, G200, G203, RF Power Window/Door Lock Switch
Exterior Lights Schematics
Interior Lights Dimming Schematics Pickup
Power Window Schematics Utilities
Figure 4:

Door Jamb Switch, G200, G203, RF Power Window/Door Lock Switch


Object Number: 519102  Size: FS
Lighting Systems Components
Interior Lights Circuit Description
Parklamp Relay, LF Power Window/Door Lock Switch, BCM, G203
Handling ESD Sensitive Parts Notice
Power Window Schematics Pickup
Ground Distribution Schematics
Exterior Lights Schematics
Parklamp Relay, LF Power Window/Door Lock Switch, BCM, G203
Ground Distribution Schematics
Ground Distribution Schematics
Power Window Schematics Utilities

Interior Lights Schematics Base Utilities

Figure 1:

Dome and IP Courtesy Lamps, Inadverent Power Relay


Object Number: 519104  Size: FS
Lighting Systems Components
Interior Lights Circuit Description
Courtesy Lamp Relay, Map Lamps, G102, G200, G203
Handling ESD Sensitive Parts Notice
Courtesy Lamp Relay, Map Lamps, G102, G200, G203
Courtesy Lamp Relay, Map Lamps, G102, G200, G203
Courtesy Lamp Relay, Map Lamps, G102, G200, G203
Power Distribution Schematics
Figure 2:

Courtesy Lamp Relay, Map Lamps, G102, G200, G203


Object Number: 519106  Size: FS
Ground Distribution Schematics
Dome and IP Courtesy Lamps, Inadvertent Power Relay
Ground Distribution Schematics
Ground Distribution Schematics
Ground Distribution Schematics
Ground Distribution Schematics
Ground Distribution Schematics
Dome and IP Courtesy Lamps, Inadvertent Power Relay
Dome and IP Courtesy Lamps, Inadvertent Power Relay
Dome and IP Courtesy Lamps, Inadvertent Power Relay
Lighting Systems Components
Interior Lights Circuit Description
Parklamp Relay, LF Power Door Lock Switch, BCM, Ashtray Lamp
Dome and IP Courtesy Lamps, Inadvertent Power Relay
Handling ESD Sensitive Parts Notice
Figure 3:

Parklamp Relay, LF Power Door Lock Switch, BCM, Ashtray Lamp


Object Number: 519108  Size: FS
Lighting Systems Components
Interior Lights Circuit Description
Door Jamb Switches, G200, G305, G306
Courtesy Lamp Relay, Map Lamps, G102, G200, G203
Handling ESD Sensitive Parts Notice
Door Jamb Switches, G200, G305, G306
Ground Distribution Schematics
Ground Distribution Schematics
Ground Distribution Schematics
Exterior Lights Schematics
Exterior Lights Schematics
Interior Lights Dimming Schematics Utilities
Power Distribution Schematics
Ground Distribution Schematics
Figure 4:

Door Jamb Switches, G200, G305, G306


Object Number: 519109  Size: FS
Lighting Systems Components
Interior Lights Circuit Description
Parklamp Relay, LF Power Door Lock Switch, BCM, Ashtray Lamp
Handling ESD Sensitive Parts Notice
Ground Distribution Schematics
Ground Distribution Schematics
Ground Distribution Schematics
Ground Distribution Schematics
Ground Distribution Schematics
Ground Distribution Schematics
Ground Distribution Schematics
Exterior Lights Schematics
Parklamp Relay, LF Power Door Lock Switch, BCM, Ashtray Lamp

Interior Lights Schematics Uplevel Utilities

Figure 1:

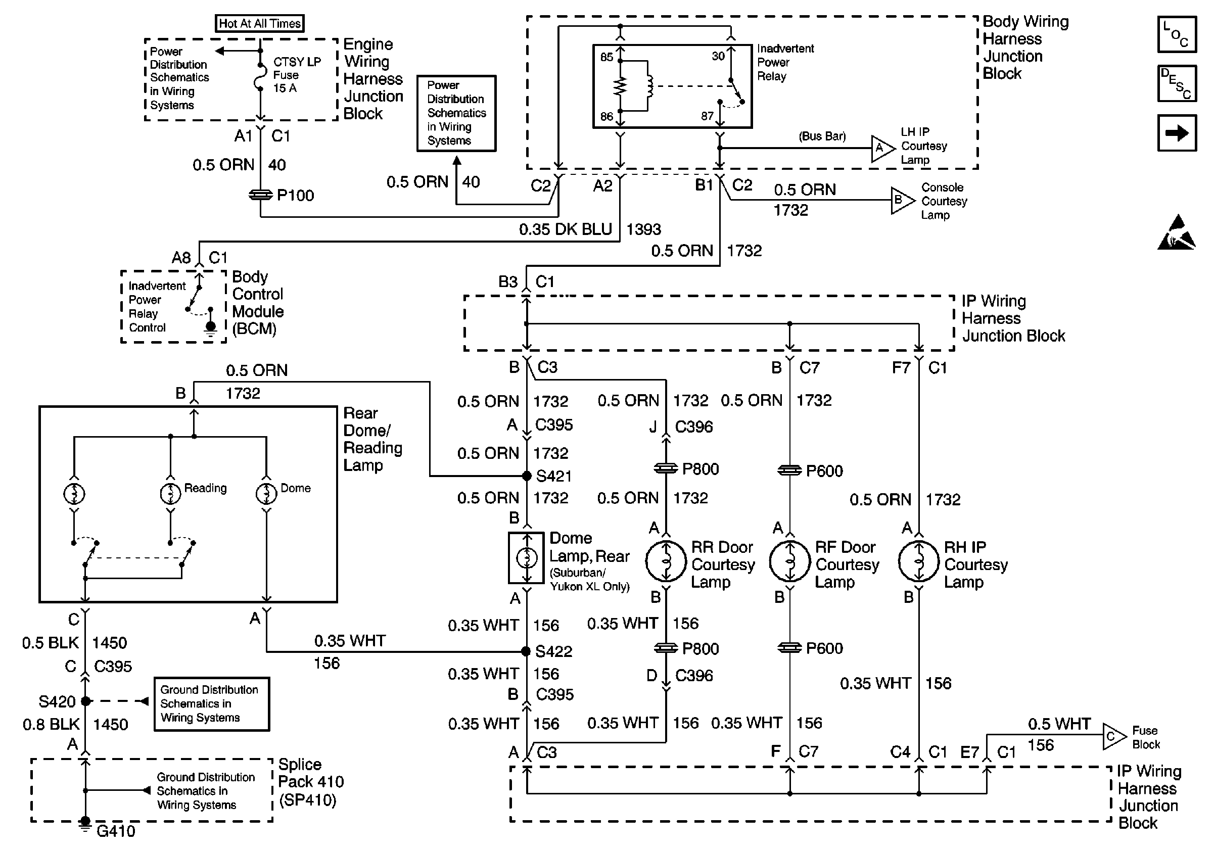
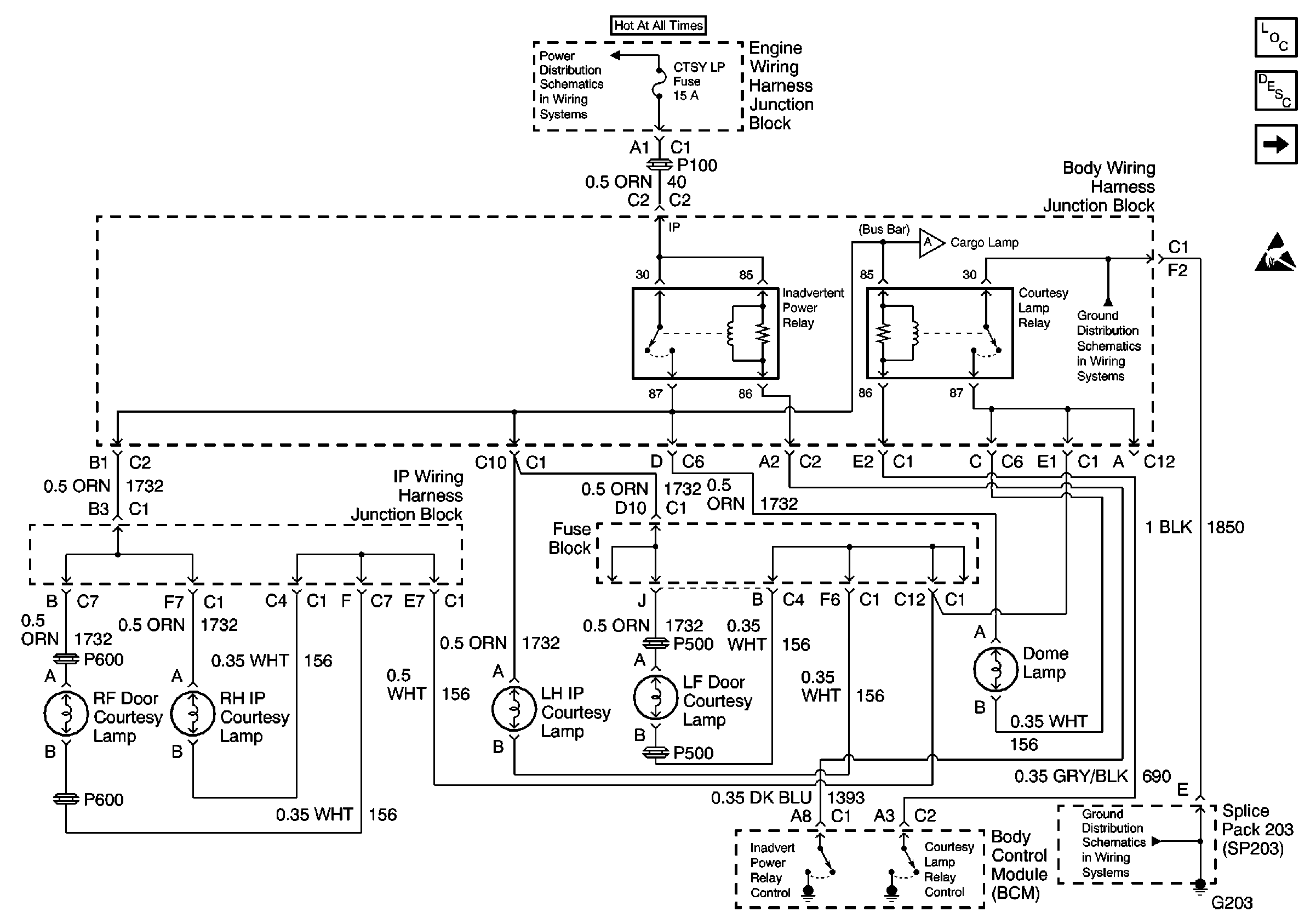
Inadverent Power Relay, Dome, Door and IP Courtesy Lamps


Object Number: 519111  Size: FS
Lighting Systems Components
Interior Lights Circuit Description
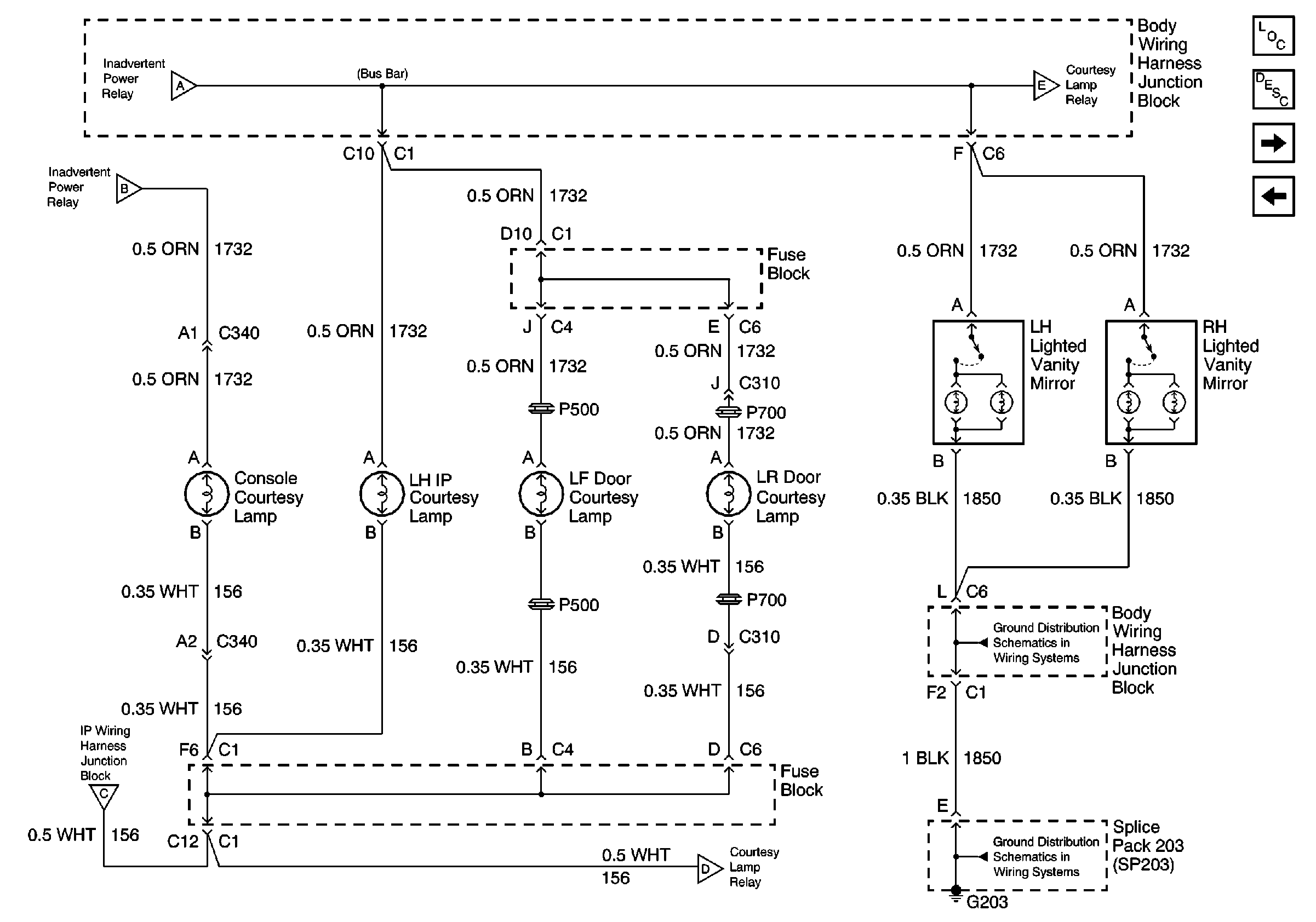
LH IP and Door Courtesy Lamps, Vanity Mirrors, G203
Handling ESD Sensitive Parts Notice
LH IP and Door Courtesy Lamps, Vanity Mirrors, G203
LH IP and Door Courtesy Lamps, Vanity Mirrors, G203
Power Distribution Schematics
Power Distribution Schematics
LH IP and Door Courtesy Lamps, Vanity Mirrors, G203
Ground Distribution Schematics
Ground Distribution Schematics
Figure 2:

LH IP and Door Courtesy Lamps, Vanity Mirrors, G203


Object Number: 519118  Size: FS
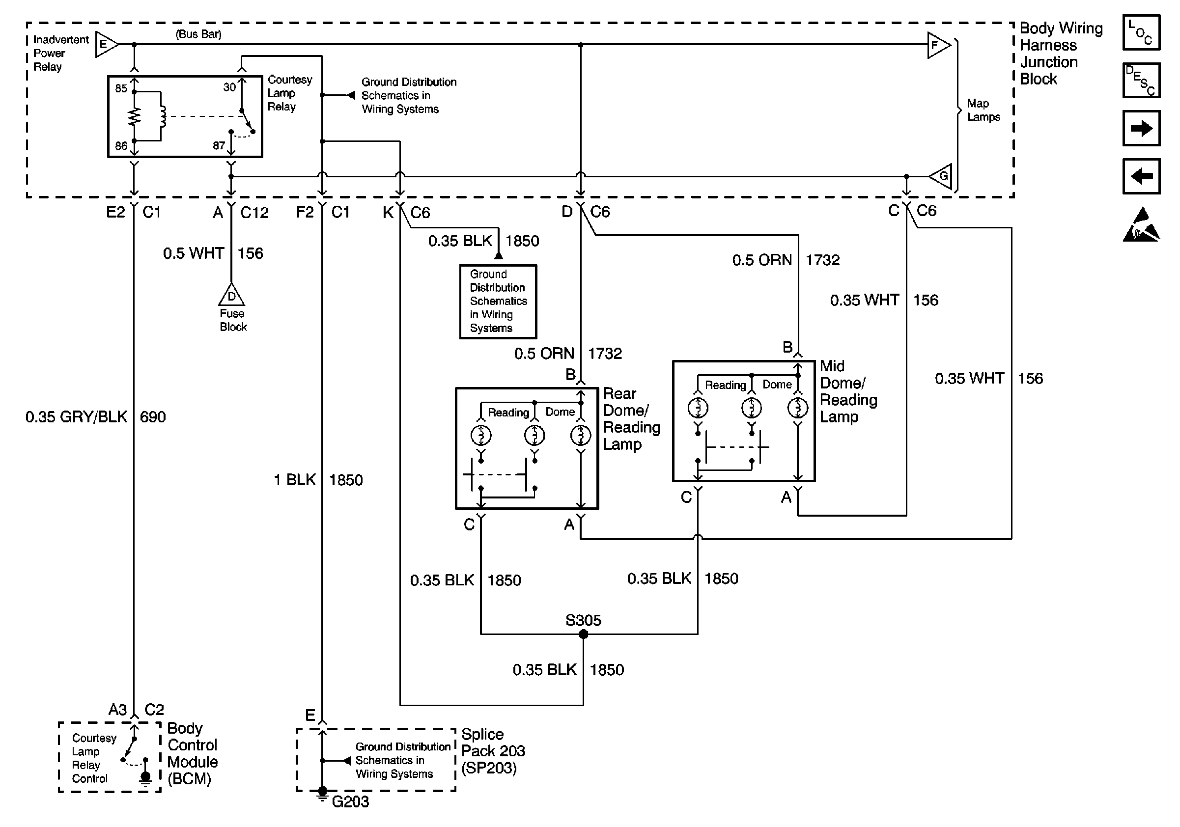
Dome/Reading Lamps, BCM, G203, Courtesy Lamp Relay
Inadvertent Power Relay, Dome, Door and IP Courtesy Lamps
Inadvertent Power Relay, Dome, Door and IP Courtesy Lamps
Inadvertent Power Relay, Dome, Door and IP Courtesy Lamps
Dome/Reading Lamps, BCM, G203, Courtesy Lamp Relay
Lighting Systems Components
Interior Lights Circuit Description
Dome/Reading Lamps, BCM, G203, Courtesy Lamp Relay
Inadvertent Power Relay, Dome, Door and IP Courtesy Lamps
Ground Distribution Schematics
Ground Distribution Schematics
Figure 3:

Dome/Reading Lamps, BCM, G203, Courtesy Lamp Relay


Object Number: 519120  Size: FS
Lighting Systems Components
Interior Lights Circuit Description
Maplamps, G200, G102, Underhood Lamp, I/P Compartment Lamp
LH IP and Door Courtesy Lamps, Vanity Mirrors, G203
Handling ESD Sensitive Parts Notice
Maplamps, G200, G102, Underhood Lamp, I/P Compartment Lamp
Maplamps, G200, G102, Underhood Lamp, I/P Compartment Lamp
Ground Distribution Schematics
Ground Distribution Schematics
LH IP and Door Courtesy Lamps, Vanity Mirrors, G203
LH IP and Door Courtesy Lamps, Vanity Mirrors, G203
Ground Distribution Schematics
Figure 4:

Maplamps, G200, G102, Underhood Lamp, I/P Compartment Lamp


Object Number: 519124  Size: FS
Lighting Systems Components
Interior Lights Circuit Description
BCM Parklamp Relay, G203, LF Power Window/Door Lock Switch
Dome/Reading Lamps, BCM, G203, Courtesy Lamp Relay
Handling ESD Sensitive Parts Notice
Ground Distribution Schematics
Ground Distribution Schematics
Ground Distribution Schematics
Ground Distribution Schematics
Ground Distribution Schematics
Dome/Reading Lamps, BCM, G203, Courtesy Lamp Relay
Dome/Reading Lamps, BCM, G203, Courtesy Lamp Relay
Figure 5:

BCM Parklamp Relay, G203, LF Power Window/Door Lock Switch


Object Number: 519142  Size: FS
Lighting Systems Components
Interior Lights Circuit Description
Rear Power Window Switches, G200, G305, G306
Maplamps, G200, G102, Underhood Lamp, I/P Compartment Lamp
Handling ESD Sensitive Parts Notice
Rear Power Window Switches, G200, G305, G306
Console Lamps, G203, RSA
Ground Distribution Schematics
Ground Distribution Schematics
Power Window Schematics Pickup
Exterior Lights Schematics
Interior Lights Dimming Schematics Pickup
Power Distribution Schematics
Figure 6:

Rear Power Window Switches, G200, G305, G306


Object Number: 519144  Size: FS
BCM Parklamp Relay, G203, LF Power Window/Door Lock Switch
Lighting Systems Components
Interior Lights Circuit Description
Console Lamps, G203, RSA
BCM Parklamp Relay, G203, LF Power Window/Door Lock Switch
Exterior Lights Schematics
Power Window Schematics Pickup
Ground Distribution Schematics
Ground Distribution Schematics
Ground Distribution Schematics
Ground Distribution Schematics
Power Window Schematics Pickup
Sunroof Schematics
Power Window Schematics Pickup
Ground Distribution Schematics
Figure 7:

Door Jamb Switches -- 4DR


Object Number: 492530  Size: FS
Figure 8:

Door Key Switch -- Rear, Door Jamb Switches


Object Number: 492533  Size: FS
Figure 9:

Console Lamps, G203, RSA


Object Number: 519148  Size: FS
BCM Parklamp Relay, G203, LF Power Window/Door Lock Switch
Ground Distribution Schematics
Ground Distribution Schematics
Lighting Systems Components
Interior Lights Circuit Description
Rear Power Window Switches, G200, G305, G306