GM Service Manual Online
For 1990-2009 cars only
Figure 1:

Power and Ground, Key-In Ignition Switch


Object Number: 492507  Size: FS
Power Distribution Schematics
Power Distribution Schematics
Power Distribution Schematics
Power Distribution Schematics
Power Distribution Schematics
Ground Distribution Schematics
Ground Distribution Schematics
Ground Distribution Schematics
Ground Distribution Schematics
Body Control Module Components
Body Control System Circuit Description
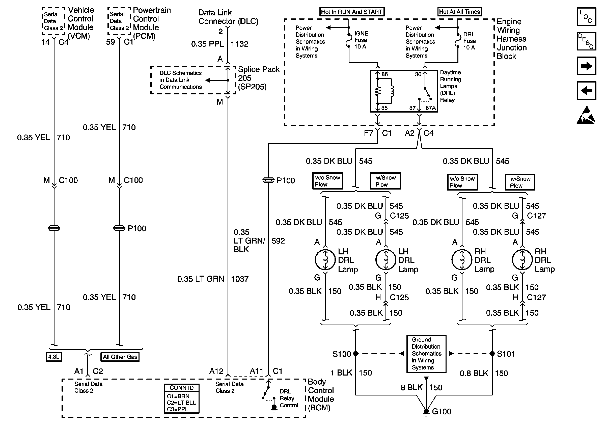
DLC, DLR, Relay, DRL Lamps, G100
Handling ESD Sensitive Parts Notice
Handling ESD Sensitive Parts Notice
Figure 2:

DLC, DLR, Relay, DRL Lamps, G100


Object Number: 492508  Size: FS
Body Control Module Components
Body Control System Circuit Description
PARK LPS Fuse, Park Lamp Relay, Headlamp and Panel Lamp Dimmer Switch
Power and Ground, Key-In Ignition Switch
Handling ESD Sensitive Parts Notice
Power Distribution Schematics
Data Link Connector Schematics
Ground Distribution Schematics
Power Distribution Schematics
Figure 3:

PARK LPS Fuse, Park Lamp Relay, Headlamp and Panel Lamp Dimmer Switch


Object Number: 492509  Size: FS
Body Control Module Components
Body Control System Circuit Description
Fog Lamp Relay, Fog Lamp Switch, G100, SP203
DLC, DLR, Relay, DRL Lamps, G100
Handling ESD Sensitive Parts Notice
Power Distribution Schematics
Exterior Lights Schematics
Interior Lights Schematics Base Pickup
Interior Lights Schematics Base Pickup
Fog Lamp Relay, Fog Lamp Switch, G100, SP203
Figure 4:

Fog Lamp Relay, Fog Lamp Switch, G100, SP203


Object Number: 492510  Size: FS
Body Control Module Components
Body Control System Circuit Description
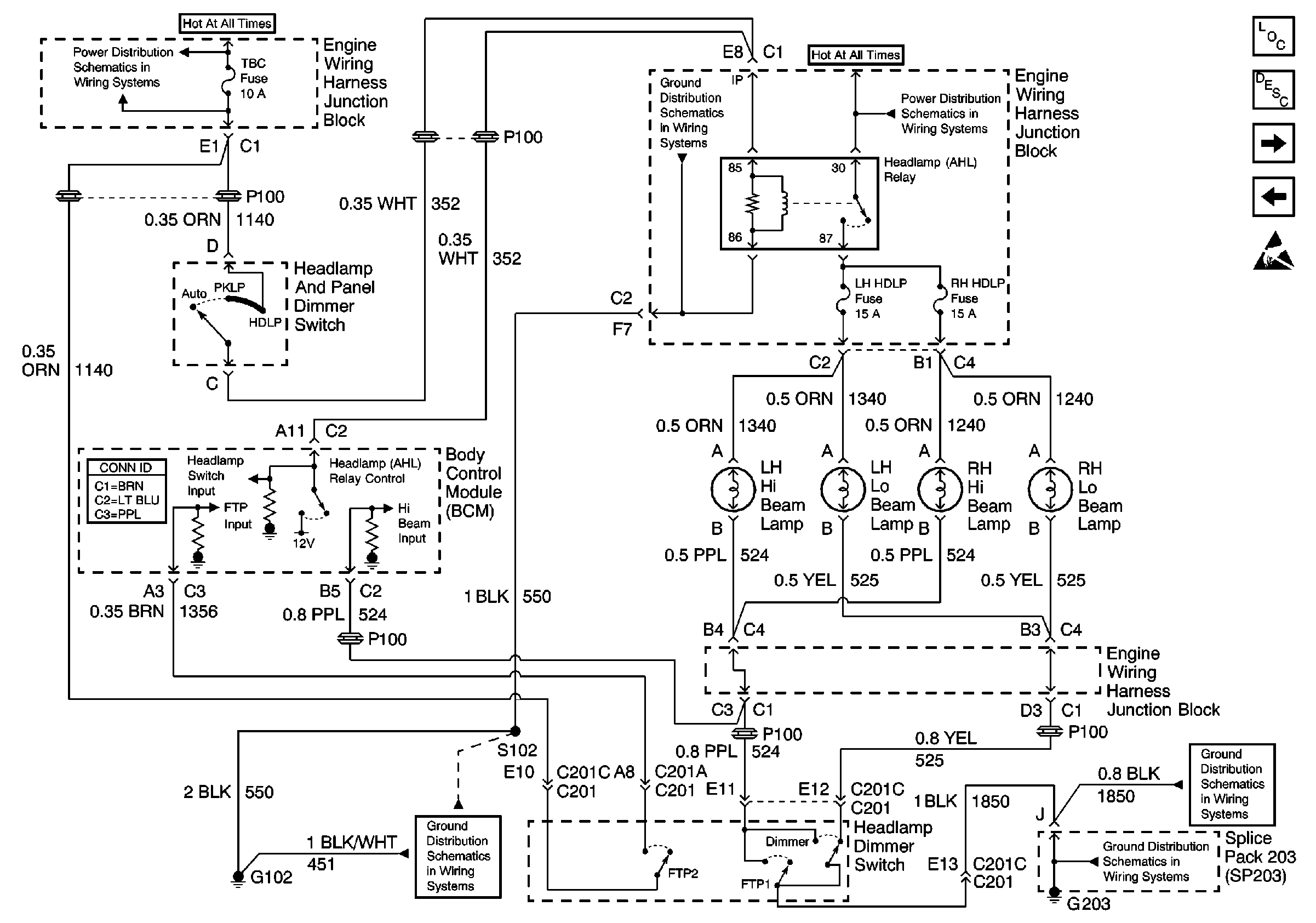
AHL Relay, G102, SP203, Headlamp Dimmer Switch, Headlamps
PARK LPS Fuse, Park Lamp Relay, Headlamp and Panel Lamp Dimmer Switch
Handling ESD Sensitive Parts Notice
PARK LPS Fuse, Park Lamp Relay, Headlamp and Panel Lamp Dimmer Switch
Power Distribution Schematics
Exterior Lights Schematics
Interior Lights Schematics Base Pickup
Ground Distribution Schematics
Ground Distribution Schematics
Ground Distribution Schematics
Ground Distribution Schematics
Figure 5:

AHL Relay, G102, SP203, Headlamp Dimmer Switch, Headlamps


Object Number: 492511  Size: FS
Body Control Module Components
Body Control System Circuit Description
Cell 51: (AHL Relay, Headlamp Delay Switch, Headlamp Dimmer Switch, SP203, G102)
Fog Lamp Relay, Fog Lamp Switch, G100, SP203
Handling ESD Sensitive Parts Notice
Ground Distribution Schematics
Power Distribution Schematics
Ground Distribution Schematics
Ground Distribution Schematics
Ground Distribution Schematics
Power Distribution Schematics
Figure 6:

Inadvertent Power Relay, Courtesy Lamp Relay, Cargo Lamp


Object Number: 492513  Size: FS
Power Distribution Schematics
Interior Lights Schematics Base Pickup
Interior Lights Schematics Base Pickup
Ground Distribution Schematics
Interior Lights Schematics Base Pickup
Ground Distribution Schematics
Interior Lights Schematics Base Pickup
Body Control Module Components
Body Control System Circuit Description
Horn Relay, Ambient Light Sensor, Horns, Headlamp and Panel Dimmer Switch
Cell 51: (AHL Relay, Headlamp Delay Switch, Headlamp Dimmer Switch, SP203, G102)
Handling ESD Sensitive Parts Notice
Handling ESD Sensitive Parts Notice
Figure 7:

Horn Relay, Ambient Light Sensor, Horns, Headlamp and Panel Dimmer Switch


Object Number: 492514  Size: FS
Exterior Lights Schematics
Interior Lights Dimming Schematics Pickup
Ground Distribution Schematics
Ground Distribution Schematics
Interior Lights Dimming Schematics Pickup
Ground Distribution Schematics
Handling ESD Sensitive Parts Notice
Ground Distribution Schematics
Power Distribution Schematics
Body Control Module Components
Body Control System Circuit Description
RAP Relay, Turn/Hazard Switch, IP Cluster
Inadvertent Power Relay, Courtesy Lamp Relay, Cargo Lamp
Handling ESD Sensitive Parts Notice
Figure 8:

RAP Relay, Turn/Hazard Switch, IP Cluster


Object Number: 492515  Size: FS
Body Control Module Components
Body Control System Circuit Description
Passlock Sensor, EVO Solenoid, Steering Handwheel Speed/Position Sensor
Horn Relay, Ambient Light Sensor, Horns, Headlamp and Panel Dimmer Switch
Handling ESD Sensitive Parts Notice
Power Distribution Schematics
Power Distribution Schematics
Power Distribution Schematics
Power Distribution Schematics
Exterior Lights Schematics
Exterior Lights Schematics
Handling ESD Sensitive Parts Notice
Figure 9:

Passlock Sensor, EVO Solenoid, Steering Handwheel Speed/Position Sensor


Object Number: 492516  Size: FS
Body Control Module Components
Body Control System Circuit Description
VSS Circuit, Park Brake Switch, Traction Assist Switch
RAP Relay, Turn/Hazard Switch, IP Cluster
Handling ESD Sensitive Parts Notice
Handling ESD Sensitive Parts Notice
Handling ESD Sensitive Parts Notice
Figure 10:

VSS Circuit, Park Brake Switch, Traction Assist Switch


Object Number: 492518  Size: FS
Handling ESD Sensitive Parts Notice
Body Control Module Components
Body Control System Circuit Description
Tow/Haul Switch, Seat Belt Switch, SP203, G304
Passlock Sensor, EVO Solenoid, Steering Handwheel Speed/Position Sensor
Figure 11:

Tow/Haul Switch, Seat Belt Switch, SP203, G304


Object Number: 492519  Size: FS
Interior Lights Dimming Schematics Pickup
Ground Distribution Schematics
Ground Distribution Schematics
Ground Distribution Schematics
Ground Distribution Schematics
Body Control Module Components
Body Control System Circuit Description
Puddle Lamp Relay, Puddle Lamps, SE001 Fuse, G200, SP203
VSS Circuit, Park Brake Switch, Traction Assist Switch
Handling ESD Sensitive Parts Notice
Figure 12:

Puddle Lamp Relay, Puddle Lamps, SE001 Fuse, G200, SP203


Object Number: 492520  Size: FS
Ground Distribution Schematics
Power Window Schematics Pickup
Power Window Schematics Pickup
Ground Distribution Schematics
Ground Distribution Schematics
Ground Distribution Schematics
Power Distribution Schematics
Power Distribution Schematics
Outside Rearview Mirror Schematics
Outside Rearview Mirror Schematics
Body Control Module Components
Body Control System Circuit Description
Door Lock Switches, Door Lock and Unlock Relay-2DR
Tow/Haul Switch, Seat Belt Switch, SP203, G304
Handling ESD Sensitive Parts Notice
Figure 13:

Door Lock Switches, Door Lock and Unlock Relay-2DR


Object Number: 492521  Size: FS
Power Distribution Schematics
Power Distribution Schematics
Door Lock/Indicator Schematics Base Pickup
Ground Distribution Schematics
Ground Distribution Schematics
Ground Distribution Schematics
Door Lock/Indicator Schematics Base Pickup
Body Control Module Components
Body Control System Circuit Description
Door Lock Switches and Relays-2DR Uplevel
Puddle Lamp Relay, Puddle Lamps, SE001 Fuse, G200, SP203
Handling ESD Sensitive Parts Notice
Figure 14:

Door Lock Switches and Relays-2DR Uplevel


Object Number: 492522  Size: FS
Power Distribution Schematics
Power Distribution Schematics
Door Lock/Indicator Schematics Base Pickup
Ground Distribution Schematics
Door Lock/Indicator Schematics Base Pickup
Ground Distribution Schematics
Body Control Module Components
Body Control System Circuit Description
Door Lock Switches and Relays-4DR-Base
Door Lock Switches, Door Lock and Unlock Relay-2DR
Handling ESD Sensitive Parts Notice
Figure 15:

Door Lock Switches and Relays-4DR-Base


Object Number: 492523  Size: FS
Body Control Module Components
Body Control System Circuit Description
Door Lock Switches and Relays-4DR-Uplevel
Door Lock Switches and Relays-2DR Uplevel
Handling ESD Sensitive Parts Notice
Power Distribution Schematics
Power Distribution Schematics
Door Lock/Indicator Schematics Base Pickup
Ground Distribution Schematics
Ground Distribution Schematics
Door Lock/Indicator Schematics Base Pickup
Ground Distribution Schematics
Figure 16:

Door Lock Switches and Relays-4DR-Uplevel


Object Number: 492524  Size: FS
Body Control Module Components
Body Control System Circuit Description
Door Jamb Switches 2DR-Uplevel
Door Lock Switches and Relays-4DR-Base
Handling ESD Sensitive Parts Notice
Power Distribution Schematics
Power Distribution Schematics
Ground Distribution Schematics
Ground Distribution Schematics
Door Lock/Indicator Schematics Base Pickup
Door Lock/Indicator Schematics Base Pickup
Figure 17:

Door Jamb Switches 2DR-Uplevel


Object Number: 492525  Size: FS
Ground Distribution Schematics
Ground Distribution Schematics
Ground Distribution Schematics
Ground Distribution Schematics
Ground Distribution Schematics
Ground Distribution Schematics
Ground Distribution Schematics
Handling ESD Sensitive Parts Notice
Handling ESD Sensitive Parts Notice
Body Control Module Components
Body Control System Circuit Description
Door Jamb Switches 2DR-Uplevel
Door Lock Switches and Relays-4DR-Uplevel
Figure 18:

Door Jamb Switches 2DR-Uplevel


Object Number: 492526  Size: FS
Handling ESD Sensitive Parts Notice
Body Control Module Components
Body Control System Circuit Description
Door Jamb Switches 4DR-Base
Door Jamb Switches 2DR-Uplevel
Handling ESD Sensitive Parts Notice
Ground Distribution Schematics
Ground Distribution Schematics
Ground Distribution Schematics
Ground Distribution Schematics
Ground Distribution Schematics
Ground Distribution Schematics
Figure 19:

Door Jamb Switches 4DR-Base


Object Number: 492527  Size: FS
Ground Distribution Schematics
Ground Distribution Schematics
Ground Distribution Schematics
Ground Distribution Schematics
Ground Distribution Schematics
Ground Distribution Schematics
Ground Distribution Schematics
Body Control Module Components
Body Control System Circuit Description
Rear Door Jamb Switches 4DR-Base and Uplevel
Door Jamb Switches 2DR-Uplevel
Handling ESD Sensitive Parts Notice
Handling ESD Sensitive Parts Notice
Figure 20:

Rear Door Jamb Switches 4DR-Base and Uplevel


Object Number: 492529  Size: FS
Ground Distribution Schematics
Ground Distribution Schematics
Ground Distribution Schematics
Handling ESD Sensitive Parts Notice
Body Control Module Components
Body Control System Circuit Description
Door Jamb Switches 4DR-Uplevel
Door Jamb Switches 4DR-Base
Figure 21:

Door Jamb Switches 4DR-Uplevel


Object Number: 492530  Size: FS
Body Control Module Components
Body Control System Circuit Description
Door Key Switch-Rear, Door Jamb Switches-4DR-Uplevel
Rear Door Jamb Switches 4DR-Base and Uplevel
Handling ESD Sensitive Parts Notice
Ground Distribution Schematics
Ground Distribution Schematics
Ground Distribution Schematics
Ground Distribution Schematics
Ground Distribution Schematics
Ground Distribution Schematics
Ground Distribution Schematics
Door Key Switch-Rear, Door Jamb Switches-4DR-Uplevel
Door Key Switch-Rear, Door Jamb Switches-4DR-Uplevel
Door Key Switch-Rear, Door Jamb Switches-4DR-Uplevel
Figure 22:

Door Key Switch-Rear, Door Jamb Switches-4DR-Uplevel


Object Number: 492533  Size: FS
Body Control Module Components
Body Control System Circuit Description
Door Jamb Switches 4DR-Uplevel
Door Jamb Switches 4DR-Uplevel
Door Jamb Switches 4DR-Uplevel
Door Jamb Switches 4DR-Uplevel
Ground Distribution Schematics
Ground Distribution Schematics
Ground Distribution Schematics
Ground Distribution Schematics
Ground Distribution Schematics