GM Service Manual Online
For 1990-2009 cars only
Makes
🢒
Chevrolet
🢒
2006
🢒
Tahoe - 2WD
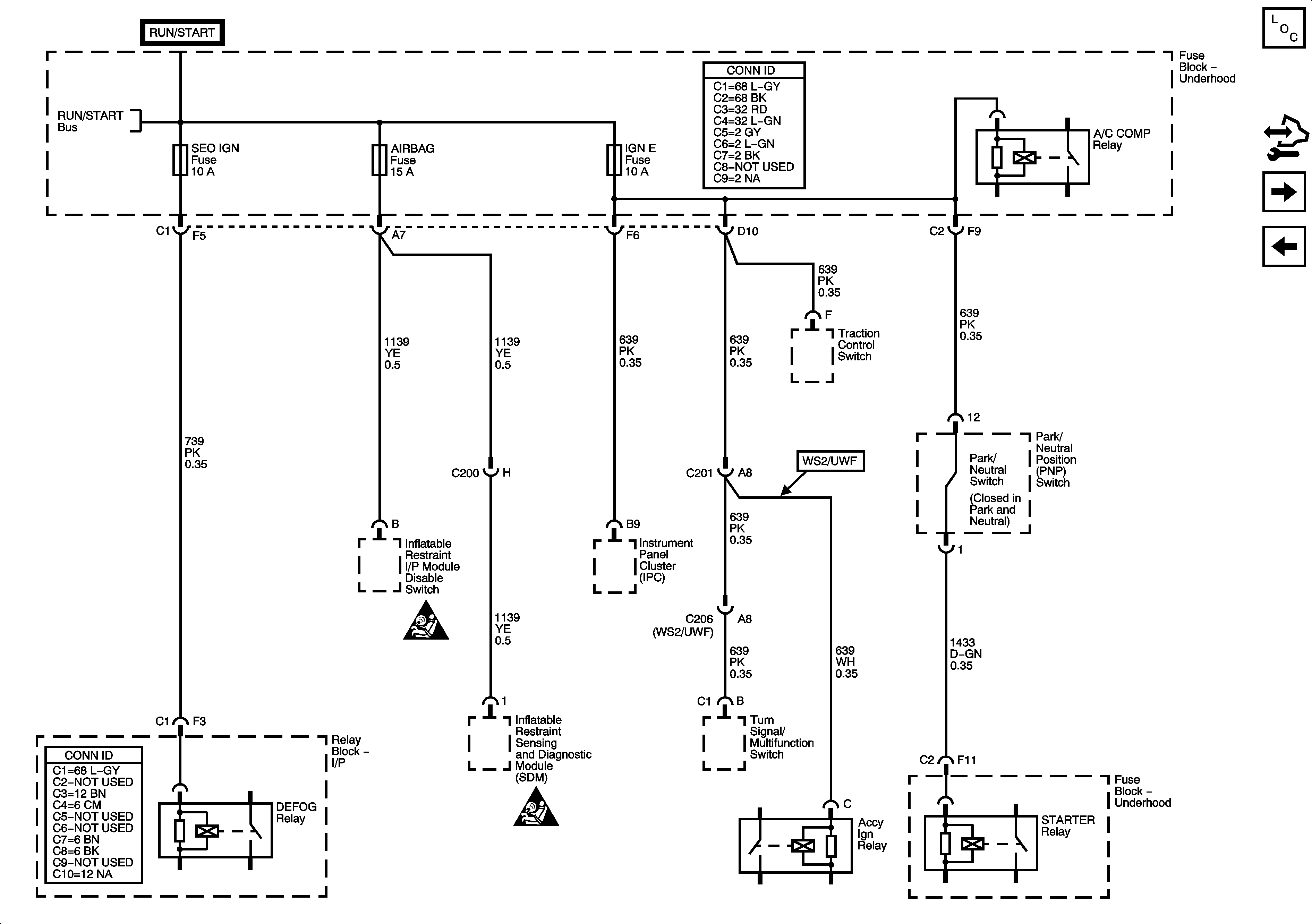
🢒 AIR BAG, IGN E, and SEO IGN Fuses
AIR BAG, IGN E, and SEO IGN Fuses
IGN E, SEO IGN and SIR Fuses
Master Electrical Component List
Control Module References
IGN 0, RR WPR, SEO ACCY, TBC ACCY, TBC IGN 0, and WS WPR Fuses
B/U LP, BTSI, 02A, 02B, TBC IGN1, and TRL B/U Fuses
Ignition Switch - ACCY/RUN and RUN/START Bus Bars and IGN B Fuse
Ignition Switch - ACCY/RUN and RUN/START Bus Bars and IGN B Fuse
SIR Schematic Icons
SIR Schematic Icons