GM Service Manual Online
For 1990-2009 cars only
Makes
🢒
Chevrolet
🢒
2006
🢒
Tahoe - 2WD
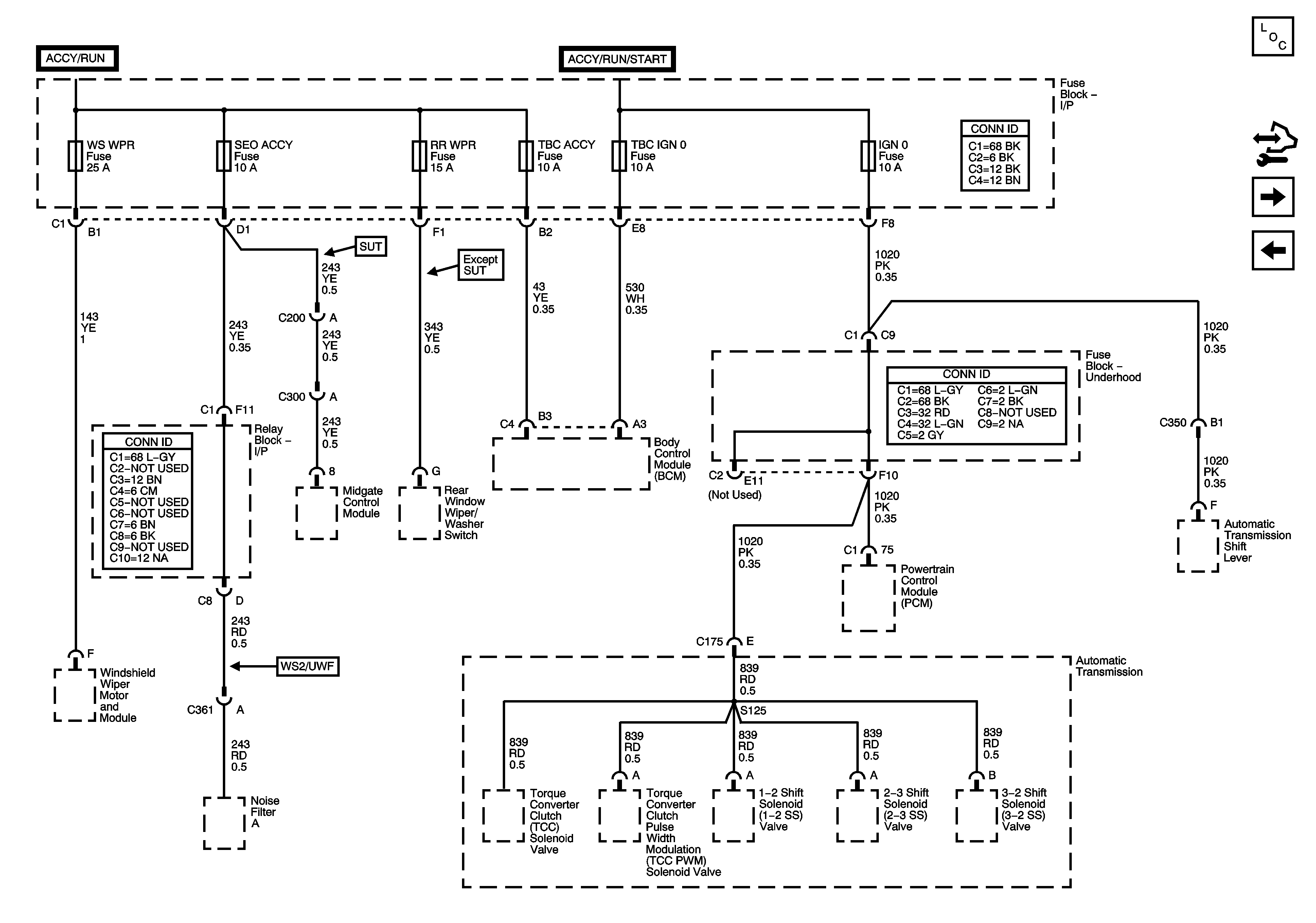
🢒 IGN 0, RR WPR, SEO ACCY, TBC ACCY, TBC IGN 0, and WS WPR Fuses
IGN 0, RR WPR, SEO ACCY, TBC ACCY, TBC IGN 0, and WS WPR Fuses
IGN 0, RR WPR, SEO ACCY, TBC ACCY, TBC IGN 0, and WS WPR Fuses
Master Electrical Component List
Control Module References
4WD, BRAKE, CRUISE, HVAC 1, and IGN 3 Fuses
AIR BAG, IGN E, and SEO IGN Fuses
Ignition Switch - ACCY/RUN and RUN/START Bus Bars and IGN B Fuse
Ignition Switch - ACCY/RUN/START, RUN and START Bus Bars, and CRANK and IGN A Fuses