GM Service Manual Online
For 1990-2009 cars only
Makes
🢒
Chevrolet
🢒
2006
🢒
Tahoe - 2WD
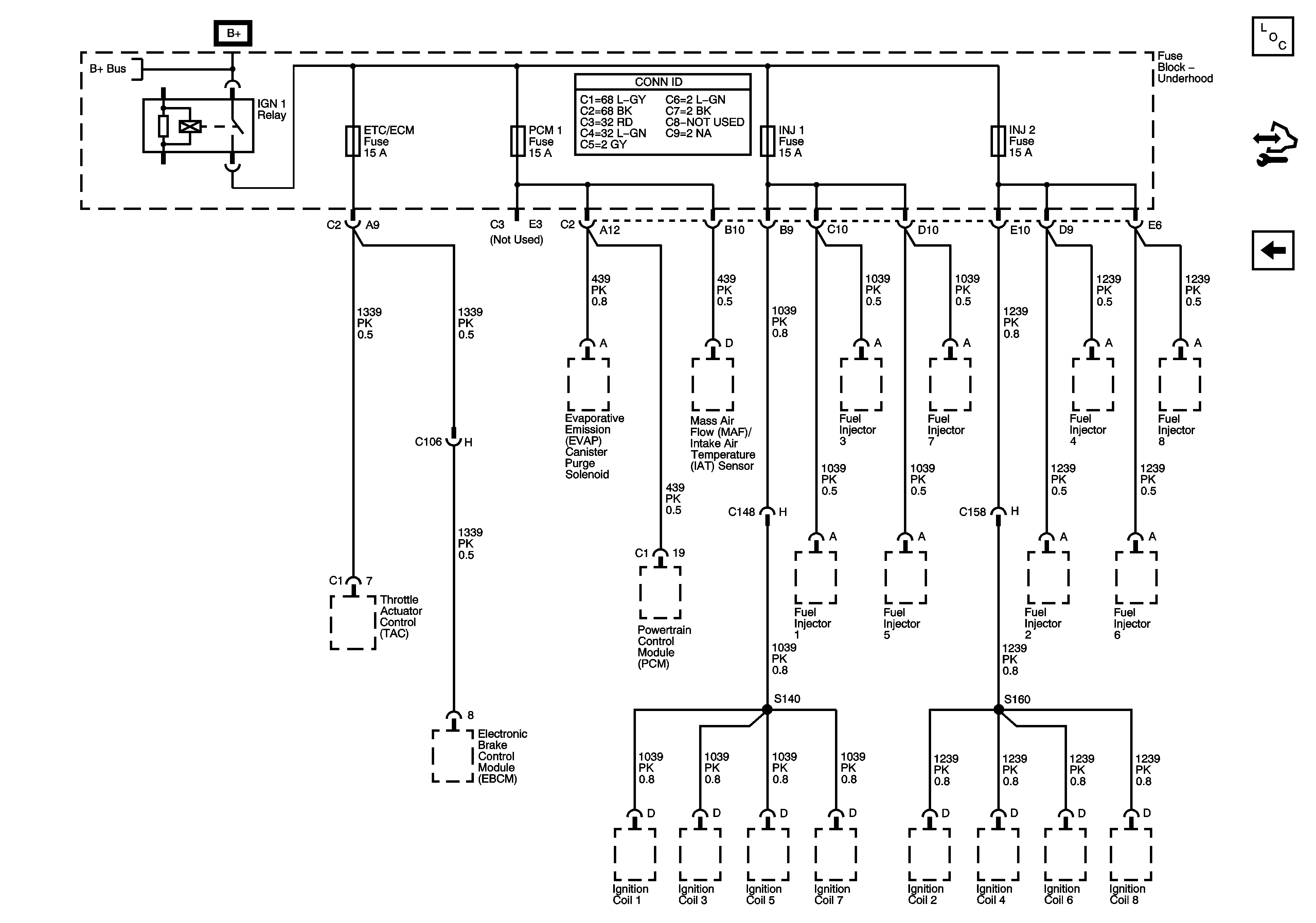
🢒 ETC/ECM, INJ 1, INJ 2, and PCM 1 Fuses
ETC/ECM, INJ 1, INJ 2, and PCM 1 Fuses
ETC/ECM, INJ 1, INJ 2, and PCM 1 Fuses
Master Electrical Component List
Control Module References
HI HDLP LT, HI HDLP RT, LO HDLP LT, and LO HDLP RT Fuses
HVAC/ECAS, IPC/DIC, PCM B, SEO B1, SEO B2, TBC BATT, and TREC Fuses
HVAC/ECAS, IPC/DIC, PCM B, SEO B1, SEO B2, TBC BATT, and TREC Fuses