GM Service Manual Online
For 1990-2009 cars only
Makes
🢒
Chevrolet
🢒
2006
🢒
Tahoe - 2WD
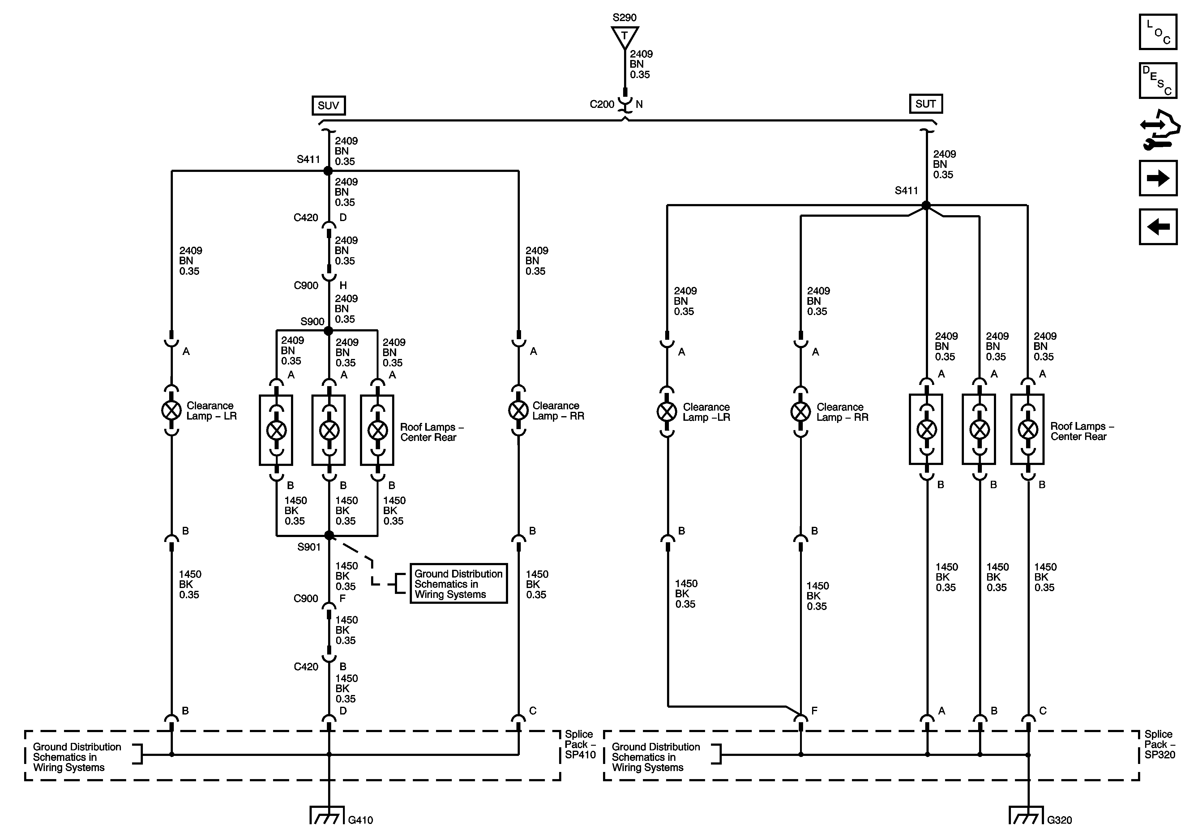
🢒 Roof Lamps - Rear
Roof Lamps - Rear
Roof Lamps -- Rear
Master Electrical Component List
Interior Lighting Systems Description and Operation
Control Module References
Roof Lamps - Front
Turn Signal/Hazard Switch and Flasher Module
Tail Lamps, Rear Marker, and License Lamps
G300, G310, G401, and G403
G300, G310, G401, and G403
G402, G405, and G410
G320 (SUT)
G320 (SUT)