GM Service Manual Online
For 1990-2009 cars only
Figure 1:

Power, Ground, MIL, and Serial Data


Object Number: 691491  Size: FS
Master Electrical Component List
Throttle Actuator Control (TAC) System Description
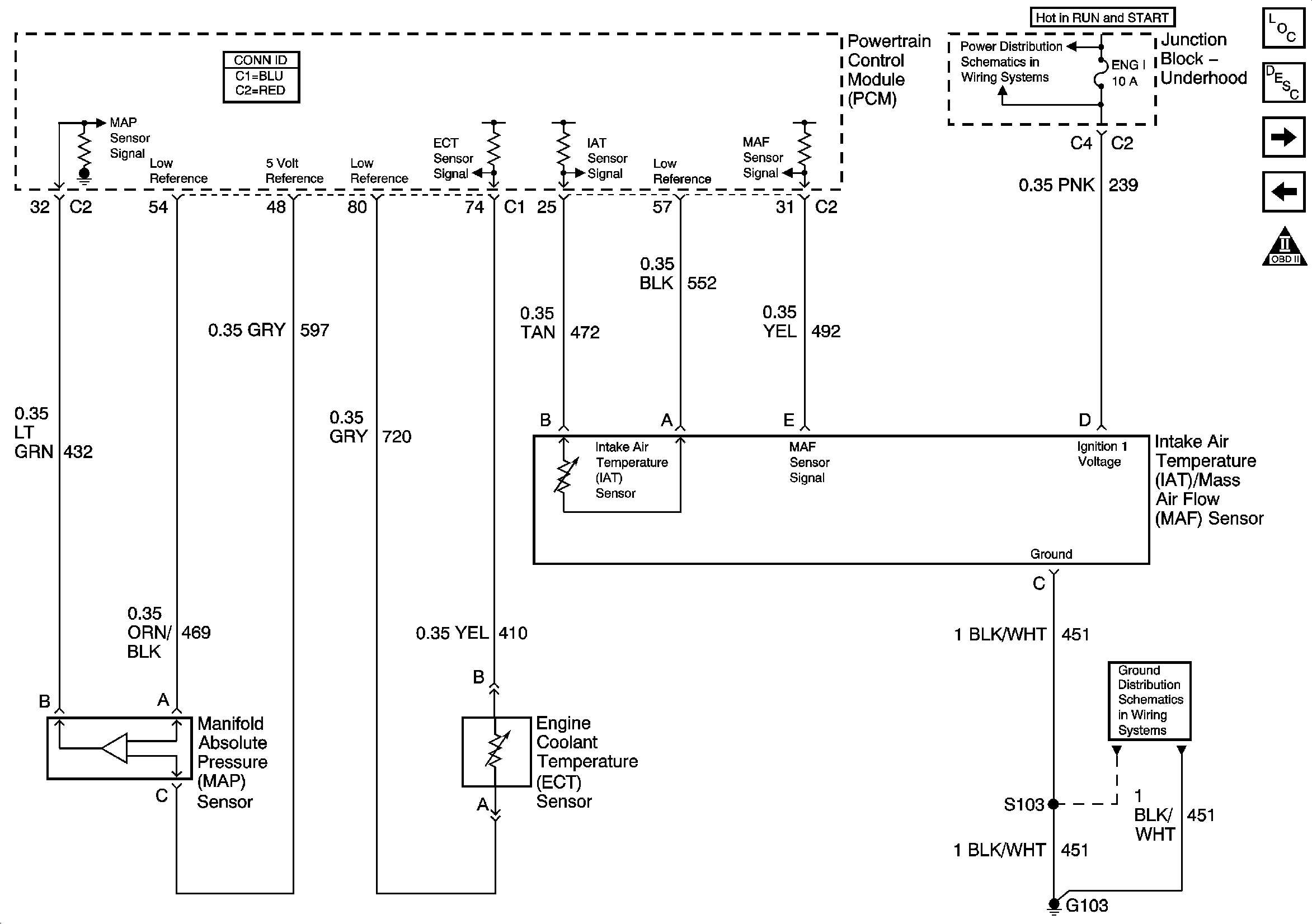
PCM, ENG 1 Fuse, Engine Coolant Temperature (ECT) Sensor, and MAP Sensor
OBD II Symbol Description Notice
B+ Bus Bar
IGN 1 Relay, and ECM 1, ETC, INJA, INJB Fuses - Gas
IGNITION, RUN, and START Bus Bar
Power and Ground
RTD, RDO AMP, CRANK, and IGN 0 Fuses
IGN 1, AIR BAG, and SEO IGN Fuses
G103 and G105 - Gas
Figure 2:

PCM, ENG 1 Fuse, Engine Coolant Temperature (ECT) Sensor and MAP Sensor


Object Number: 672678  Size: FS
Master Electrical Component List
Throttle Actuator Control (TAC) System Description
Engine Data Sensors - VSS
Power, Ground, and IPC
OBD II Symbol Description Notice
IGNITION, RUN, and START Bus Bar
G103 and G105 - Gas
Figure 3:

Engine Data Sensors - VSS


Object Number: 672683  Size: FS
Master Electrical Component List
Powertrain Control Module Description
Data Link Communications
PCM, ENG 1 Fuse, Engine Coolant Temperature (ECT) Sensor, and MAP Sensor
OBD II Symbol Description Notice
Power, Ground, and Stop Lamp Switch TCC Signal Circuit
Gauges, VSS, and Engine Oil Signals
Figure 4:

INJ B Fuse, Ignition Coils, and PCM


Object Number: 672692  Size: FS
Master Electrical Component List
Throttle Actuator Control (TAC) System Description
INJ A Fuse, Ignition Coils, and PCM
Engine Data Sensors - VSS
OBD II Symbol Description Notice
IGN 1 Relay, and ECM 1, ETC, INJA, INJB Fuses - Gas
G104 - Gas
Figure 5:

INJ A Fuse, Ignition Coils, and PCM


Object Number: 672696  Size: FS
Master Electrical Component List
Throttle Actuator Control (TAC) System Description
Camshaft Position Sensor (CMP), Crankshaft Position Sensor (CKP), and Knock Sensors
INJ B Fuse, Ignition Coils, and PCM
OBD II Symbol Description Notice
IGN 1 Relay, and ECM 1, ETC, INJA, INJB Fuses - Gas
G103 and G105 - Gas
Figure 6:

Camshaft Position Sensor (CMP), Crankshaft Position Sensor (CKP), and Knock Sensors


Object Number: 672699  Size: FS
Master Electrical Component List
Throttle Actuator Control (TAC) System Description
Fuel Pump Relay, Fuel Tank Pressure Sensor, Primary and Secondary Fuel Pump and Sender Assemblies
INJ A Fuse, Ignition Coils, and PCM
OBD II Symbol Description Notice
Figure 7:

Fuel Pump Relay, Fuel Tank Pressure Sensor, Primary and Secondary Fuel Pump and Sender Assemblies


Object Number: 672702  Size: FS
Master Electrical Component List
Throttle Actuator Control (TAC) System Description
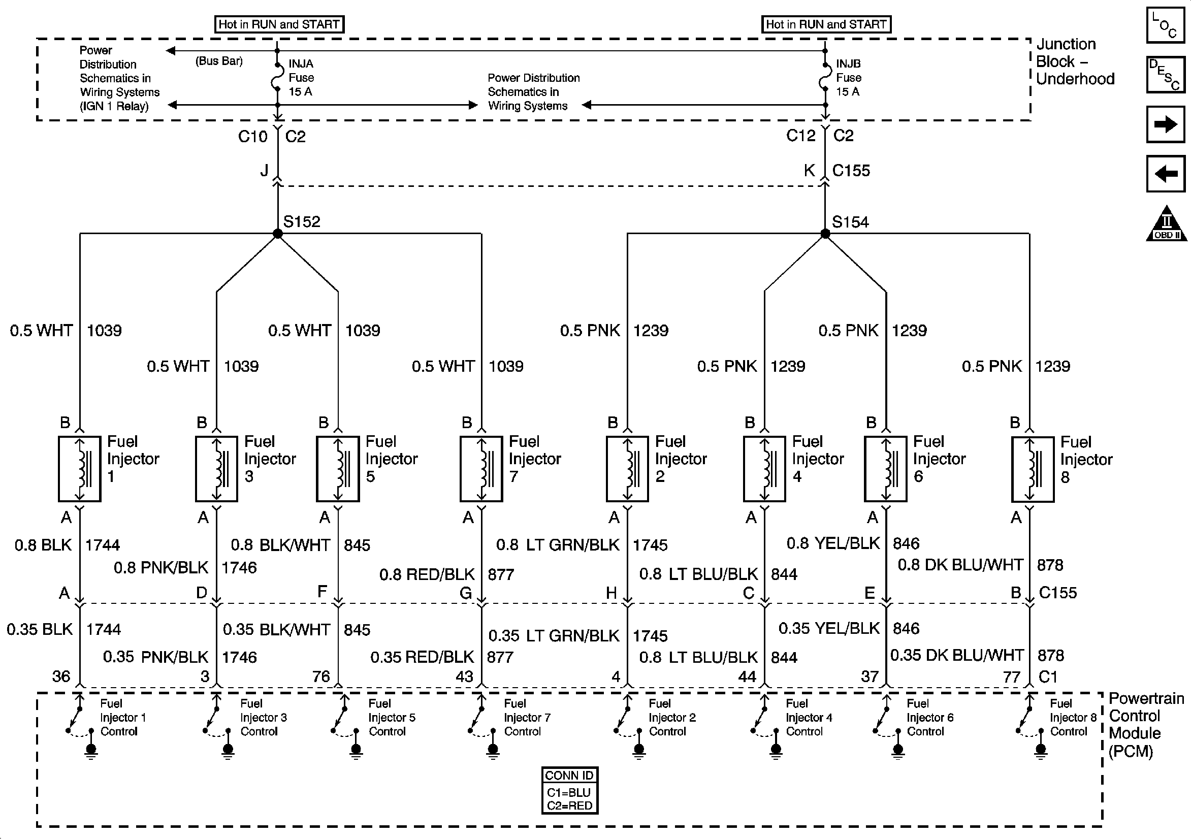
INJ B Fuse, INJ A Fuse, Fuel Injectors, and PCM
Camshaft Position Sensor (CMP), Crankshaft Position Sensor (CKP), and Knock Sensors
OBD II Symbol Description Notice
B+ Bus Bar
O2B, O2A, ENG 1, and IGN E Fuses - Gas
IGNITION, RUN, and START Bus Bar
G103 and G105 - Gas
Figure 8:

INJ B Fuse, INJ A Fuse, Fuel Injectors, and PCM


Object Number: 672706  Size: FS
Master Electrical Component List
Throttle Actuator Control (TAC) System Description
Secondary Air Injection (AIR)
Fuel Pump Relay, Fuel Tank Pressure Sensor, Primary and Secondary Fuel Pump and Sender Assemblies
OBD II Symbol Description Notice
IGN 1 Relay, and ECM 1, ETC, INJA, INJB Fuses - Gas
IGN 1 Relay, and ECM 1, ETC, INJA, INJB Fuses - Gas
Figure 9:

Secondary Air Injection (AIR)


Object Number: 672756  Size: FS
Master Electrical Component List
Throttle Actuator Control (TAC) System Description
Heated Oxygen Sensors (HO2S)
INJ B Fuse, INJ A Fuse, Fuel Injectors, and PCM
OBD II Symbol Description Notice
IGNITION, RUN, and START Bus Bar
B+ Bus Bar
G104 - Gas
Figure 10:

Heated Oxygen Sensors (HO2S)


Object Number: 672710  Size: FS
Master Electrical Component List
Throttle Actuator Control (TAC) System Description
Evaporative Emissions (EVAP) Canister Purge and Vent Solenoids and Exhaust Gas Recirculation (EGR) Valve
Secondary Air Injection (AIR)
OBD II Symbol Description Notice
IGNITION, RUN, and START Bus Bar
Heated Oxygen Sensor (HO2S)
Figure 11:

Evaporative Emissions (EVAP) Canister Purge and Vent Solenoids and Exhaust Gas Recirculation (EGR) Valve


Object Number: 672714  Size: FS
Master Electrical Component List
Throttle Actuator Control (TAC) System Description
Coolant Level Switch, Engine Oil level Switch and Generator
Heated Oxygen Sensors (HO2S)
OBD II Symbol Description Notice
IGNITION, RUN, and START Bus Bar
O2B, O2A, ENG 1, and IGN E Fuses - Gas
Figure 12:

Coolant Level Switch, Engine Oil level Switch and Generator


Object Number: 672722  Size: FS
Master Electrical Component List
Throttle Actuator Control (TAC) System Description
Automatic Transmission Controls References
Evaporative Emissions (EVAP) Canister Purge and Vent Solenoids and Exhaust Gas Recirculation (EGR) Valve
OBD II Symbol Description Notice
G104 - Gas
G103 and G105 - Gas
Figure 13:

Automatic Transmission Controls References


Object Number: 776300  Size: FS
Master Electrical Component List
Throttle Actuator Control (TAC) System Description
A/C High Pressure Switch, A/C Low Pressure Switch, and PCM
Coolant Level Switch, Engine Oil level Switch and Generator
OBD II Symbol Description Notice
TFT Sensor, Pressure Control Solenoid, and ISS Sensor
TFT Sensor, Pressure Control Solenoid, and ISS Sensor
Park/Neutral Position (PNP) Switch
Park/Neutral Position (PNP) Switch and TCM
TFT Sensor, Pressure Control Solenoid, and ISS Sensor
Brake Switch Signal and Valve Controls
Figure 14:

A/C High Pressure Switch, A/C Low Pressure Switch, and PCM


Object Number: 672735  Size: FS
Master Electrical Component List
Throttle Actuator Control (TAC) System Description
Throttle Actuator Control (TAC) Module, ETC Fuse, Throttle Position Sensor
Automatic Transmission Controls References
OBD II Symbol Description Notice
Primary Air Delivery Controls - Recirculation Actuator (Uplevel Pickup and All Utilities)
G103 and G105 - Gas
G100 and G110
Figure 15:

Throttle Actuator Control (TAC) Module, ETC Fuse, Throttle Position Sensor


Object Number: 672842  Size: FS
Master Electrical Component List
Throttle Actuator Control (TAC) System Description
Cruise Control ON/OFF Switch, STOP LPS Fuse, and Accelerator Pedal Position(APP) Sensor
A/C High Pressure Switch, A/C Low Pressure Switch, and PCM
OBD II Symbol Description Notice
IGN 1 Relay, and ECM 1, ETC, INJA, INJB Fuses - Gas
G103 and G105 - Gas
Figure 16:

Cruise Control ON/OFF Switch, STOP LPS Fuse, and Accelerator Pedal Position (APP) Sensor


Object Number: 672849  Size: FS
Master Electrical Component List
Throttle Actuator Control (TAC) System Description
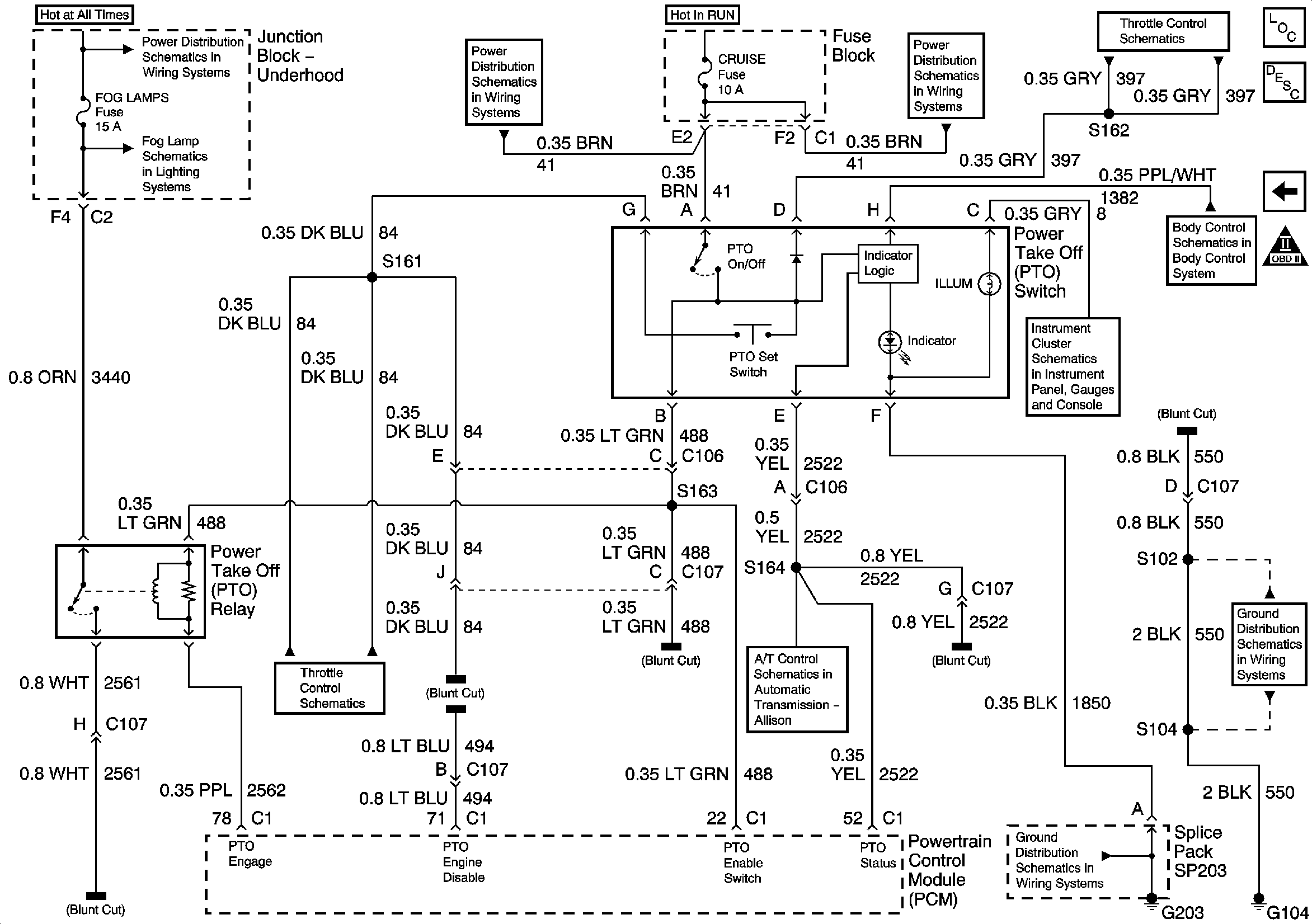
Power Take Off (PTO) Switch, Power Take Off Relay, and PCM
Throttle Actuator Control (TAC) Module, ETC Fuse, Throttle Position Sensor
OBD II Symbol Description Notice
IGNITION, RUN, ACCESSORY, and RAP Bus Bars, RAP #1 and RAP #2 Fuses
BRAKE, CRUISE, HTR A/C, RR WPR, WS WPR, and SEO ACCY Fuses
B+ Bus Bar
STOP LPS, HAZ LP and TURN Fuses, Stoplamp Switch, VEH STOP and CHMSL Fuses
STOP LPS, HAZ LP and TURN Fuses, Stoplamp Switch, VEH STOP and CHMSL Fuses
Power Take Off (PTO) Switch, Power Take Off Relay, and PCM
Power Take Off (PTO) Switch, Power Take Off Relay, and PCM
Figure 17:

Power Take Off (PTO) Switch, Power Take Off Relay and PCM


Object Number: 676349  Size: FS
Master Electrical Component List
Throttle Actuator Control (TAC) System Description
Cruise Control ON/OFF Switch, STOP LPS Fuse, and Accelerator Pedal Position(APP) Sensor
OBD II Symbol Description Notice
B+ Bus Bar
Fog Lamps Schematics
BRAKE, CRUISE, HTR A/C, RR WPR, WS WPR, and SEO ACCY Fuses
BRAKE, CRUISE, HTR A/C, RR WPR, WS WPR, and SEO ACCY Fuses
Cruise Control ON/OFF Switch, STOP LPS Fuse, and Accelerator Pedal Position (APP) Sensor
Interior Lighting Systems References
Indicators and Serial Data
Cruise Control ON/OFF Switch, STOP LPS Fuse, and Accelerator Pedal Position (APP) Sensor
G203 - 1 of 4
G104 - Gas