GM Service Manual Online
For 1990-2009 cars only

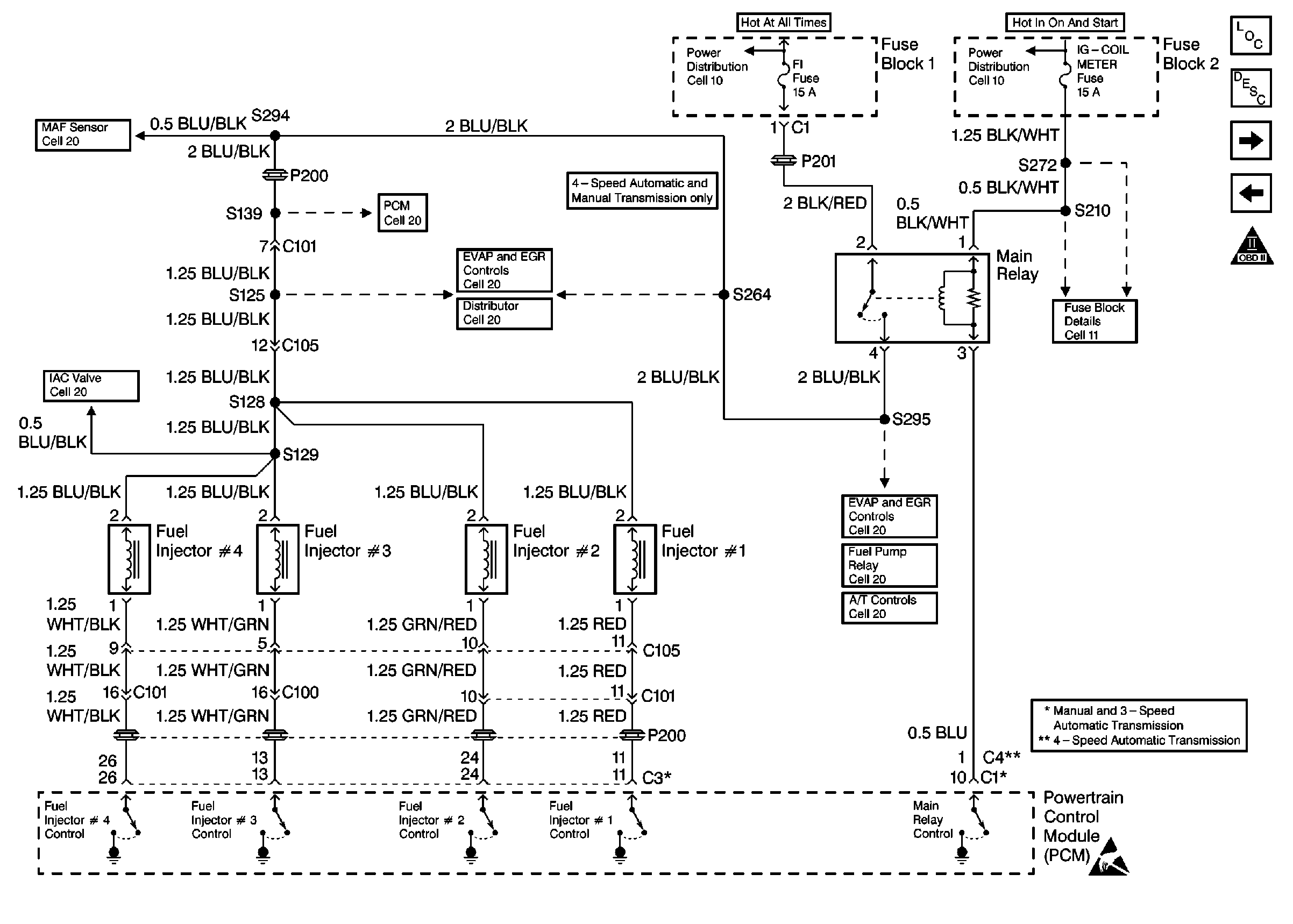
Refer to

Cell 20: Fuel Injectors


Object Number: 261511  Size: FS
.

Circuit Description

The powertrain control module (PCM) controls each individual fuel injector by providing a ground, this system is referred as Sequential Multiport Fuel Injection (SFI). When the ignition switch is turned to the on or start position (engine running), the PCM will energize/de-energize the fuel injector solenoid coil. With this coil energized, a plunger is activated, allowing pressurized fuel to be sprayed through the fuel injectors into the combustion chamber where it is mixed with air from the intake manifold; thus creating the proper air/fuel mixture needed for combustion.

Diagnostic Aids

Check for any of the following conditions:

    • Water, foreign material, or stale fuel can cause a no start or a hard start condition.
    • Erratic fuel pressure or a restricted fuel filter may cause a no start or a hard start condition.
    • Faulty fuel injectors. There may be fuel spray at the fuel injectors, but it may not be enough to start the engine. Normal fuel injector resistance is 12-17 ohms at 20°C (68°F). If the fuel injectors and their circuits are OK, and fuel spray is detected, the fuel injector nozzle may be partly blocked or restricted.

An intermittent malfunction may be caused by a fault in the fuel injector sensor circuit. Inspect the wiring harness and components for any of the following conditions:

    • Backed out terminals.
    • Improper mating of terminals.
    • Broken electrical connector locks.
    • Improperly formed or damaged terminals.
    • Faulty terminal to wire connections.
    • Physical damage to the wiring harness.
    • A broken wire inside the insulation.
    • Corrosion of electrical connections, splices, or terminals.

Test Description

The numbers below refer to the step numbers in the Diagnostic Table.

  1. The Powertrain OBD System Check prompts the technician to complete some basic checks and store the freeze frame data on the scan tool if applicable. This creates an electronic copy of the data taken when the fault occurred. The information is then stored in the scan tool for later reference.

  2. If a fuse is found to be the cause of the no start, locate and repair any shorts that may have caused the fuse to blow before replacing the fuse.

  3. After one minute from the time the fuel pump stops running the fuel pressure should drop and hold to approximately 180 kpa (25 psi).

Step

Action

Value(s)

Yes

No

1

Did you perform the Powertrain On-Board Diagnostic (OBD) System Check?

--

Go to Step 2

Go to Powertrain On Board Diagnostic (OBD) System Check

2

Check the condition of the following items:

    • The PCM grounds are clean and tight.
    • The Powertrain Control system fuses are OK.
    • The fuel quantity is adequate.

Do any of the above items require repair?

--

Go to Step 3

Go to Step 4

3

Correct any faulty condition(s) found in Step 2.

Is the action complete?

--

Go to Step 16

--

4

Important:: The fuel pump will run for about 3 seconds. To obtain maximum pressure it may be necessary to cycle the ignition ON to OFF to ON more than once.

  1. Turn OFF the ignition.
  2. Install the fuel pressure gauge.
  3. Turn ON the ignition.

Does the fuel pressure gauge read within the specified value?

250-300 kPa (35-43 psi)

Go to Step 5

Go to Fuel Pump Electrical Circuit Diagnosis

5

  1. Turn OFF the ignition.
  2. Disconnect the fuel gauge.
  3. Disconnect all four fuel injector electrical connectors and install the fuel injector test light (J 34730-2B) to the #1 fuel injector harness connector.
  4. Crank the engine and note the test light.
  5. Repeat the fuel injector circuit test at each fuel injector electrical connector. The light should blink for each test.

Does the test light blink for each test?

--

Go to Step 6

Go to Step 8

6

  1. Perform the Injector Coil/Balance Test Procedure. Refer to Fuel Injector Solenoid Coil Test - Engine Coolant Temperature Between 10-35 Degrees C (50-95 Degrees F) .
  2. Replace any faulty fuel injectors necessary.

Did any fuel injector(s) need replacing?

--

Go to Step 16

Go to Step 7

7

  1. Test the fuel for contamination. Refer to Alcohol/Contaminants-in-Fuel Diagnosis .
  2. If a fuel contamination condition is present, clean the fuel system and correct the source of the contaminated fuel.

Was a problem found and corrected?

--

Go to Step 16

Go to Step 15

8

Did the fuel injector test light stay ON steady for one or more fuel injectors?

--

Go to Step 9

Go to Step 10

9

  1. Check for a short to ground on the affected fuel injector control circuit(s).
  2. Repair as necessary.

Was a repair necessary?

--

Go to Step 16

Go to Step 14

10

  1. Remove the fuel injector test light.
  2. Turn ON the ignition, leaving the engine OFF.
  3. Using a DMM, measure the voltage from the fuel injector harness connector cavity 2 to ground.
  4. Repeat step 3 on the fuel injector(s) that are inoperative.

Does the DMM read the specified voltage for each test?

B+

Go to Step 11

Go to Step 12

11

  1. With a test light connected to B+, probe the fuel injector harness connector cavity 1.
  2. Crank the engine and note the test light. The test light should blink.
  3. Repeat step 2 on the fuel injector(s) that are inoperative.

Does the test light blink for each test?

--

Go to Diagnostic Aids

Go to Step 13

12

  1. Check for an open or short in the power feed circuit(s) to the fuel injector(s).
  2. Repair as necessary

Is the action complete?

--

Go to Step 16

--

13

  1. Check for an open in the fuel injector control circuit(s) between the PCM and the fuel injector.
  2. Repair as necessary.

Was a repair necessary?

--

Go to Step 16

Go to Step 14

14

Replace the PCM. Refer to Powertrain Control Module Replacement .

Is the action complete?

--

Go to Step 16

--

15

Inspect and repair the engine mechanical problem. Refer to Engine Mechanical to diagnose and repair any of the following conditions:

    • Faulty or incorrect camshaft
    • Leaking or sticking valves
    • Leaking or sticking piston rings
    • Excessive valve deposits
    • Loose or worn rocker arms
    • Weak valve springs
    • Incorrect valve timing
    • Leaking head gasket

Is the action complete?

--

Go to Step 16

Go To Diagnostic Aids

16

  1. Using a scan tool, clear the DTCs.
  2. Attempt to start the engine.

Does the engine start and continue to run?

--

Go to Step 17

Go to Step 2

17

  1. Allow the engine to idle until normal operating temperature is reached.
  2. Using the scan tool check for any DTCs.

Are any DTCs displayed?

--

Go to the applicable DTC table

System OK