GM Service Manual Online
For 1990-2009 cars only
Makes
🢒
Chevrolet
🢒
1998
🢒
Tracker - 2WD
🢒
Body and Accessories
🢒
Instrument Panel, Gauges, and Console
🢒 Audible Warnings Schematics
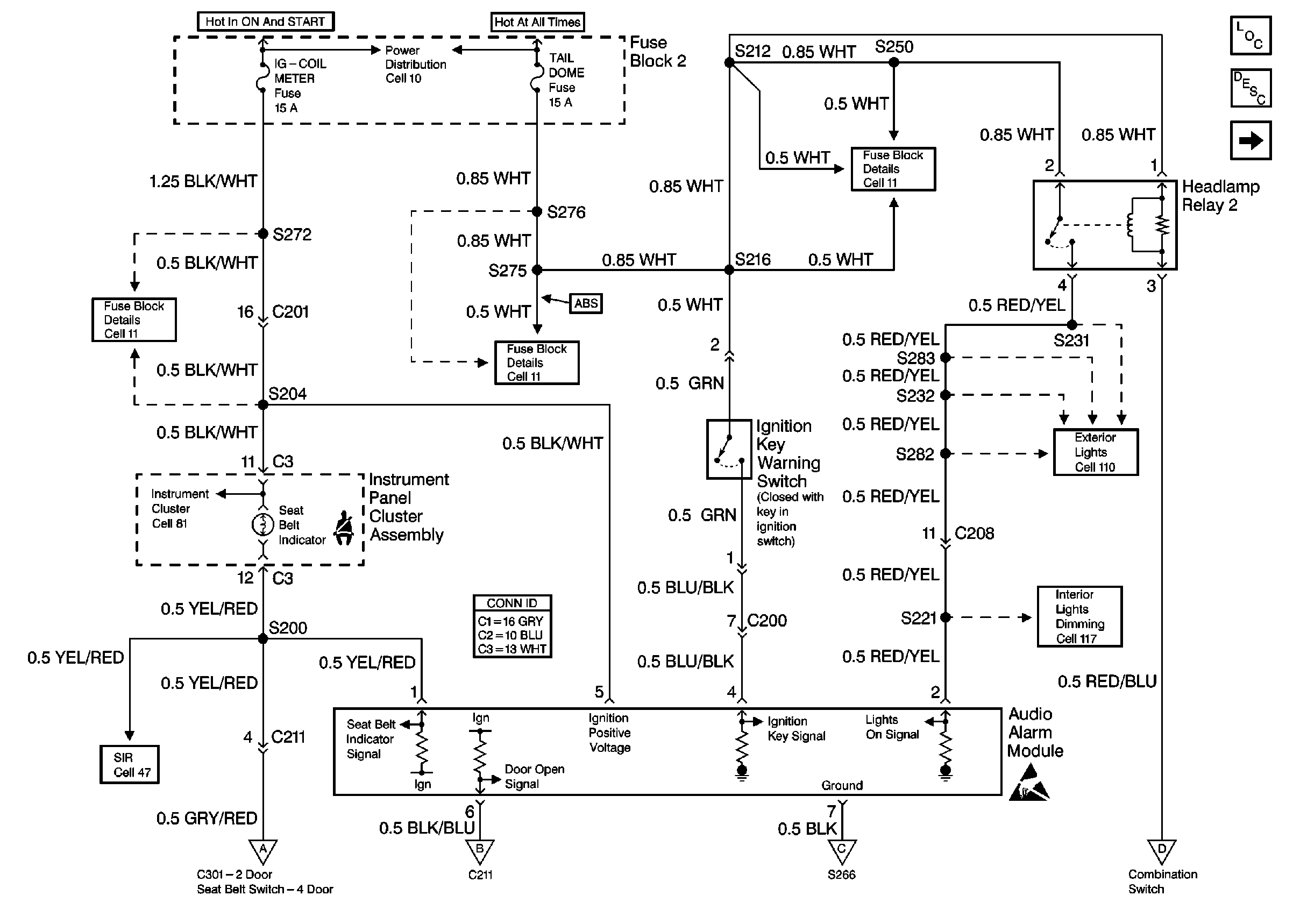
Figure
1:
Audio Alarm Module
Instrument Cluster Components
Belt/Jamb Switches
Power Distribution Schematics
Fuse Block Schematics
Fuse Block Schematics
Fuse Block Schematics
Handling ESD Sensitive Parts Notice
Instrument Cluster: Analog Schematics
Exterior Lights Schematics
Interior Lights Dimming Schematics
SIR Schematics
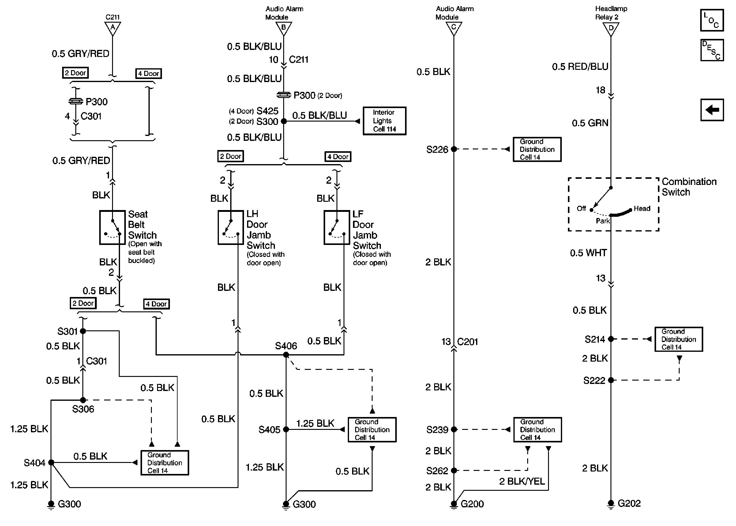
Figure
2:
Belt/Jamb Switches
Interior Lights Schematics
Ground Distribution Schematics
Ground Distribution Schematics
Ground Distribution Schematics
Ground Distribution Schematics
Ground Distribution Schematics
Instrument Cluster Components
Audio Alarm Module