GM Service Manual Online
For 1990-2009 cars only

Circuit Description

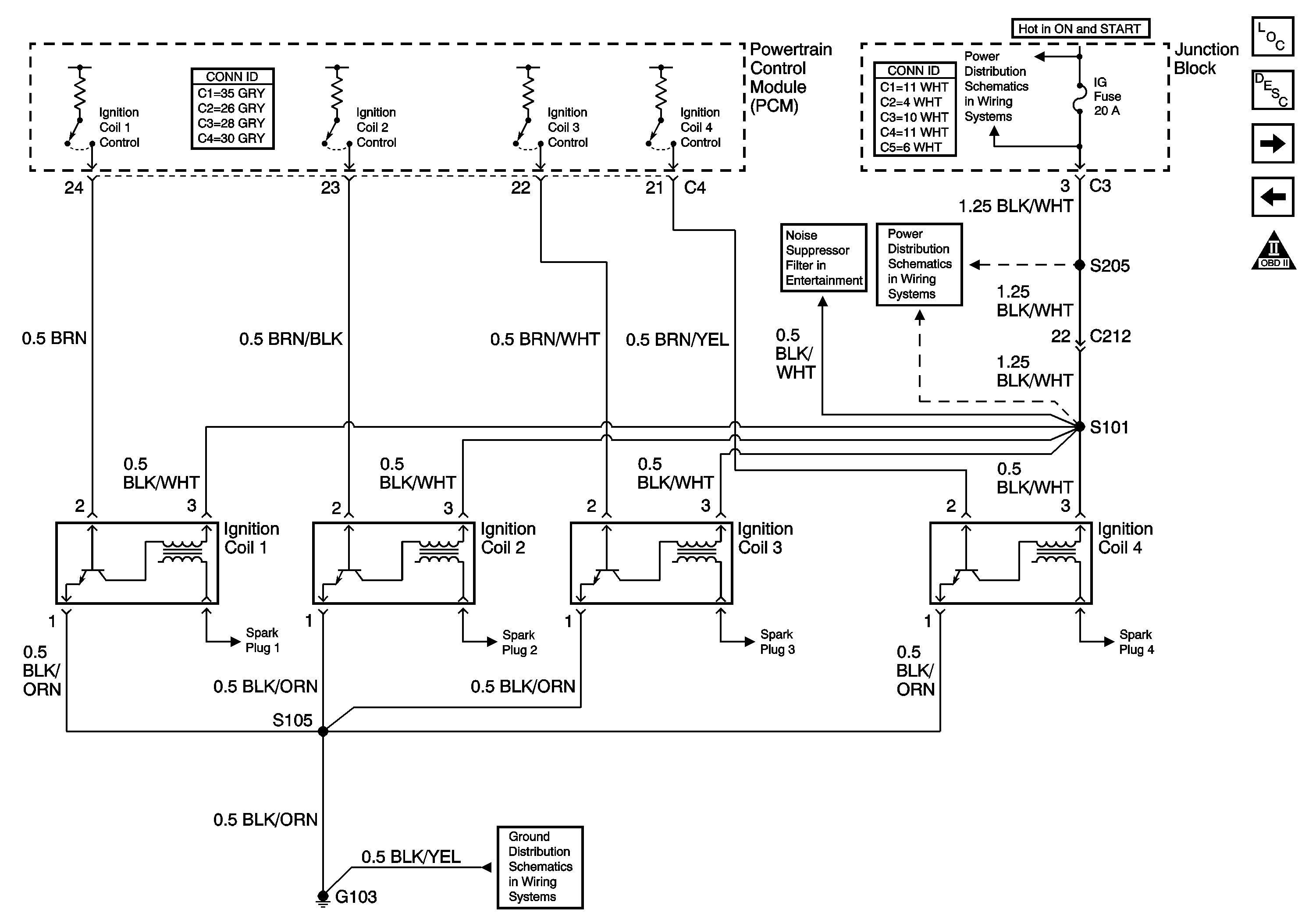
The ignition system of the 2.0L engine uses a coil-on-plug design. The powertrain control module (PCM) controls the 4 individual coil assemblies using reference pulses from the camshaft position (CMP) sensor and other sensor inputs. Battery voltage is applied to the ignition coil assemblies when the ignition switch is in the ON or START positions. The ignition control module within each coil assembly toggles the primary windings, inducing a high voltage in the secondary windings. The high voltage induced in the secondary windings of the ignition coils is applied through the coil boots to the spark plugs.

Diagnostic Aids

If the operation of the ignition system is intermittent, check for a reliable reference signal from the camshaft position (CMP) sensor while cranking the engine. The PCM relies on the CMP sensor for engine reference. Without continuous accurate reference signals, there is no reliable spark or fuel injector pulse. The scan tool engine speed display should be more than 200 RPM while cranking. If erratic values, such as sudden spikes in engine speed are displayed, the engine reference signal may not be stable enough for the engine to start and run properly. Inspect the CMP sensor signal circuit for electromagnetic interference (EMI) or poor electrical connections.

A vehicle that starts and runs after being brought to the shop for an engine cranks but will not run concern, may have an ignition system that is susceptible to moisture. Spray water on the ignition system components and wiring in order to check for an engine miss or stall.

An intermittent malfunction may be caused by a problem in the ignition system electrical circuit. Inspect the wiring harness and components for an intermittent condition. Refer to Intermittent Conditions .

Test Description

The numbers below refer to the step numbers in the diagnostic table.

  1. If there is a fault in the CMP sensor circuit, the ignition system can malfunction. Repair the cause of a DTC P0340 first.

  2. This step checks for a condition that can cause a loss of spark, even though the test in step 3 indicated that there was good spark.

  3. This step checks whether the engine will start and run. A repair that has been performed leading to this step may only have been a contributing cause of a no start condition. Returning to the Engine Cranks But Does Not Run diagnostic table will locate additional causes of the no start condition.

Step

Action

Yes

No

Schematic Reference:

Ignition Coils


Object Number: 673929  Size: FS
Master Electrical Component List
Fuel Injectors
Idle Air Control (IAC) Valve, Mass Air Flow (MAF) Sensor, Vehicle SPeED Sensor (VSS)
OBD II Symbol Description Notice
H/L, HTR, IG, and Lamp Fuses
NO TITLE ENTERTAINMENT
G103

1

Did you perform the Diagnostic System Check-Engine Controls?

Go to Step 2

Go to Diagnostic System Check - Engine Controls

2

Install a scan tool and check for DTCs.

Is a DTC P0340 set?

Go to DTC P0340

Go to Step 3

3

  1. Disconnect the fuel injector electrical connectors.
  2. Remove the #1 ignition coil. Leave all spark plugs in at this time.
  3. Install a J 26792 Spark Tester or an equivalent to the #1 spark plug boot.
  4. Check for spark while cranking the engine.
  5. Repeat Step 2 and Step 3 for the other ignition coils.

Does each ignition coil provide a crisp blue spark while cranking the engine?

Go to Step 5

Go to Step 4

4

  1. Turn OFF the ignition.
  2. Relocate a known good ignition coil assembly to a cylinder with no spark.
  3. Install a J 26792 , or equivalent, and test for spark as performed in Step 2.

Does the known good ignition coil assembly provide a crisp blue spark while cranking the engine?

Go to Step 6

Go to Step 7

5

Check the ignition coils and spark plug boots for the following conditions:

    • Cracks
    • Corrosion on the terminals
    • Carbon tracking
    • Water intrusion

Did you find any of the listed conditions?

Go to Step 6

Go to Step 13

6

Replace the affected ignition coil assembly or assemblies. Refer to Ignition Coil Replacement .

Did you complete the replacement?

Go to Step 13

--

7

  1. Disconnect the electrical connector from the ignition coils supplying the cylinders with no spark.
  2. Turn ON the ignition, leaving the engine OFF.
  3. Connect a test lamp from ground to the ignition positive voltage circuit on the harness side of the ignition coil.

Does the test lamp illuminate?

Go to Step 8

Go to Step 10

8

Connect a test lamp from B+ to the ground circuit on the harness side of the ignition coil.

Does the test lamp illuminate?

Go to Step 11

Go to Step 9

9

Repair the open or the faulty connection in the ignition coil ground circuit. Refer to Wiring Repairs in Wiring Systems.

Did you complete the repair?

Go to Step 13

--

10

Repair the open in the ignition positive voltage circuit of the ignition coil. Refer to Wiring Repairs in Wiring Systems.

Did you complete the repair?

Go to Step 13

--

11

  1. Check for an open or a short in the ignition coil control circuit.
  2. Repair as necessary. Refer to Wiring Repairs in Wiring Systems.

Was a repair necessary?

Go to Step 13

Go to Step 12

12

Replace the PCM. Refer to Powertrain Control Module Replacement .

Did you complete the replacement?

Go to Step 13

--

13

  1. Assemble the ignition system.
  2. Start the engine.

Does the engine start and run?

Go to Step 13

Go to Engine Cranks but Does Not Run

14

Check for DTCs.

Are any DTCs set?

Go to Diagnostic Trouble Code (DTC) List

System OK