GM Service Manual Online
For 1990-2009 cars only
Makes
🢒
Chevrolet
🢒
2001
🢒
Tracker - 2WD
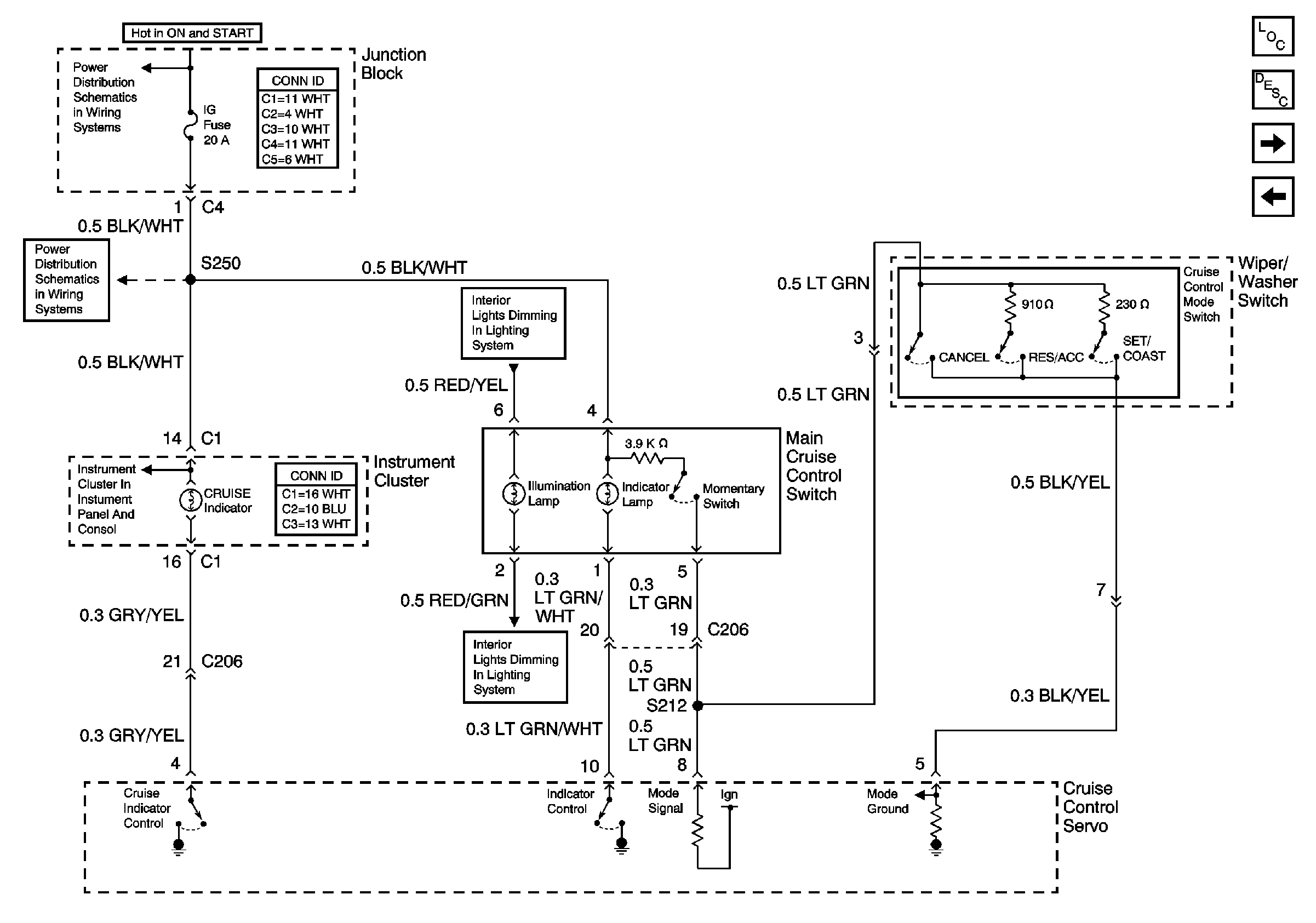
🢒 Cruise Indicator, Cruise Control Mode Switch, and Main Cruise Control Switch
Cruise Indicator, Cruise Control Mode Switch, and Main Cruise Control Switch
Cruise Indicator, Cruise Control Mode Switch, and Main Cruise Control Switch
Master Electrical Component List
Cruise Control Description and Operation
O/D Cut Circuit and Vehicle Speed Sensor (VSS)
Cruise Control Release Switch and Transmission Range Switch
IP Lamp Dimmer Control, Shift Indicator Lamp
IP Lamp Dimmer Control, Shift Indicator Lamp
Instrument Cluster Indicators
IG, Turn and WIP Fuses
H/L, HTR, IG, and Lamp Fuses