GM Service Manual Online
For 1990-2009 cars only
Figure 1:

Blower Control without Air Conditioning


Object Number: 1309737  Size: FS
Master Electrical Component List
Air Delivery Description and Operation
Blower Control with A/C
CIG, DEF and P/W Fuses
CIG, DEF and P/W Fuses
S207
SP201 and G201
H/L, L, H/L, R, HTR, IG and LAMP Fuses
SP201 and G201
Figure 2:

Blower Control with Air Conditioning


Object Number: 1309742  Size: FS
Master Electrical Component List
Air Delivery Description and Operation
ECT Sensor, Evaporator Temperature Sensor, A/C Compressor Control Module
Blower Control without A/C
CIG, DEF and P/W Fuses
H/L, L, H/L, R, HTR, IG and LAMP Fuses
CIG, DEF and P/W Fuses
S207
SP201 and G201
SP201 and G201
Figure 3:

ECT Sensor, Evaporator Temperature Sensor, A/C Compressor Control Module


Object Number: 883528  Size: FS
Master Electrical Component List
Air Temperature Description and Operation
A/C Compressor Control Module, A/C, Blower, Defroster, Refrigerant Pressure Swi
Blower Control with A/C
IG Fuse, S205 and S101
IG Fuse, S205 and S101
ECT, IAT, MAP, TPS and FTP Sensors
ECT, TPS, MAP, FTP and IAT Sensors
Figure 4:

A/C Compressor Control Module, A/C, Defroster, Blower, Refrigerant Pressure Switches


Object Number: 883529  Size: FS
Master Electrical Component List
Air Temperature Description and Operation
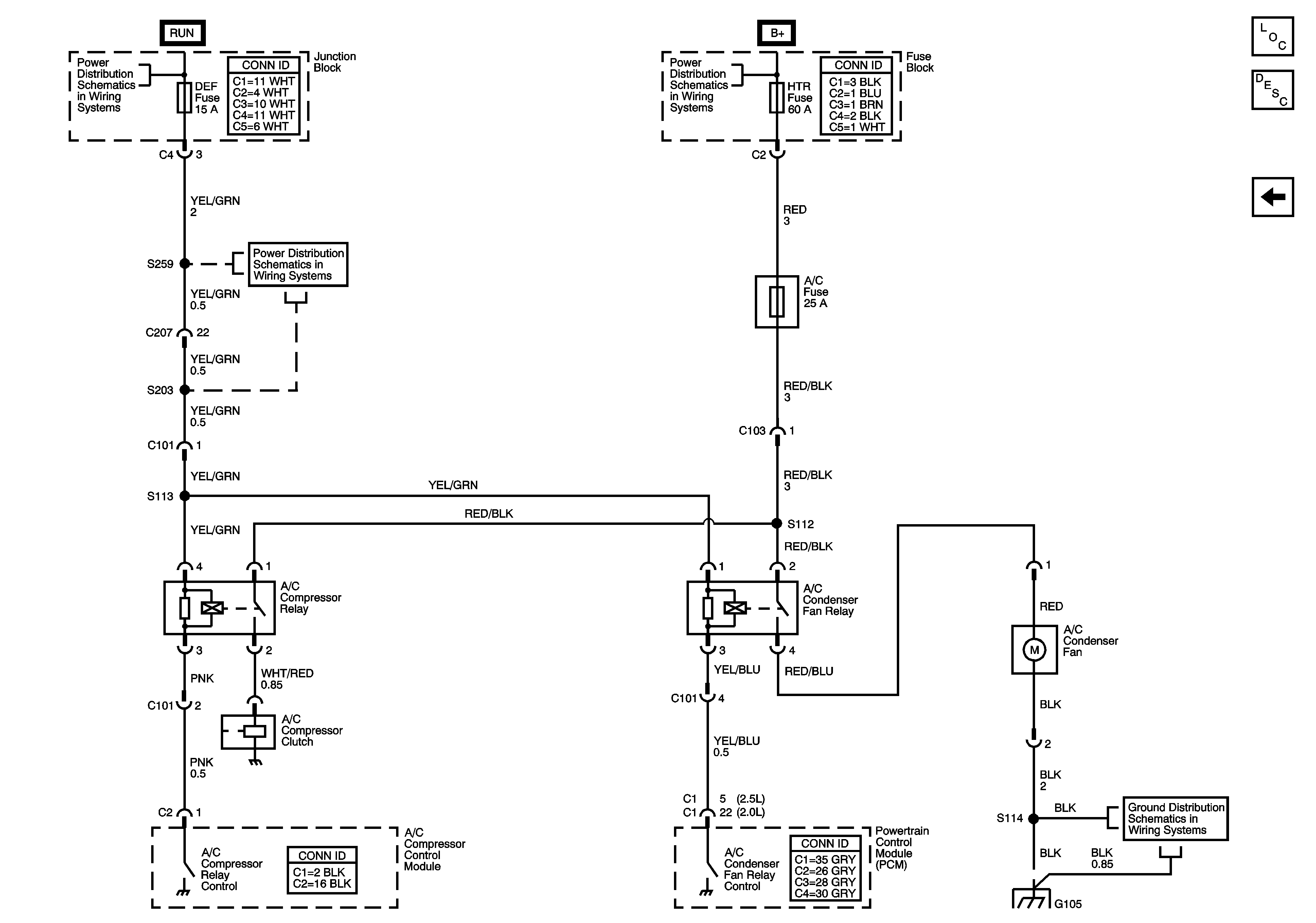
A/C Condenser Fan Control
ECT Sensor, Evaporator Temperature Sensor, A/C Compressor Control Module
G103
G105
IG Fuse, S205 and S101
TURN and WIP Fuses
SP201 and G201
Figure 5:

A/C Condenser Fan Control


Object Number: 1309747  Size: FS
Master Electrical Component List
Air Temperature Description and Operation
A/C Compressor Control Module, A/C, Blower, Defroster, Refrigerant Pressure Swi
CIG, DEF and P/W Fuses
CIG, DEF and P/W Fuses
H/L, L, H/L, R, HTR, IG and LAMP Fuses
G105