GM Service Manual Online
For 1990-2009 cars only
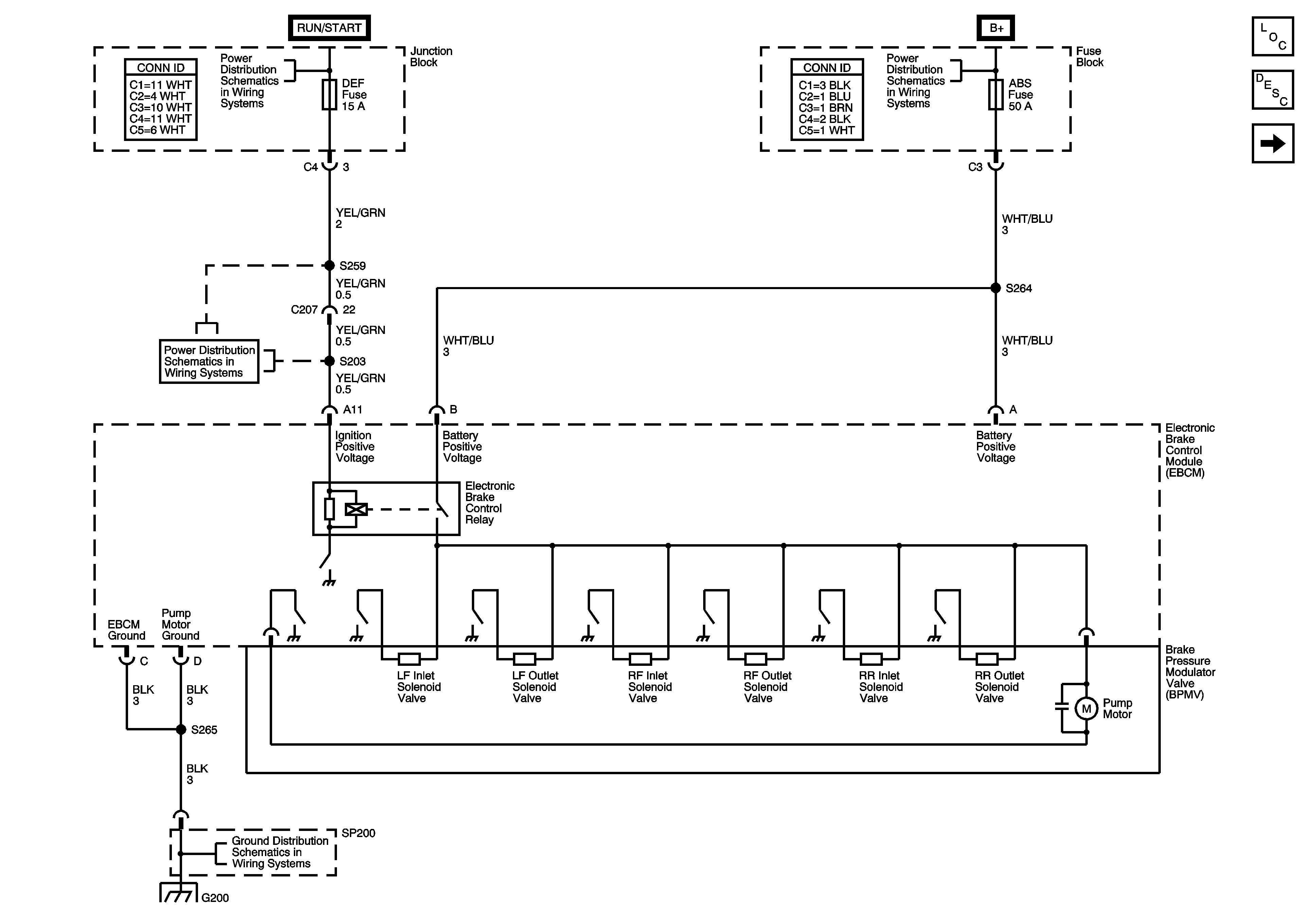
Figure 1:

Electronic Brake Control Module (EBCM) Power and Ground


Object Number: 1309715  Size: FS
Master Electrical Component List
ABS Description and Operation
Electronic Brake Control Module (EBCM), ABS Indicator, Accelerometer
CIG, DEF and P/W Fuses
CIG, DEF and P/W Fuses
SP200 and G200
BATT, ABS, FI and ACC Fuses
Figure 2:

Electronic Brake Control Module (EBCM), ABS Indicator, Accelerometer


Object Number: 883519  Size: FS
Master Electrical Component List
ABS Description and Operation
EBCM, Brake Indicator, 4WD Indicator, Stoplamp Switch, Brake Fluid Level Switch
Electronic Brake Control Module (EBCM), Power and Ground
IG Fuse, S205 and S101
TURN and WIP Fuses
IG Fuse, S205 and S101
ABS, Brake, Seat Belt, Air Bag Indicators
S248
SP200 and G200
Figure 3:

Electronic Brake Control Module (EBCM), Brake Indicator, 4WD Indicator, Stop Lamp Switch, Brake Fluid Level Switch


Object Number: 883521  Size: FS
Master Electrical Component List
ABS Description and Operation
Electronic Brake Control Module (EBCM), Wheel Speed Sensors
Electronic Brake Control Module (EBCM), ABS Indicator, Accelerometer
IG Fuse, S205 and S101
TURN and WIP Fuses
Power, O/D OFF, 4WD, MIL, CRUISE, Charge Indicators
G104
HAZ, D/L, TAIL, STOP and DOME Fuses
HAZ, D/L, TAIL, STOP and DOME Fuses
Stoplamps
Figure 4:

Electronic Brake Control Module (EBCM), Wheel Speed Sensors


Object Number: 883522  Size: FS
Master Electrical Component List
ABS Description and Operation
EBCM, Brake Indicator, 4WD Indicator, Stoplamp Switch, Brake Fluid Level Switch
SP200 and G200
SP200 and G200