GM Service Manual Online
For 1990-2009 cars only
Makes
🢒
Chevrolet
🢒
2004
🢒
Tracker - 2WD
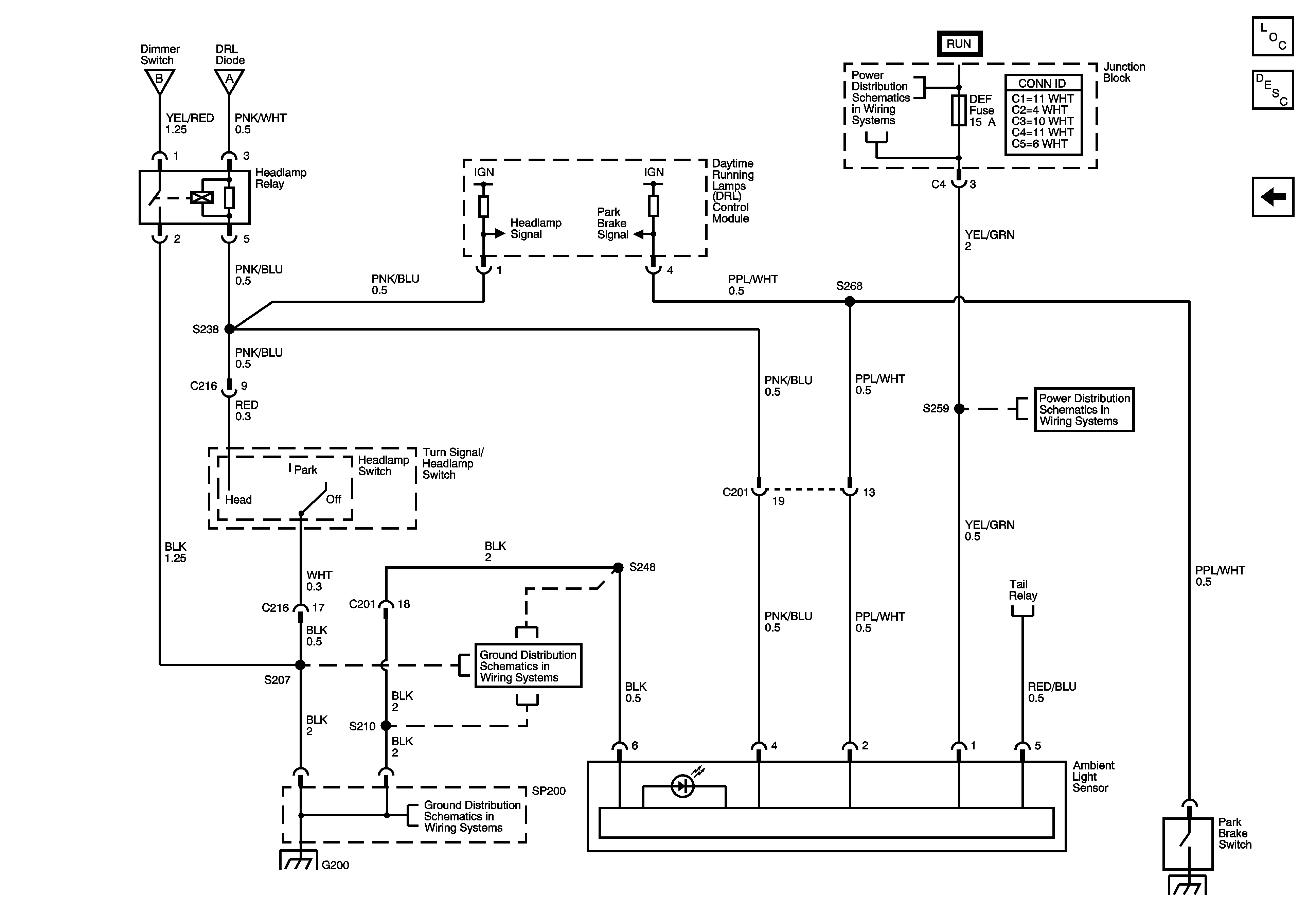
🢒 Headlamp Relay, Headlamp Switch, Ambient Light sensor, Park Brake Switch
Headlamp Relay, Headlamp Switch, Ambient Light sensor, Park Brake Switch
Headlamp Relay, Headlamp Switch, Ambient Light Sensor, Park Brake Switch
Master Electrical Component List
Exterior Lighting Systems Description and Operation
Headlamps, Headlamp switch, DRL Diode
CIG, DEF and P/W Fuses
CIG, DEF and P/W Fuses
S248
SP200 and G200