GM Service Manual Online
For 1990-2009 cars only
Makes
🢒
Chevrolet
🢒
2004
🢒
Tracker - 2WD
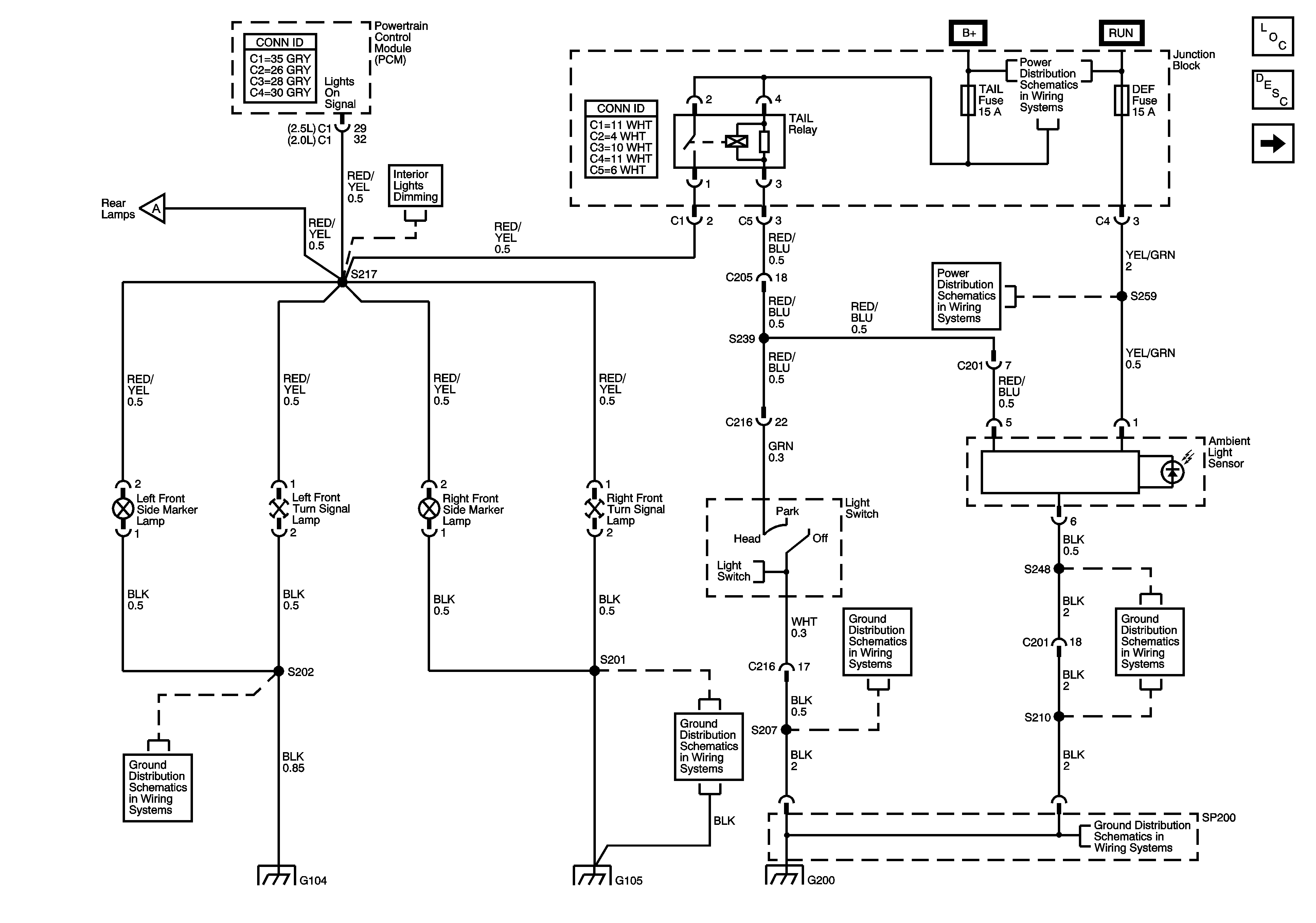
🢒 Side Marker Lamps, Light Switch, Ambient Light Sensor
Side Marker Lamps, Light Switch, Ambient Light Sensor
Side Marker Lamps, Light Switch, Ambient Light Sensor
Master Electrical Component List
Exterior Lighting Systems Description and Operation
Tail Lamps, License Plate Lamps
Instrument Panel Lamp Dimmer Control
G104
G105
S207
S248
SP200 and G200
CIG, DEF and P/W Fuses
HAZ, D/L, TAIL, STOP and DOME Fuses
CIG, DEF and P/W Fuses