GM Service Manual Online
For 1990-2009 cars only
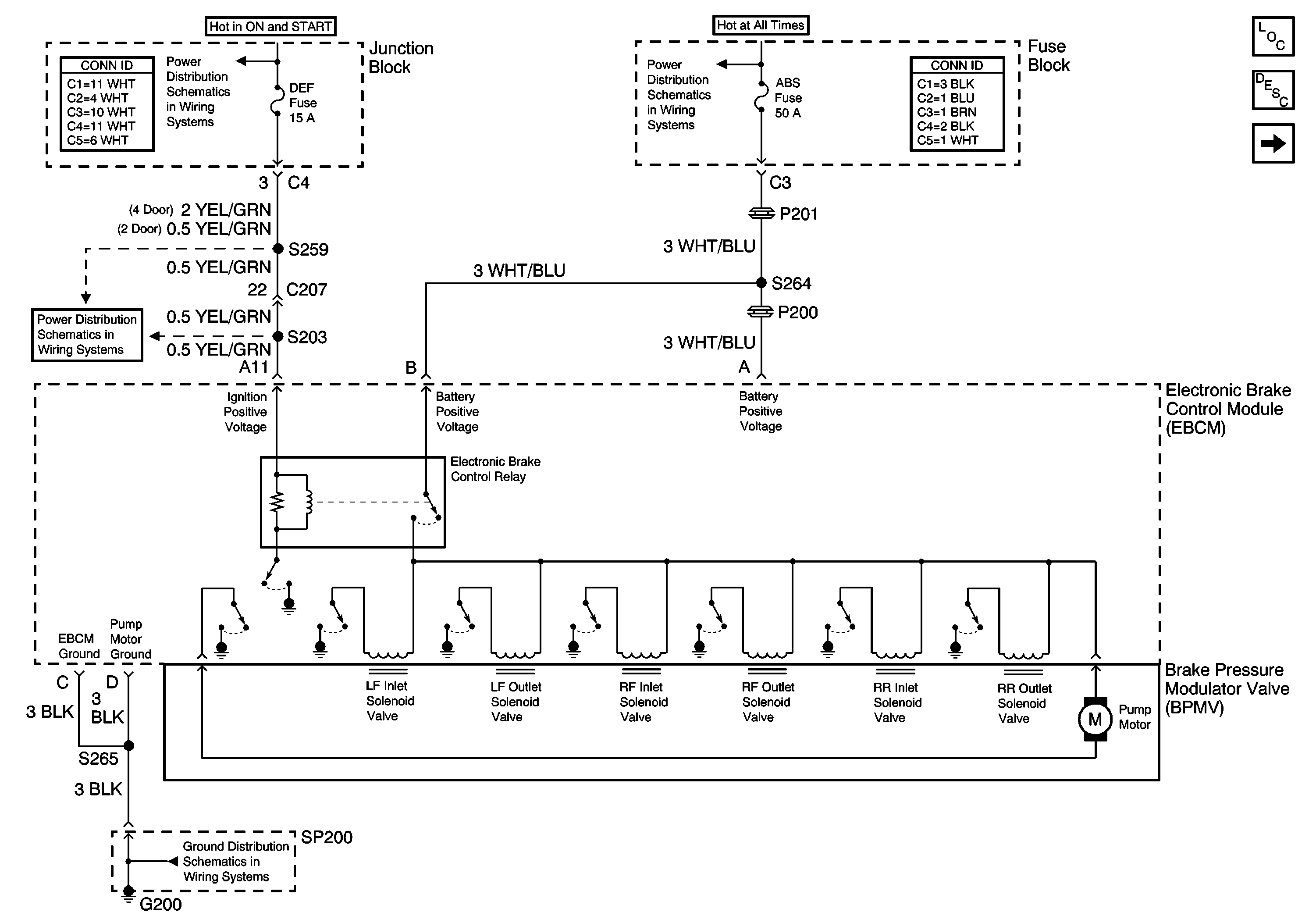
Figure 1:

Brake Pressure Modulator Valve


Object Number: 674840  Size: FS
Master Electrical Component List
ABS Description and Operation
ABS Description and Operation
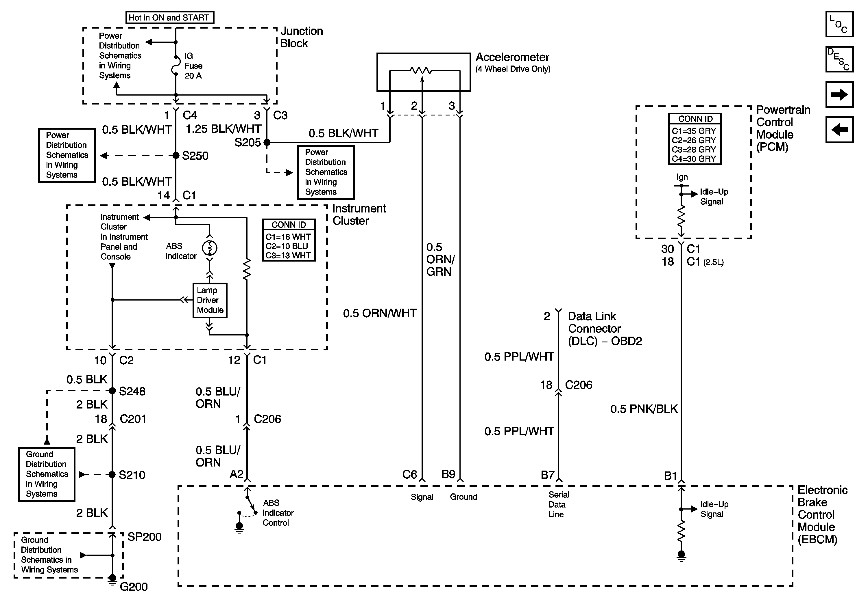
ABS Indicator, Accelerometer, and Idle Up Signal
BATT, ABS, FI and ACC Fuses
G200 (1 of 2)
CIG, DEF and P/W Fuses
CIG, DEF and P/W Fuses
Figure 2:

ABS Indicator, Accelerometer, and Idle Up Signal


Object Number: 674845  Size: FS
Master Electrical Component List
ABS Description and Operation
ABS Description and Operation
Brake Fluid Level Indicator, Brake Indicator and Stoplamp Switch
Brake Pressure Modulator Valve
IG Fuse
IG Fuse
IG, Turn and WIP Fuses
ABS Indicator, Brake Indicator, Air Bag Indicator
G200 (1 of 2)
G200 (1 of 2)
Figure 3:

Brake Fluid Level Indicator, Brake Indicator and Stoplamp Switch


Object Number: 674850  Size: FS
Master Electrical Component List
ABS Description and Operation
ABS Description and Operation
Wheel Speed Sensors
ABS Indicator, Accelerometer, and Idle Up Signal
HAZ, D/L, TAIL, Stop and Dome Fuses
Center High Mount Stoplamp (CHMSL)
HAZ, D/L, TAIL, Stop and Dome Fuses
IG Fuse
NO TITLE BRAKES
Instrument Cluster Indicators
G104
Figure 4:

Wheel Speed Sensors


Object Number: 674864  Size: FS
Master Electrical Component List
ABS Description and Operation
ABS Description and Operation
Brake Fluid Level Indicator, Brake Indicator and Stoplamp Switch