GM Service Manual Online
For 1990-2009 cars only
Figure 1:

Instrument Cluster Indicators


Object Number: 674899  Size: FS
Master Electrical Component List
Instrument Cluster Description and Operation
Oil Pressure Switch, (ECT) Sensor
IP Lamp Dimmer Control, Shift Indicator Lamp
IP Lamp Dimmer Control, Shift Indicator Lamp
Oil Pressure Switch, (ECT) Sensor
CHARGING SYSTEM
Cruise Indicator, Cruise Control Mode Switch, and Main Cruise Control Switch
H/L, HTR, IG, and Lamp Fuses
Brake Pressure Modulator Valve
H/L, HTR, IG, and Lamp Fuses
Figure 2:

Oil Pressure Switch, (ECT) Sensor


Object Number: 674902  Size: FS
Master Electrical Component List
Instrument Cluster Description and Operation
Cruise Control Servo, VSS
Instrument Cluster Indicators
Instrument Cluster Indicators
Speedometer
G103
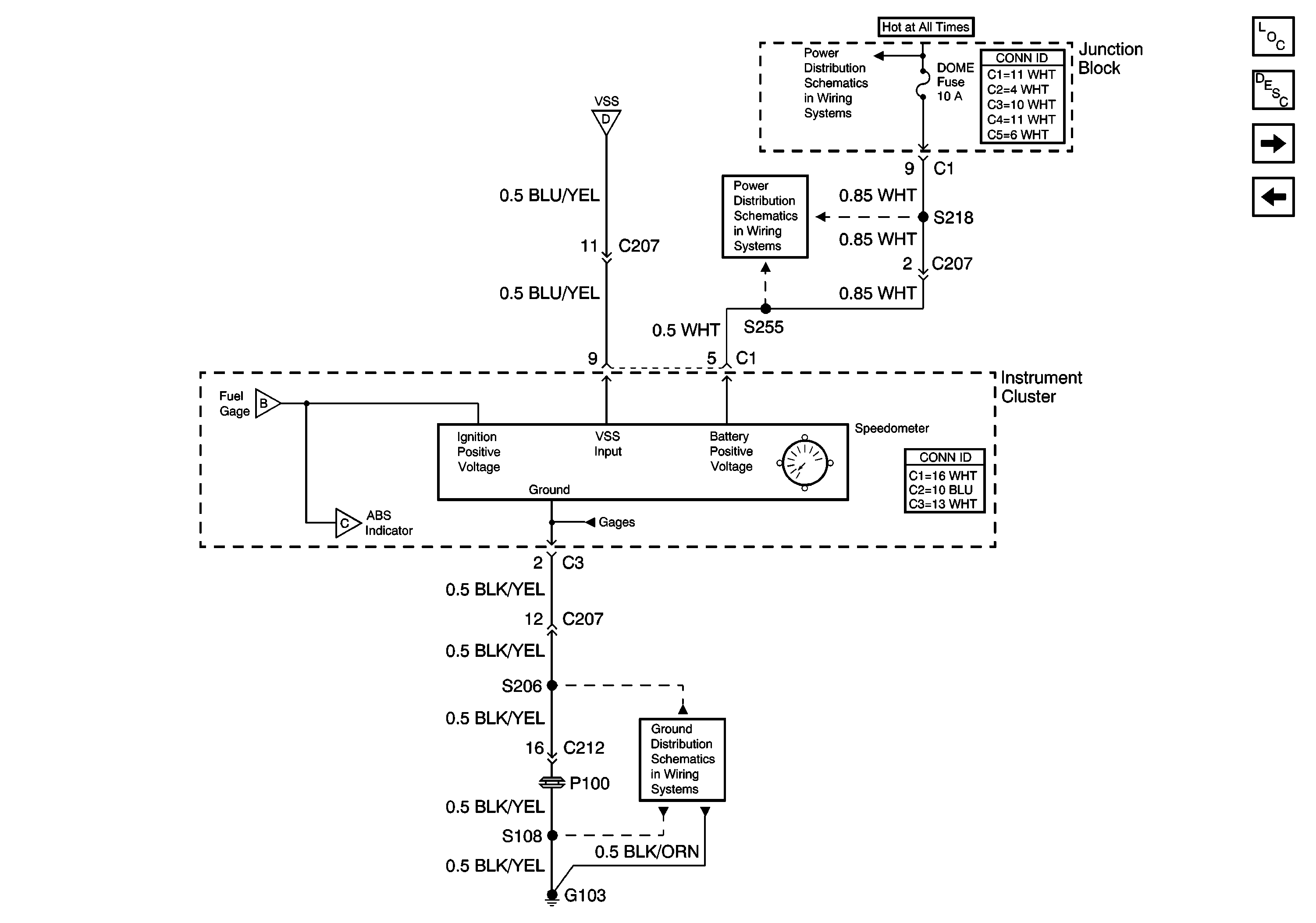
Figure 3:

Cruise Control Servo, VSS


Object Number: 674904  Size: FS
Master Electrical Component List
Instrument Cluster Description and Operation
Oil Pressure Switch, (ECT) Sensor
G103
Speedometer
Main Relay, Powertrain Control Module (PCM) Power and Ground
BATT, ABS, FI and ACC Fuses
Figure 4:

Speedometer


Object Number: 674905  Size: FS
Master Electrical Component List
Instrument Cluster Description and Operation
ABS Indicator, Brake Indicator, Air Bag Indicator
Cruise Control Servo, VSS
G103
HAZ, D/L, TAIL, Stop and Dome Fuses
HAZ, D/L, TAIL, Stop and Dome Fuses
Oil Pressure Switch, (ECT) Sensor
ABS Indicator, Brake Indicator, Air Bag Indicator
Cruise Control Servo, VSS
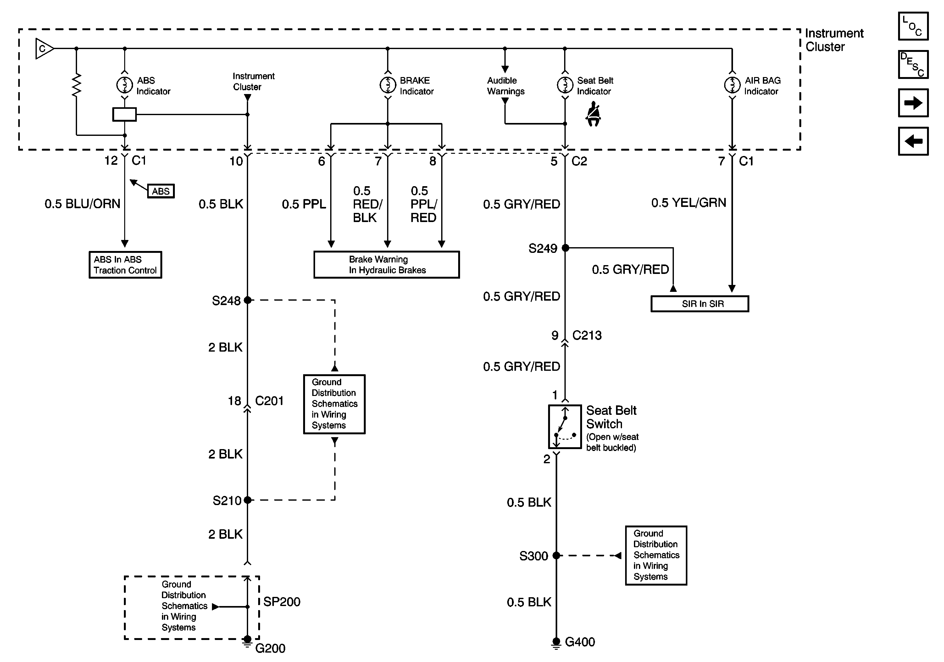
Figure 5:

ABS Indicator, Brake Indicator, Air Bag Indicator


Object Number: 674908  Size: FS
Master Electrical Component List
Instrument Cluster Description and Operation
Turn Indicators, High-Beam Indicator
Speedometer
NO TITLE SIR
G400 and G401
NO TITLE BRAKES
G200 (1 of 2)
G200 (1 of 2)
Brake Pressure Modulator Valve
Speedometer
Figure 6:

Turn Indicators, High-Beam Indicator


Object Number: 674911  Size: FS
Master Electrical Component List
Instrument Cluster Description and Operation
ABS Indicator, Brake Indicator, Air Bag Indicator
Headlamps, (DRL) Diode
Headlamps, (DRL) Diode
G200 (1 of 2)
G200 (1 of 2)
G200 (2 of 2)
Hazard Switch, Turn/Hazard Flasher