GM Service Manual Online
For 1990-2009 cars only
Makes
🢒
Chevrolet
🢒
2003
🢒
Tracker - 4WD
🢒
Brakes
🢒
Antilock Brake System
🢒 Antilock Brake System Schematics
Figure
1:
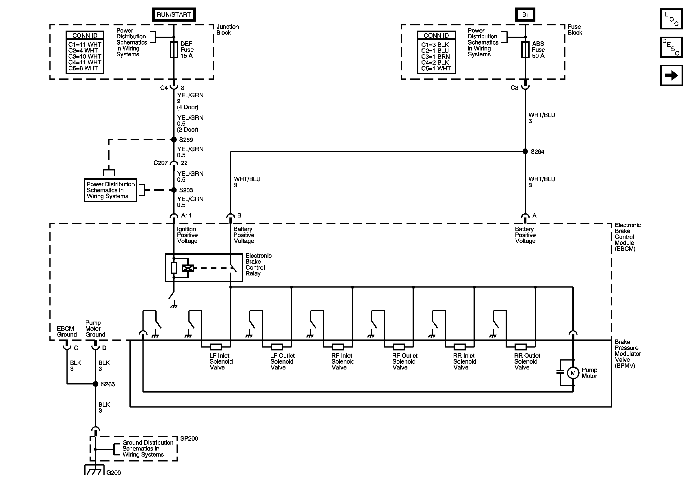
Electronic Brake Control Module (EBCM) Power and Ground
Master Electrical Component List
ABS Description and Operation
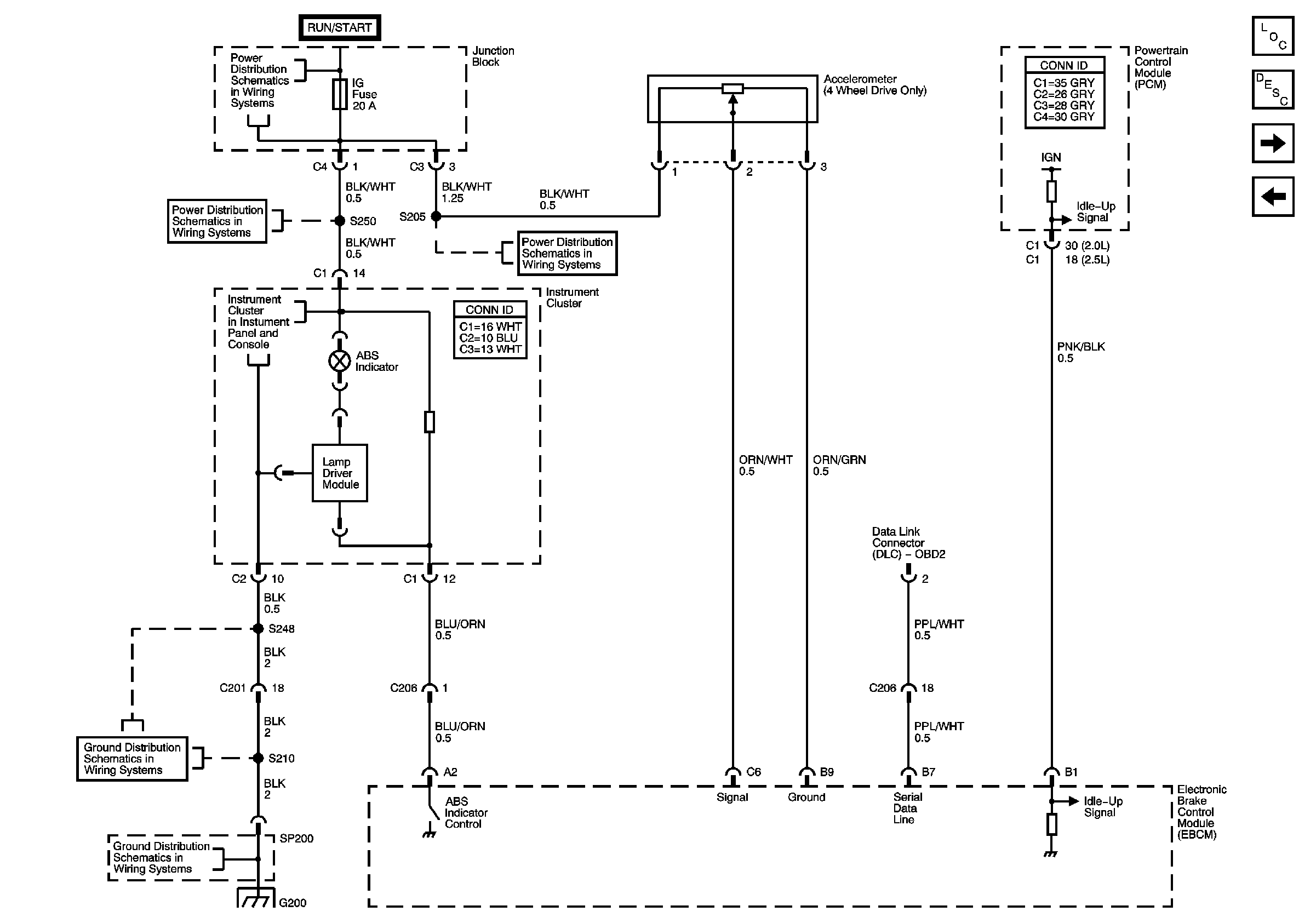
Electronic Brake Control Module (EBCM), ABS Indicator, Accelerometer
CIG, DEF, P/W Fuses
CIG, DEF, P/W Fuses
G200
BATT, ABS, FI, ACC Fuses
Figure
2:
Electronic Brake Control Module (EBCM), ABS Indicator, Accelerometer
Master Electrical Component List
ABS Description and Operation
Electronic Brake Control Module (EBCM), Brake Indicator, Stoplamp Switch
Electronic Brake Control Module (EBCM) Power and Ground
TURN, WIP Fuses
TURN, WIP Fuses
ABS, Brake, Seat Belt, Air Bag Indicators
G200
G200
IG Fuse
Figure
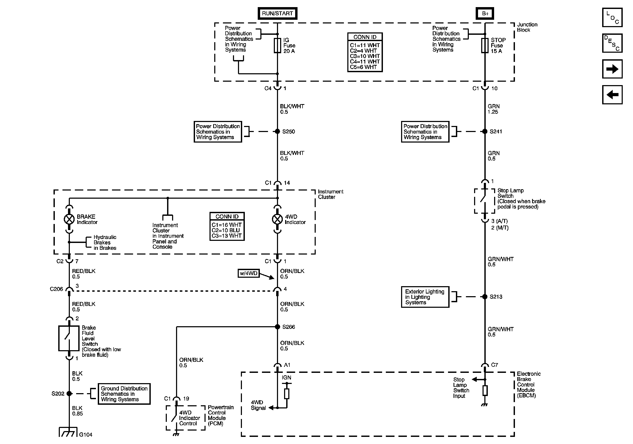
3:
Electronic Brake Control Module (EBCM), Brake Indicator, 4WD Indicator, Stoplamp Switch, Brake Fluid Level Switch
Master Electrical Component List
ABS Description and Operation
Electronic Brake Control Module (EBCM), Wheel Speed Sensors
Electronic Brake Control Module (EBCM), ABS Indicator, Accelerometer
TURN, WIP Fuses
TURN, WIP Fuses
Power, O/D OFF, 4WD, MIL, CRUISE, Charge Indicators
Brake Warning Schematic
G104
HAZ, D/L, TAIL, STOP, DOME Fuses
HAZ, D/L, TAIL, STOP, DOME Fuses
Stoplamps Switch, Stoplamps
Figure
4:
Electronic Brake Control Module (EBCM), Wheel Speed Sensors
Master Electrical Component List
ABS Description and Operation
Electronic Brake Control Module (EBCM), Brake Indicator, Stoplamp Switch
G200
G200