GM Service Manual Online
For 1990-2009 cars only
Makes
🢒
Chevrolet
🢒
2003
🢒
Tracker - 4WD
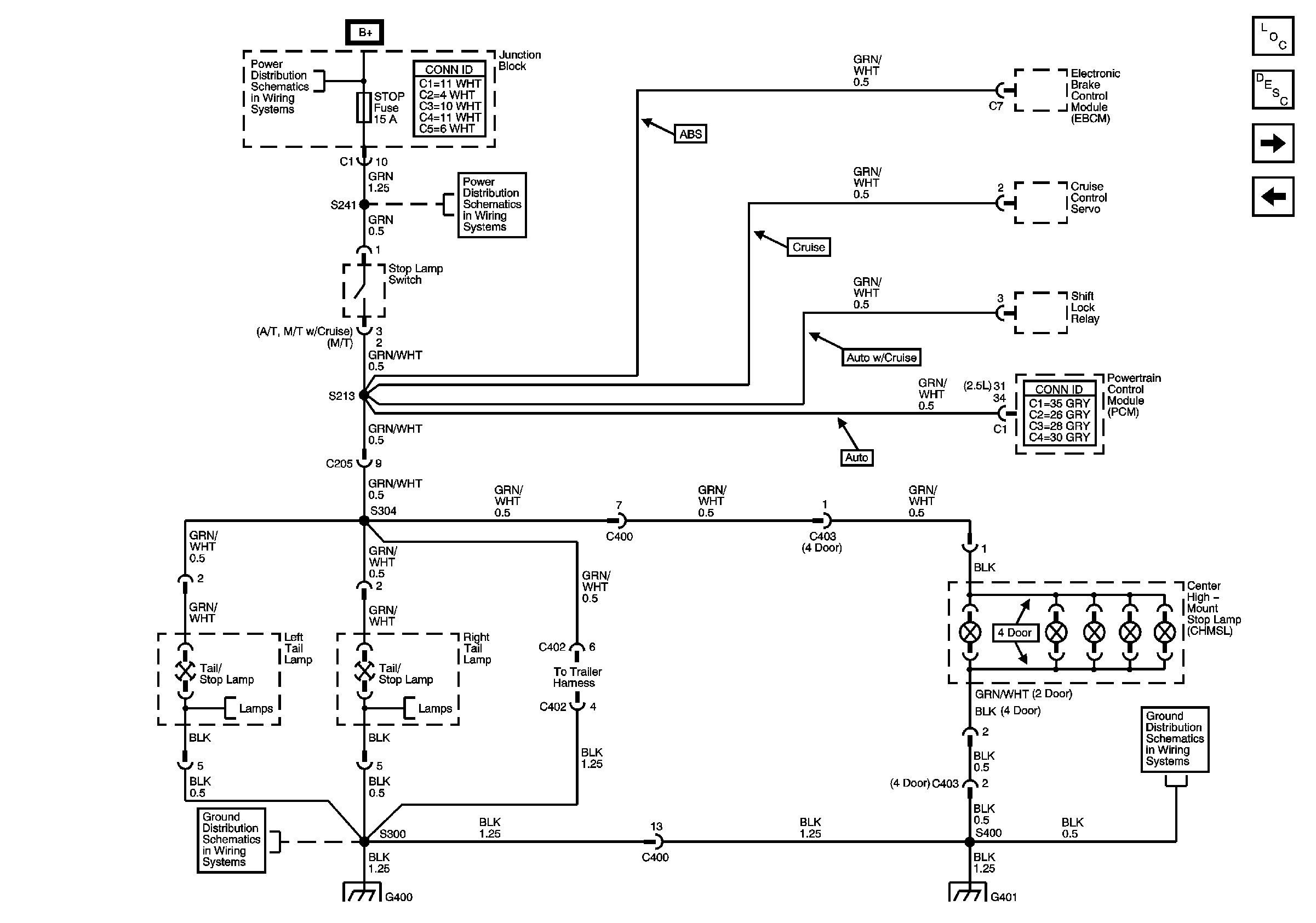
🢒 Stoplamps Switch, Stoplamps
Stoplamps Switch, Stoplamps
Stoplamp Switch, Stoplamps
Master Electrical Component List
Exterior Lighting Systems Description and Operation
Backup Lamps, Backup Lamp Switch, Transmission Range Switch
Turn Signal Lamps, Turn Signal Switch
HAZ, D/L, TAIL, STOP, DOME Fuses
HAZ, D/L, TAIL, STOP, DOME Fuses
G400 and G401
G400 and G401