GM Service Manual Online
For 1990-2009 cars only
Makes
🢒
Chevrolet
🢒
2005
🢒
TrailBlazer - 2WD
🢒 Front Doors and Liftgate
Front Doors and Liftgate
Front Doors and Liftgate
Master Electrical Component List
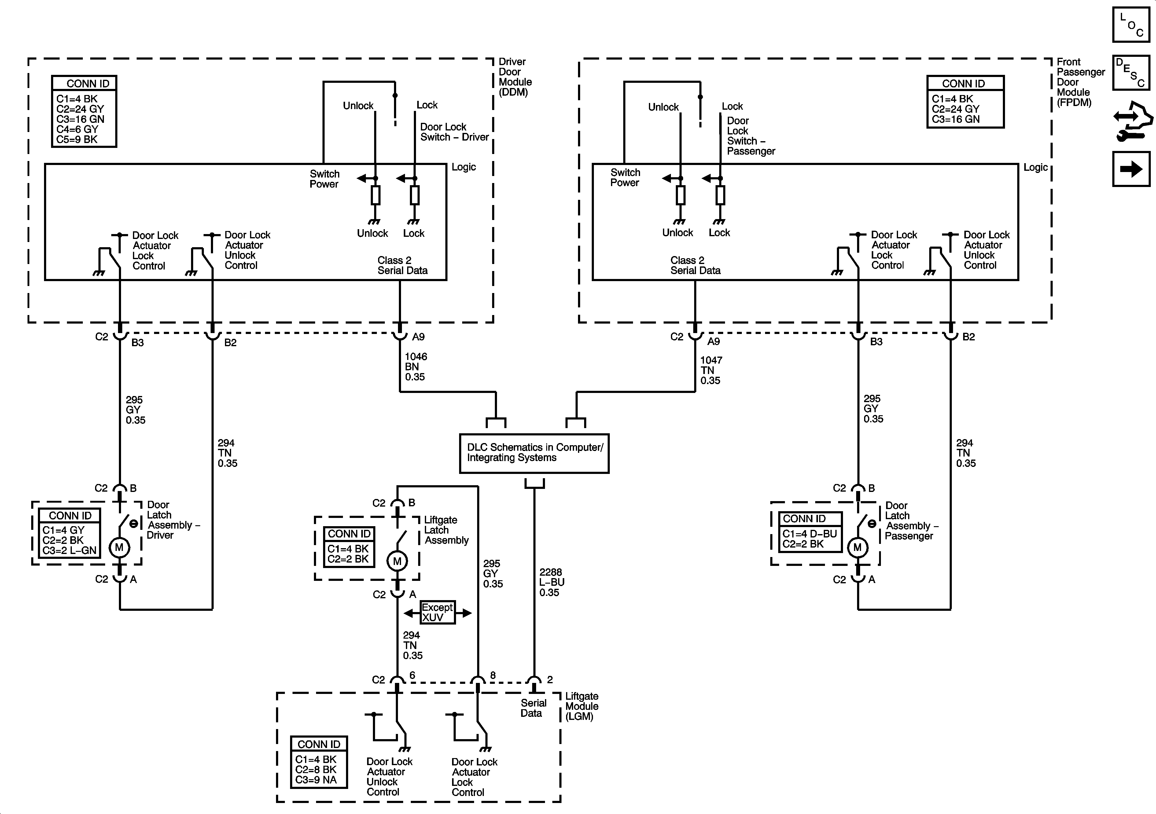
Power Door Locks Description and Operation
Control Module References
Rear Doors
SP306 - except XUV