GM Service Manual Online
For 1990-2009 cars only
Makes
🢒
Chevrolet
🢒
2005
🢒
TrailBlazer - 2WD
🢒 Rear Doors
Rear Doors
Rear Doors
Master Electrical Component List
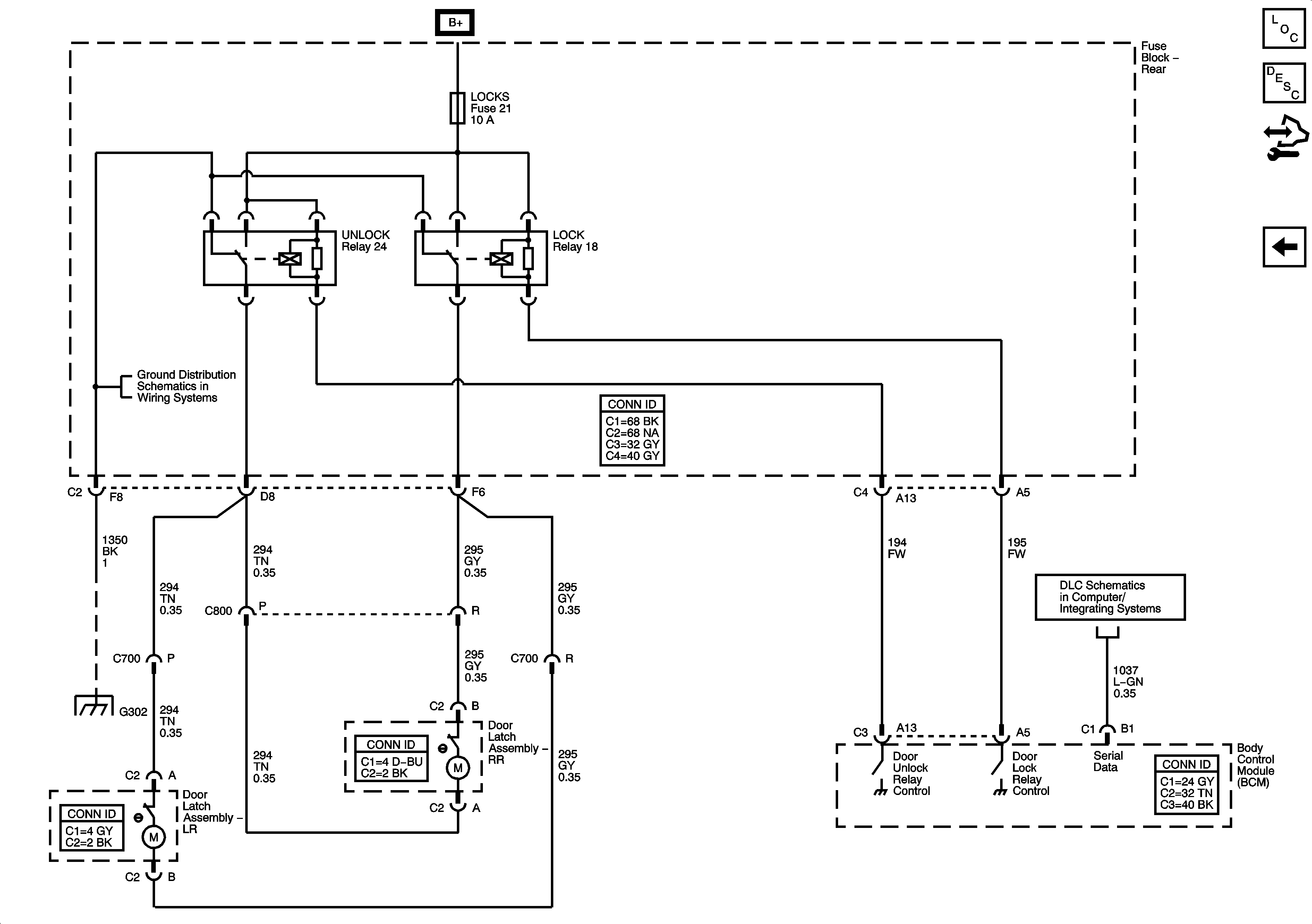
Power Door Locks Description and Operation
Control Module References
Front Doors and Liftgate
G302 - 2 of 2
G302 - 1 of 2, G303, and G304
SP205