GM Service Manual Online
For 1990-2009 cars only
Figure 1:

Module Power, Ground, Serial Data, Blower Motor, and Coolant Bypass Valve


Object Number: 1594174  Size: FS
Master Electrical Component List
Air Temperature Description and Operation
Control Module References
Compressor Controls
Underhood Fuse Block
Ignition Switch - ACCY/RUN/START, RUN, and START Bus Bars, IGN A and CRNK Fuses
LT TRUN, RT TRUN, TRLR LT TRN, and TRLR RT TRN Fuses
BRAKE, HVAC I, and TBC RUN Fuses
B+ Bus - Rear Fuse Block
HVAC B, LGM/DSM, OH BATT/ONSTAR, and RADIO FUSES
SP205
G102
Figure 2:

Compressor Controls


Object Number: 1594175  Size: FS
Master Electrical Component List
Air Delivery Description and Operation
Control Module References
Air Delivery/Temperature Actuator
Module Power, Ground, Serial Data, Blower Motor, and Coolant Bypass Valve
ACCY/RUN, RUN/START, Bus Bars, and IGN B Fuse
ACCY/RUN, RUN/START, Bus Bars, and IGN B Fuse
Underhood Fuse Block
SP205
G104, G105, and G107
G101, G103, G106, and G110
Figure 3:

Air Delivery/Temperature Actuator


Object Number: 1594176  Size: FS
Master Electrical Component List
Air Delivery Description and Operation
Control Module References
Rear Mode Controls - SWB
Compressor Controls
Ignition Switch - ACCY/RUN/START, RUN, and START Bus Bars, IGN A and CRNK Fuses
BRAKE, HVAC I, and TBC RUN Fuses
BRAKE, HVAC I, and TBC RUN Fuses
G201 - 1 of 2
Figure 4:

Rear Mode Controls - SWB


Object Number: 1594177  Size: FS
Master Electrical Component List
Air Delivery Description and Operation
Control Module References
Rear Mode Controls - LWB
Air Delivery/Temperature Actuator
Module Power, Ground, Serial Data, Blower Motor, and Coolant Bypass Valve
Ignition Switch - ACCY/RUN/START, RUN, and START Bus Bars, IGN A and CRNK Fuses
BRAKE, HVAC I, and TBC RUN Fuses
BRAKE, HVAC I, and TBC RUN Fuses
G201 - 1 of 2
Figure 5:

Rear Mode Controls - LWB


Object Number: 1594180  Size: FS
Master Electrical Component List
Air Temperature Description and Operation
Control Module References
Water Pump Controls - LWB
Rear Mode Controls - SWB
I/P Dimming Supply 1 of 2
B+ Bus - Rear Fuse Block
HVAC B, LGM/DSM, OH BATT/ONSTAR, and RADIO FUSES
G401, G402, and G403
SP205
G201 - 1 of 2
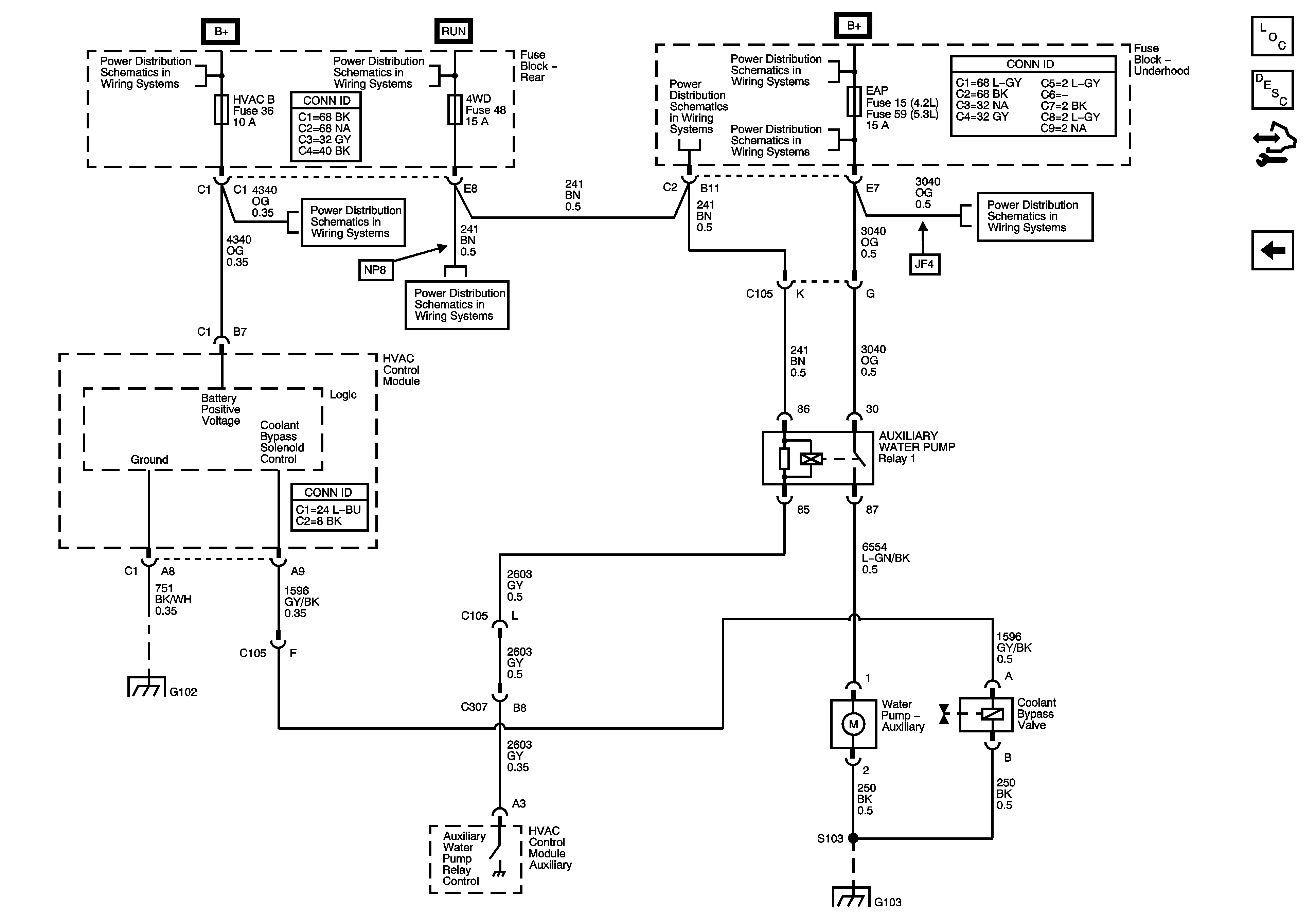
Figure 6:

Water Pump Controls - LWB


Object Number: 1594091  Size: FS
Master Electrical Component List
Air Temperature Description and Operation
Control Module References
Rear Mode Controls - LWB
B+ Bus - Rear Fuse Block
Ignition Switch - ACCY/RUN/START, RUN, and START Bus Bars, IGN A and CRNK Fuses
HVAC B, LGM/DSM, OH BATT/ONSTAR, and RADIO FUSES
4WD, AIRBAG, ECMI, HVAC, and TRANS Fuses
4WD, AIRBAG, ECMI, HVAC, and TRANS Fuses
Underhood Fuse Block
AIR PUMP, EAP, ECM, HDM, HI HEADLAMP-LT, HI HEADLAMP-RT, IGN COILS, LO HEADLAMP-LT, LO HEADLAMP-RT, PCM B and TBC I Fuses
AIR PUMP, EAP, ECM, HDM, HI HEADLAMP-LT, HI HEADLAMP-RT, IGN COILS, LO HEADLAMP-LT, LO HEADLAMP-RT, PCM B and TBC I Fuses
G102
G101, G103, G106, and G110