GM Service Manual Online
For 1990-2009 cars only
Makes
🢒
Chevrolet
🢒
2007
🢒
TrailBlazer - 2WD
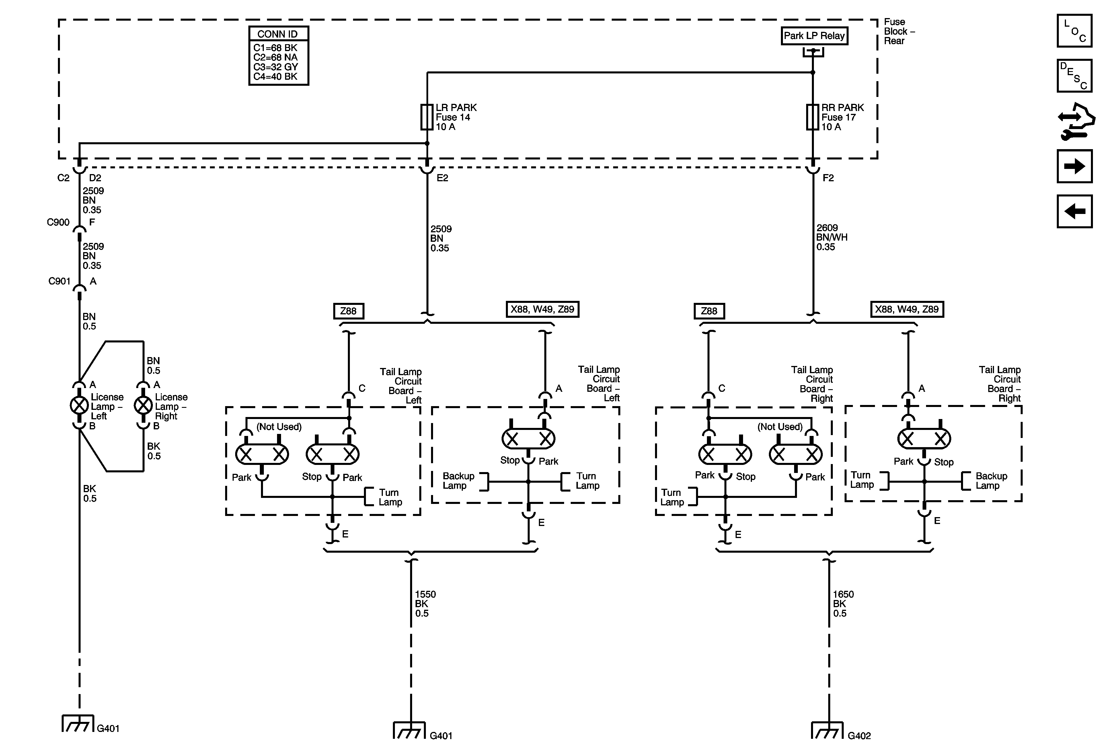
🢒 License and Rear Park Lamps
License and Rear Park Lamps
License and Rear Park Lamps
Master Electrical Component List
Exterior Lighting Systems Description and Operation
Control Module References
Stop Lamps
Marker and Front Park Lamps
Park Lamp Relay
Left Turn Signals
Backup Lamps
Left Turn Signals
Right Turn Signals
Right Turn Signals
Backup Lamps
G401, G402, and G403
G401, G402, and G403
G401, G402, and G403