GM Service Manual Online
For 1990-2009 cars only
Makes
🢒
Chevrolet
🢒
2007
🢒
TrailBlazer - 2WD
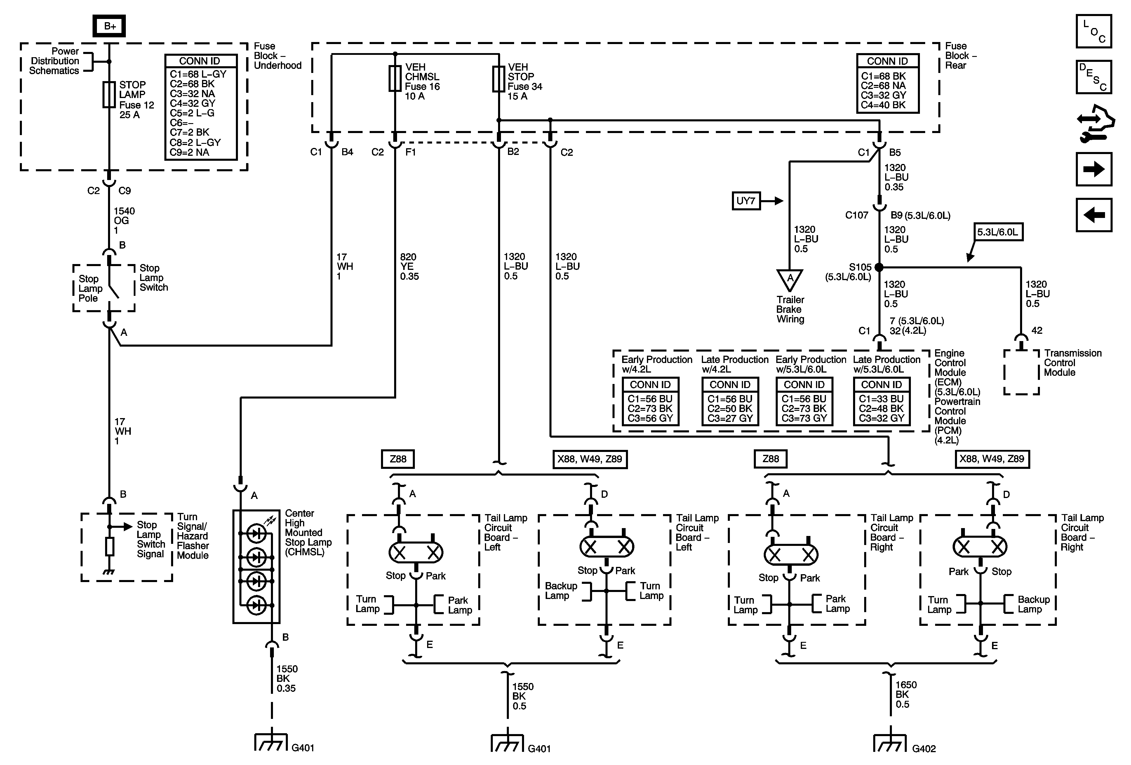
🢒 Stop Lamps
Stop Lamps
Stop Lamps
Master Electrical Component List
Exterior Lighting Systems Description and Operation
Control Module References
Turn Signal/Multifunction Switch and Cornering Lamps
License and Rear Park Lamps
B+ Bus - Underhood Fuse Block
Trailer Wiring - UY7
G401, G402, and G403
G401, G402, and G403
G401, G402, and G403