GM Service Manual Online
For 1990-2009 cars only
Makes
🢒
Chevrolet
🢒
2007
🢒
TrailBlazer - 2WD
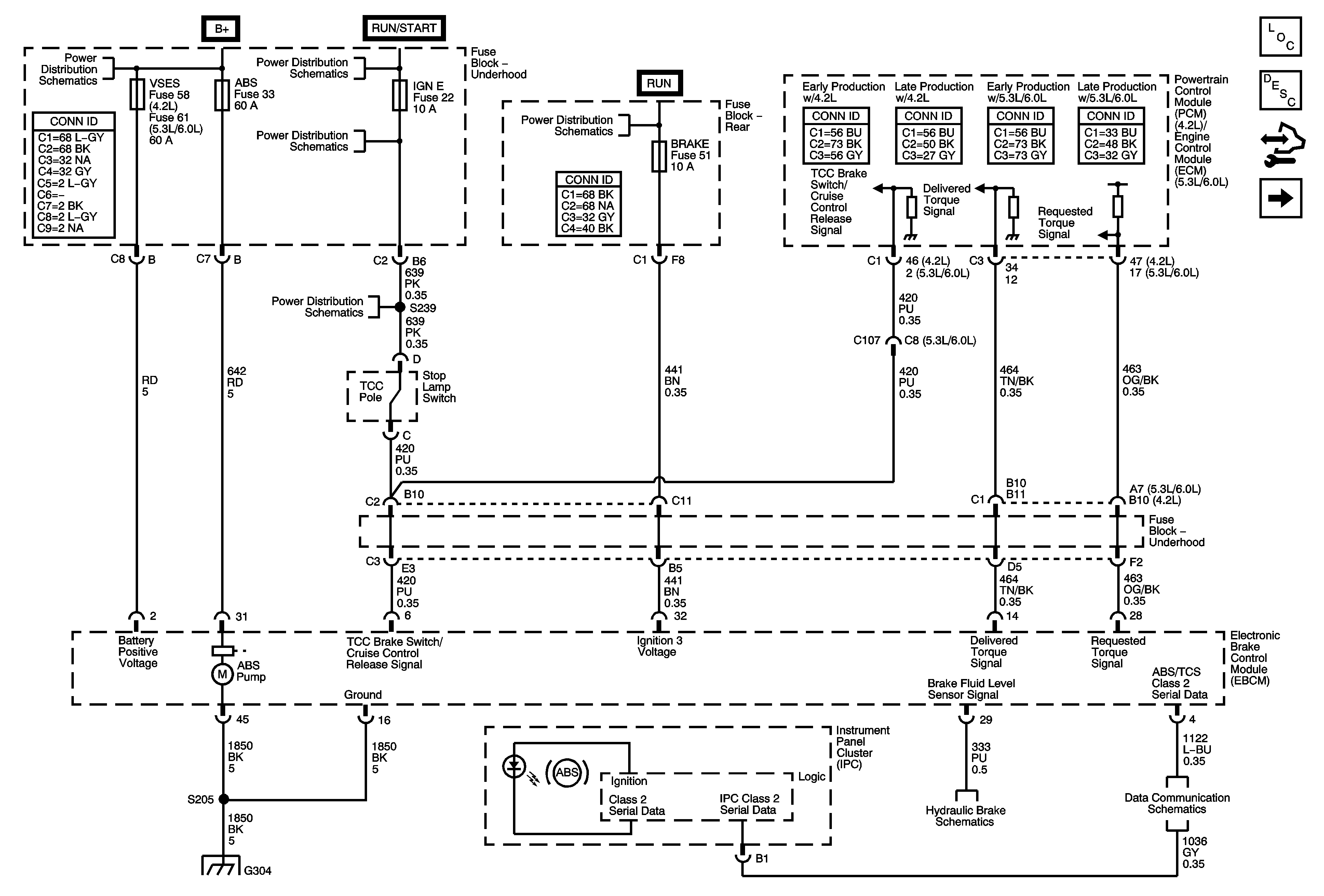
🢒 EBCM Power, Ground, Serial Data, Indicator, and Signal Circuits
EBCM Power, Ground, Serial Data, Indicator, and Signal Circuits
EBCM Power Ground, Serial Data, Indicator, and Signal Circuits
Master Electrical Component List
ABS Description and Operation
Control Module References
Wheel Speed Sensors and Yaw Rate/Lateral Acceleration Sensor
B+ Bus - Underhood Fuse Block
Ignition Switch - ACCY/RUN, RUN/START Bus Bars and IGN B Fuse
BCK/UP, BTSI, IGN E, TBC IGN 1, and TRLR BCK/UP Fuses
Ignition Switch - ACCY/RUN/START, RUN, and START Bus Bars, IGN A and CRNK Fuses
BCK/UP, BTSI, IGN E, TBC IGN 1, and TRLR BCK/UP Fuses
G302 - 1 of 2, G303, and G304
Hydraulic Brake Schematics
SP205