GM Service Manual Online
For 1990-2009 cars only
Makes
🢒
Chevrolet
🢒
2007
🢒
TrailBlazer - 2WD
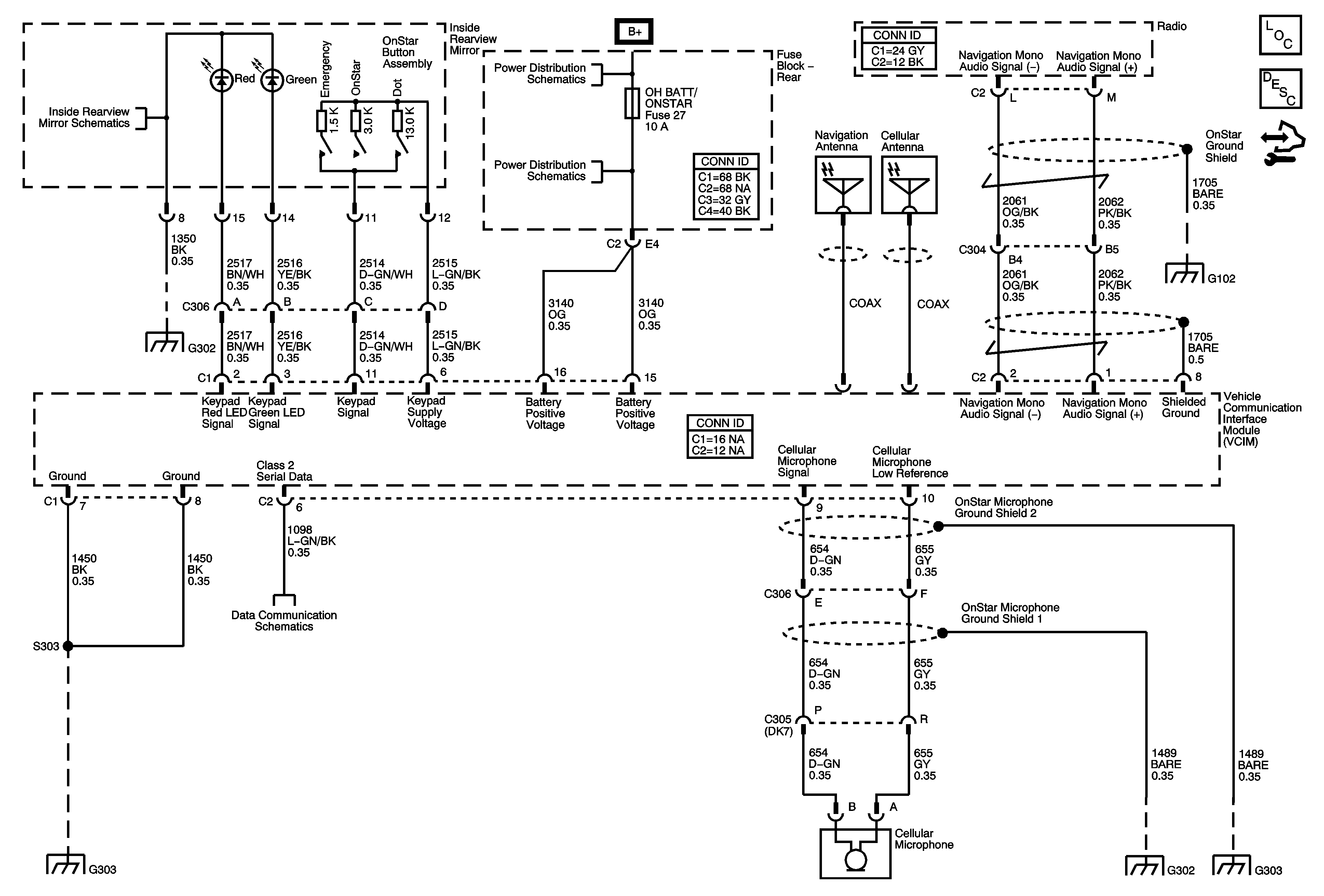
🢒 OnStar Schematics
OnStar Schematics
Master Electrical Component List
OnStar Description and Operation
Control Module References
Inside Rearview Mirror Schematics
G302 - 2 of 2
B+ Bus - Rear Fuse Block
HVAC B, LGM/DSM, OH BATT/ONSTAR, and RADIO Fuses
G102
G302 - 1 of 2, G303, and G304
SP306
G302 - 1 of 2, G303, and G304
G302 - 1 of 2, G303, and G304