GM Service Manual Online
For 1990-2009 cars only
Makes
🢒
Chevrolet
🢒
2007
🢒
TrailBlazer - 2WD
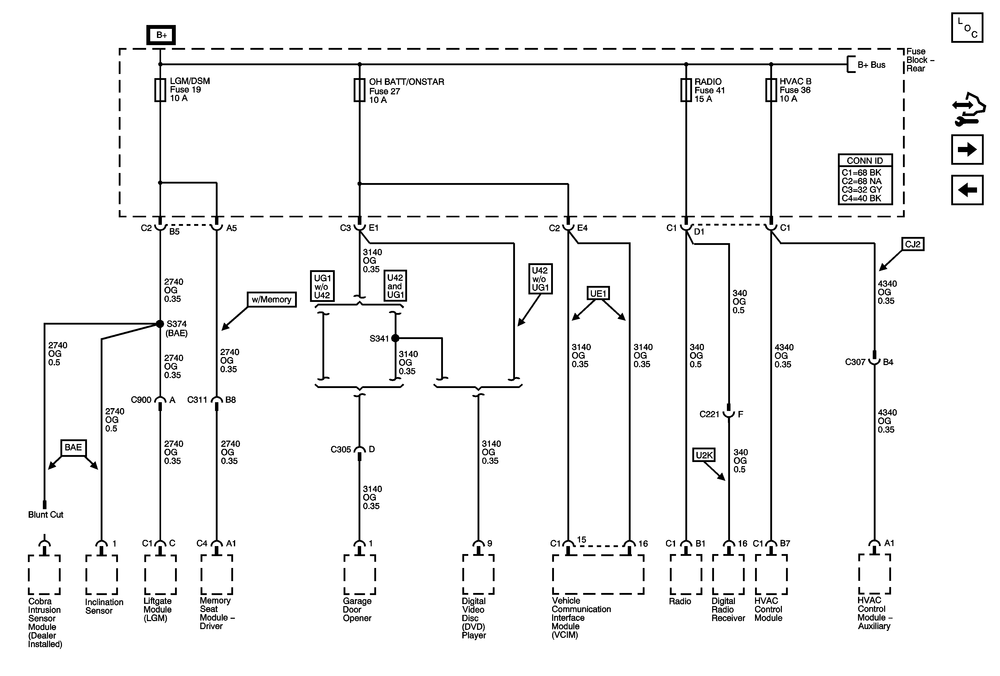
🢒 HVAC B, LGM/DSM, OH BATT/ONSTAR, and RADIO Fuses
HVAC B, LGM/DSM, OH BATT/ONSTAR, and RADIO Fuses
HVAC B, LGM/DSM, OH BATT/ONSTAR, and RADIO Fuses
Master Electrical Component List
Control Module References
AUX PWR 1, RR HVAC, SUNROOF, TBC 2, TBC 3, TBC 4, TBC 5, and TCM CNSTR Fuses
`AIR PUMP, EAP, ECM, HDM, HI HEADLAMP - LT, HI HEADLAMP - RT, IGN COILS, LO HEADLAMP - LT, LO HEADLAMP - RT, PCM B AND TBC I Fuses
B+ Bus - Rear Fuse Block