GM Service Manual Online
For 1990-2009 cars only

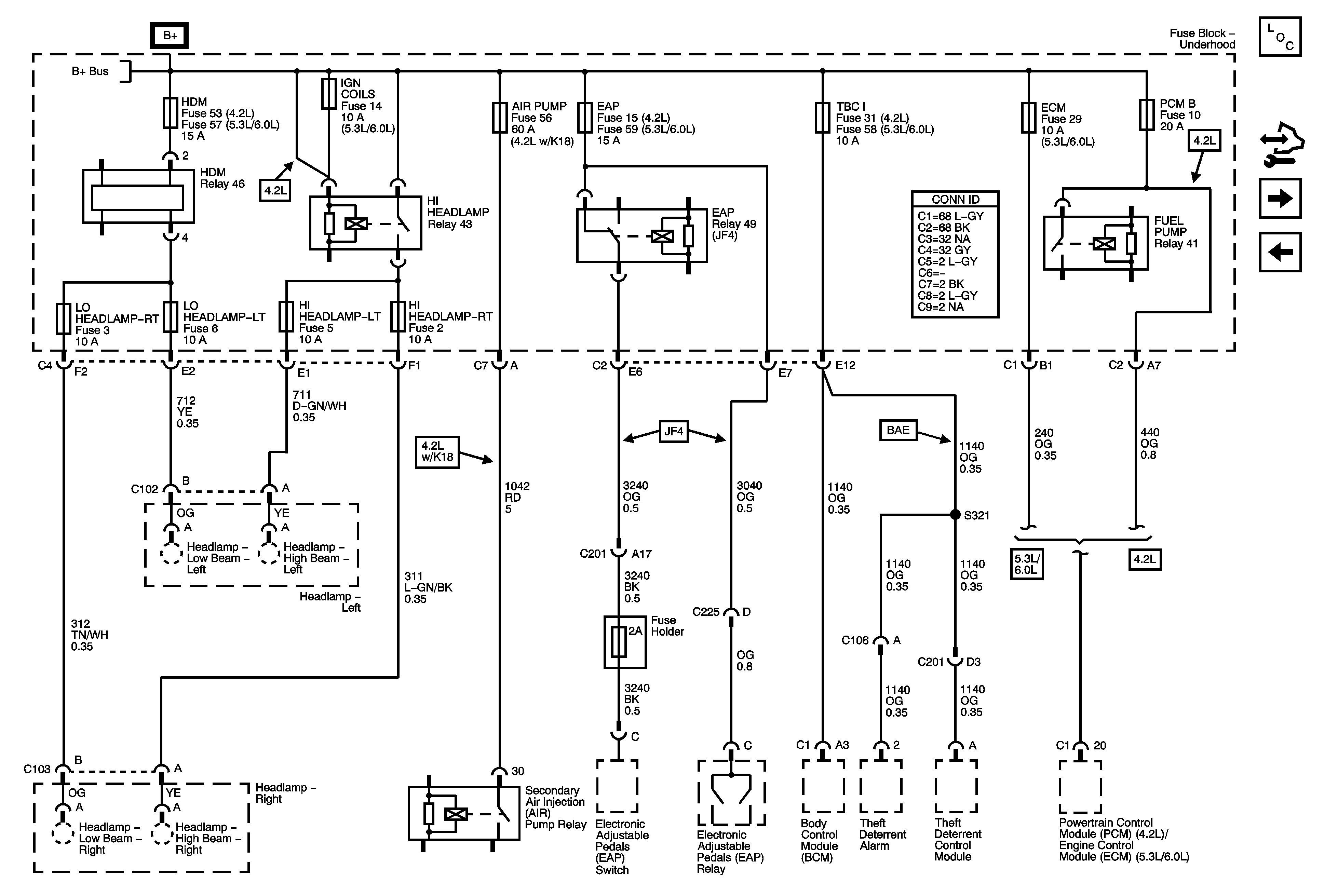
`AIR PUMP, EAP, ECM, HDM, HI HEADLAMP - LT, HI HEADLAMP - RT, IGN COILS, LO HEADLAMP - LT, LO HEADLAMP - RT, PCM B AND TBC I Fuses

AIR PUMP, EAP, ECM HDM, HI HEADLAMP - LT, HI HEADLAMP - RT, IGN COILS, LO HEADLAMP - LT, LO HEADLAMP - RT, PCM B and TBC I Fuses


Object Number: 1748055  Size: FS
Master Electrical Component List
Control Module References
HVAC B, LGM/DSM, OH BATT/ONSTAR, and RADIO Fuses
ABS, ATC, BLWR, ECAS, ELEC BRK, HAZRD, IPC/DIC, LTR, RVC, STOP LAMP, TRLR, VEH CHMSL, VEH STOP, and VSES Fuses
B+ Bus - Underhood Fuse Block