GM Service Manual Online
For 1990-2009 cars only
Makes
🢒
Chevrolet
🢒
2007
🢒
TrailBlazer - 2WD
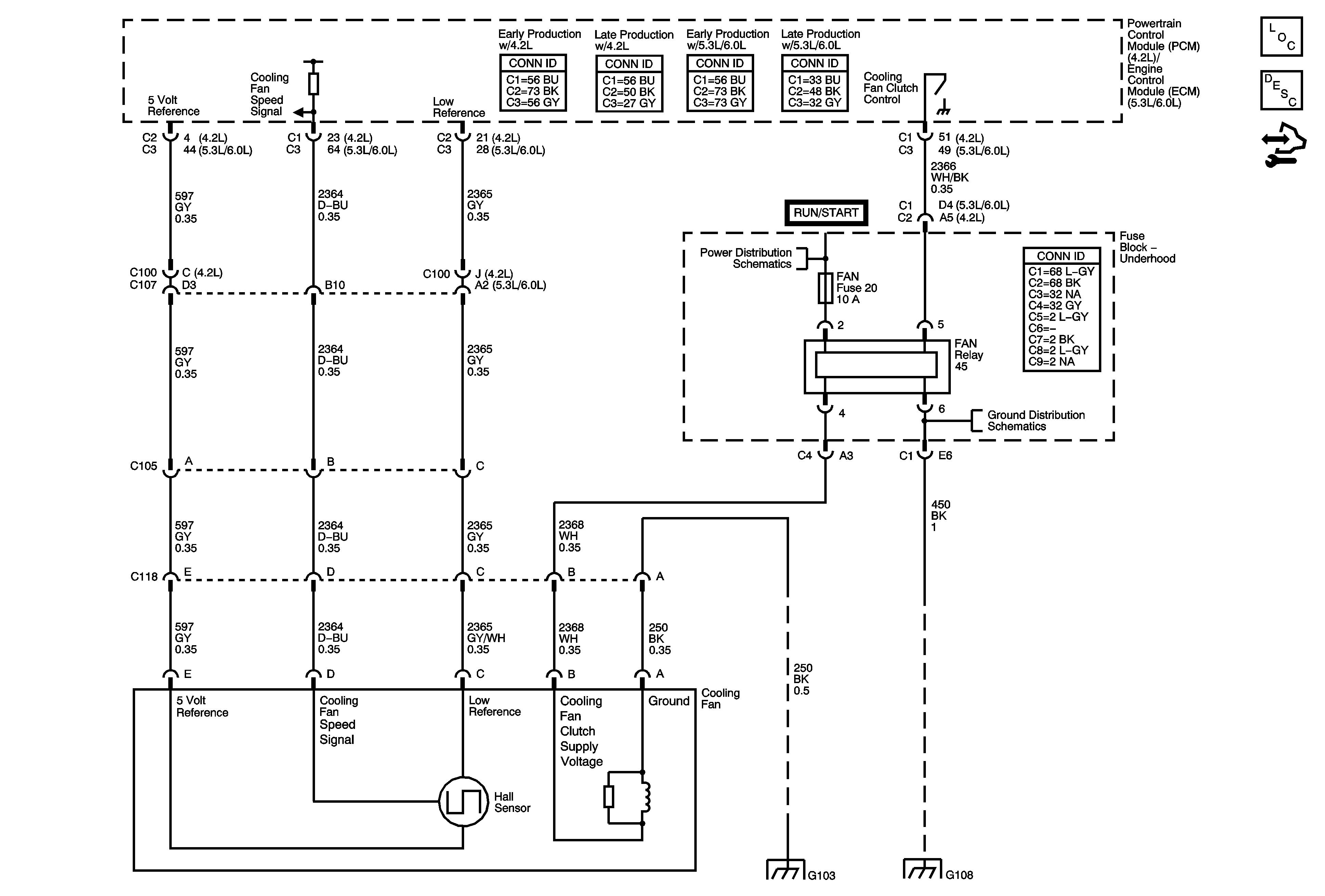
🢒 Engine Cooling Schematics
Engine Cooling Schematics
Master Electrical Component List
Cooling Fan Description and Operation
Control Module References
Ignition Switch - ACCY/RUN, RUN/START Bus Bars and IGN B Fuse
G108
G101, G103, G106, and G110
G108