GM Service Manual Online
For 1990-2009 cars only
Makes
🢒
Chevrolet
🢒
2007
🢒
TrailBlazer - 2WD
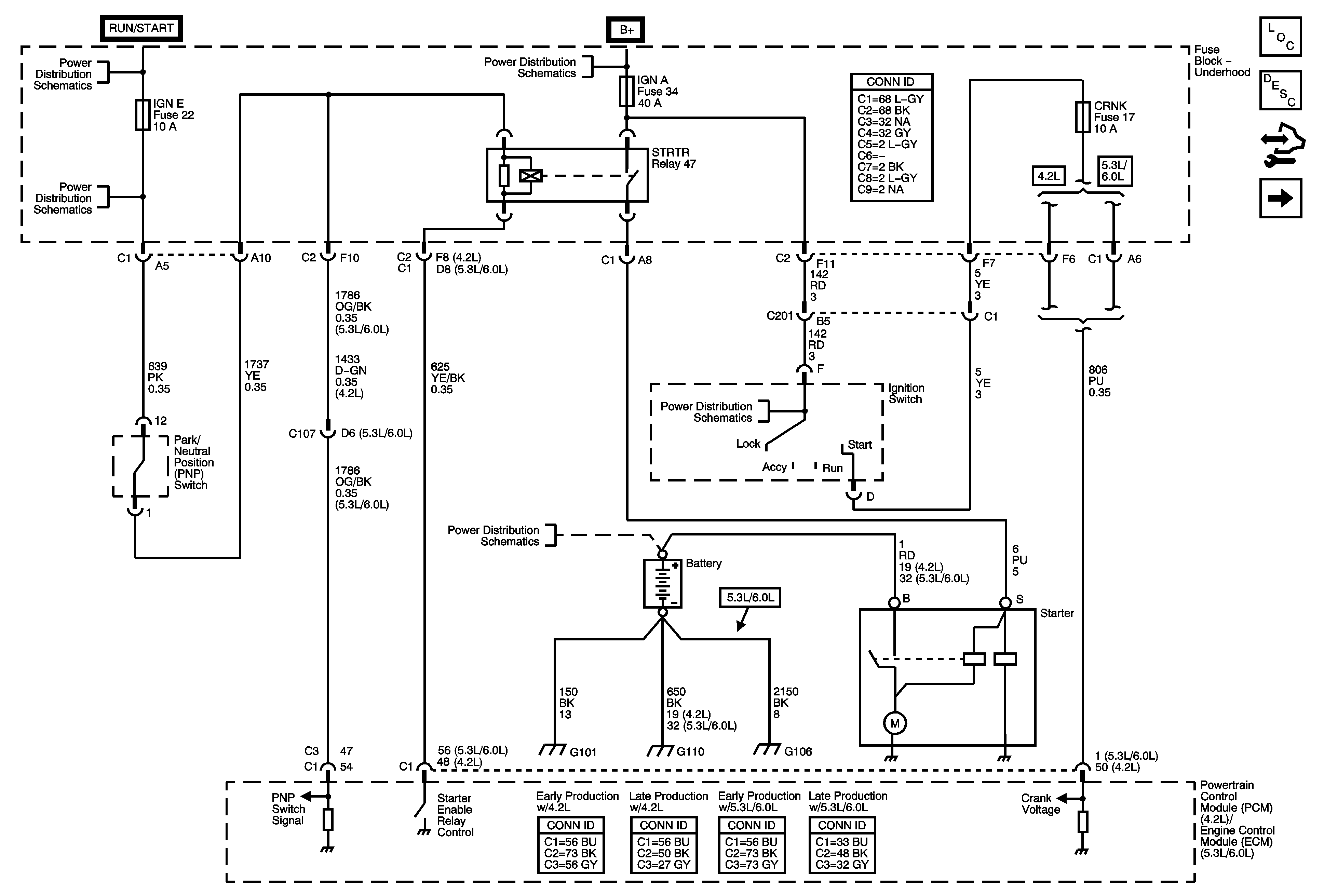
🢒 Starting System
Starting System
Starting System
Master Electrical Component List
Starting System Description and Operation
Control Module References
Charging System
Ignition Switch - ACCY/RUN, RUN/START Bus Bars and IGN B Fuse
BCK/UP, BTSI, IGN E, TBC IGN 1, and TRLR BCK/UP Fuses
B+ Bus - Underhood Fuse Block
B+ Bus - Underhood Fuse Block