GM Service Manual Online
For 1990-2009 cars only
Makes
🢒
Chevrolet
🢒
2007
🢒
TrailBlazer - 2WD
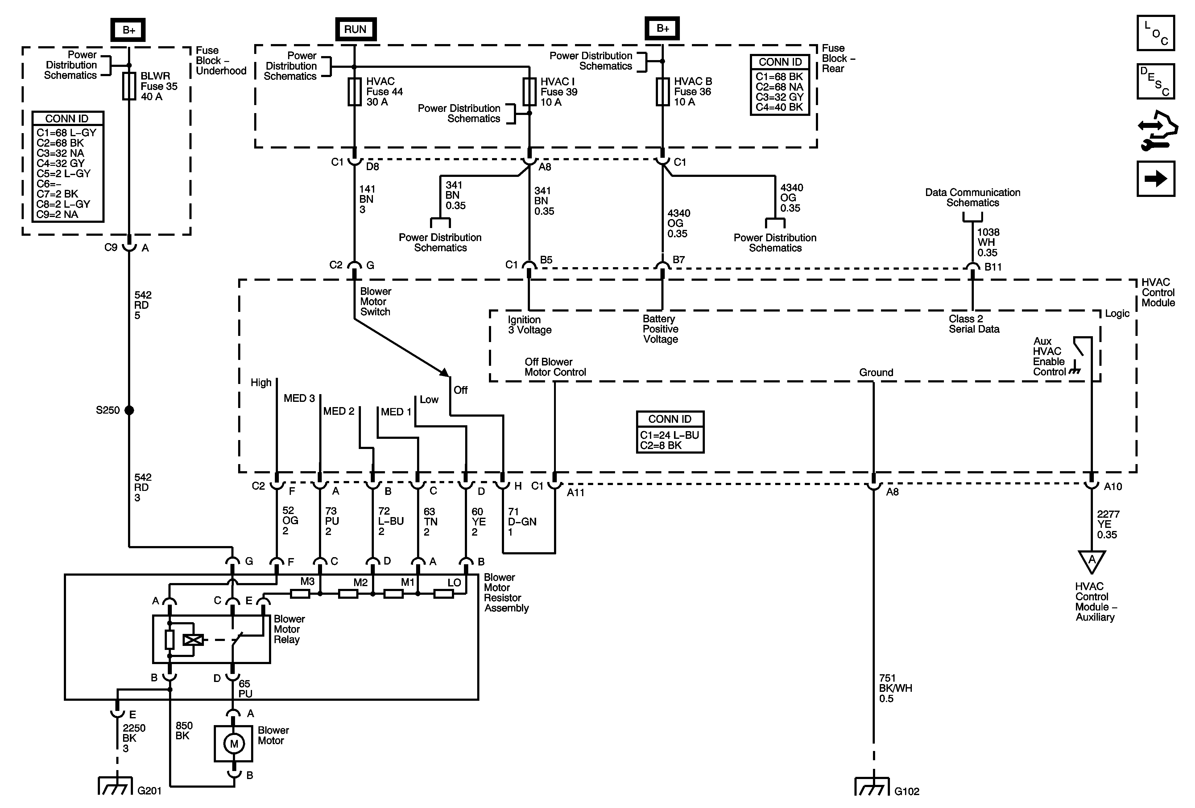
🢒 Module Power, Ground, Serial Data, and Blower Motor
Module Power, Ground, Serial Data, and Blower Motor
Module Power, Ground, Serial Data, and Blower Motor
Master Electrical Component List
Air Delivery Description and Operation
Control Module References
Compressor Controls
B+ Bus - Underhood Fuse Block
Ignition Switch - ACCY/RUN/START, RUN, and START Bus Bars, IGN A and CRNK Fuses
BRAKE, HVAC I, and TBC RUN Fuses
B+ Bus - Rear Fuse Block
BRAKE, HVAC I, and TBC RUN Fuses
HVAC B, LGM/DSM, OH BATT/ONSTAR, and RADIO Fuses
SP205
G201 - 1 of 2
G102
Rear Mode Controls