GM Service Manual Online
For 1990-2009 cars only

Automatic Transmission Controls Schematics 4.2L

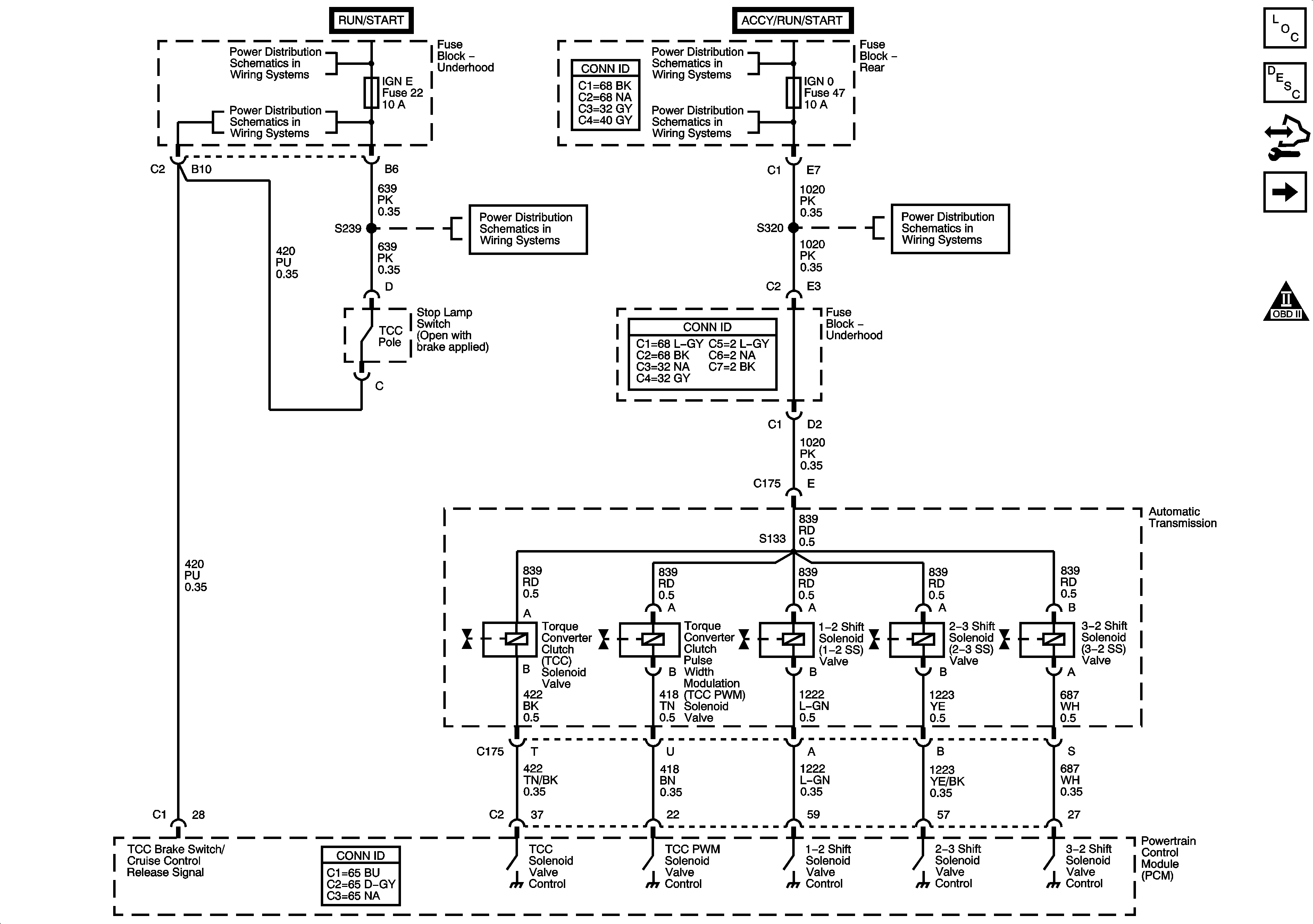
Figure 1:

Shift Controls and Stop Lamp Switch


Object Number: 1412997  Size: FS
Master Electrical Component List
Transmission General Information
Control Module References
Pressure Controls, Temperature, and VSS
OBD II Symbol Description Notice
Ignition Switch - ACCY/RUN and RUN/START Bus Bars, IGN B Fuse
BACK UP, BTSI, IGNE, TBC IGN1, and TRLR B/U Fuses
Ignition Switch - ACCY/RUN/START, RUN, and START Bus Bars, IGN A and CRANK Fuses
FRT WPR, IGN 0, RAIN, TBC ACC, TBC IG, and TCM Fuses
BACK UP, BTSI, IGNE, TBC IGN1, and TRLR B/U Fuses
FRT WPR, IGN 0, RAIN, TBC ACC, TBC IG, and TCM Fuses
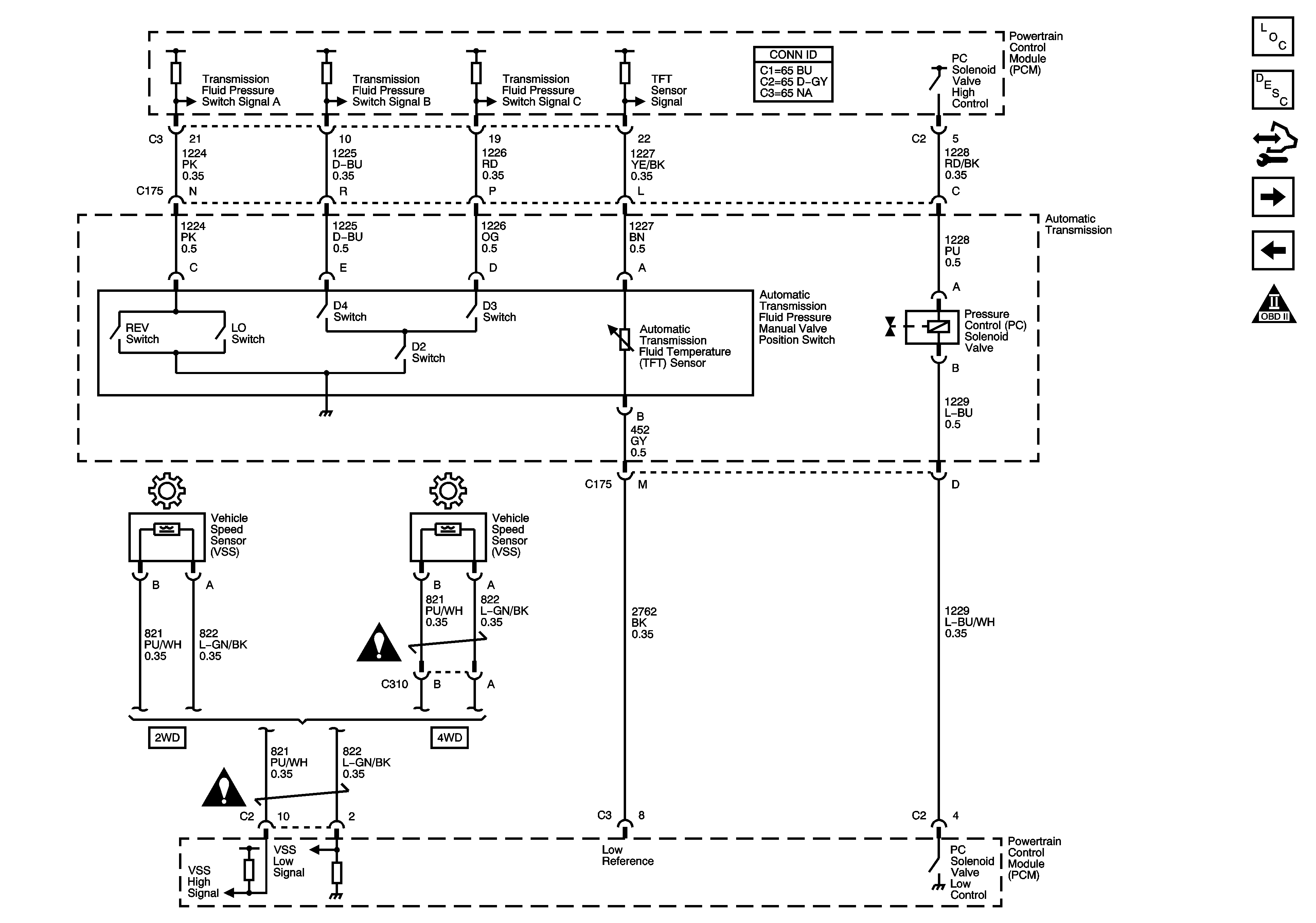
Figure 2:

Pressure Controls, Temperature, and VSS


Object Number: 1413000  Size: FS
Master Electrical Component List
Transmission General Information
Control Module References
PNP Switch, 4WD Signal, Serial Data, and Indicator
Shift Controls and Stop Lamp Switch
OBD II Symbol Description Notice
Automatic Transmission Schematic Icons
Automatic Transmission Schematic Icons
Figure 3:

PNP Switch, 4WD Signal, Serial Data, and Indicator


Object Number: 1412999  Size: FS
Master Electrical Component List
Transmission General Information
Control Module References
Pressure Controls, Temperature, and VSS
OBD II Symbol Description Notice
SP205
G108

Automatic Transmission Controls Schematics 5.3L

Figure 1:

Module Power, Ground, Serial Data, and Stop Lamp Switch


Object Number: 1413010  Size: FS
Master Electrical Component List
Transmission General Information
Control Module References
Transmission Controls
OBD II Symbol Description Notice
B+ Bus - Underhood Fuse Block
AUX PWR1, AUX PWR2, RRHVAC, SUNROOF, TBC2, TBC3, TBC4, TBC5, and TCM/CANISTER Fuses
Ignition Switch - ACCY/RUN and RUN/START Bus Bars, IGN B Fuse
Ignition Switch - ACCY/RUN and RUN/START Bus Bars, IGN B Fuse
ECMI and TRANS Fuses - 5.3L
ABS, ATC, BLOWER, CIGAR, ECAS, ELEC BRK, FLASH, IPC/DIC, ST/LP, TRAILER, VEH CHMSL, and VEH STOP Fuses
ABS, ATC, BLOWER, CIGAR, ECAS, ELEC BRK, FLASH, IPC/DIC, ST/LP, TRAILER, VEH CHMSL, and VEH STOP Fuses
ABS, ATC, BLOWER, CIGAR, ECAS, ELEC BRK, FLASH, IPC/DIC, ST/LP, TRAILER, VEH CHMSL, and VEH STOP Fuses
ABS, ATC, BLOWER, CIGAR, ECAS, ELEC BRK, FLASH, IPC/DIC, ST/LP, TRAILER, VEH CHMSL, and VEH STOP Fuses
ABS, ATC, BLOWER, CIGAR, ECAS, ELEC BRK, FLASH, IPC/DIC, ST/LP, TRAILER, VEH CHMSL, and VEH STOP Fuses
G108
Power, Ground, Data Link Connector
Figure 2:

Shift Controls and PNP Switch


Object Number: 1413020  Size: FS
Master Electrical Component List
Transmission General Information
Control Module References
Pressure Controls, Temperature, and VSS
Module Power, Ground, Serial Data, and Stop Lamp Switch
OBD II Symbol Description Notice
Ignition Switch - ACCY/RUN and RUN/START Bus Bars, IGN B Fuse
ECMI and TRANS Fuses - 5.3L
G108
Figure 3:

Pressure Controls, Temperature, and VSS


Object Number: 1413024  Size: FS
Master Electrical Component List
Transmission General Information
Control Module References
Transmission Controls
OBD II Symbol Description Notice
Automatic Transmission Schematic Icons
Automatic Transmission Schematic Icons