GM Service Manual Online
For 1990-2009 cars only
Makes
🢒
Chevrolet
🢒
2005
🢒
TrailBlazer - 4WD
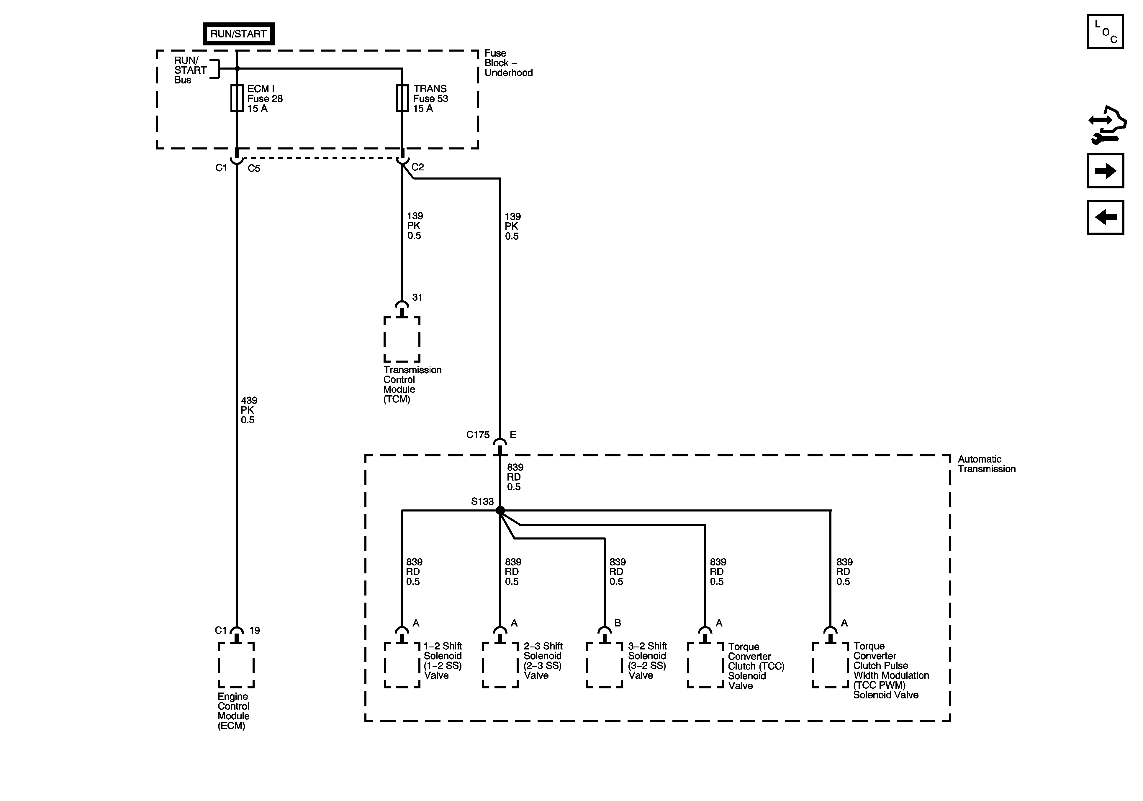
🢒 ECMI and TRANS Fuses - 5.3L
ECMI and TRANS Fuses - 5.3L
ECMI and TRANS Fuses - 5.3L
Master Electrical Component List
Control Module References
4WD, ENG I, HVAC, O2, SIR, and TAC Fuses
AIR SOL and PCMI Fuses - 4.2L
Ignition Switch - ACCY/RUN and RUN/START Bus Bars, IGN B Fuse